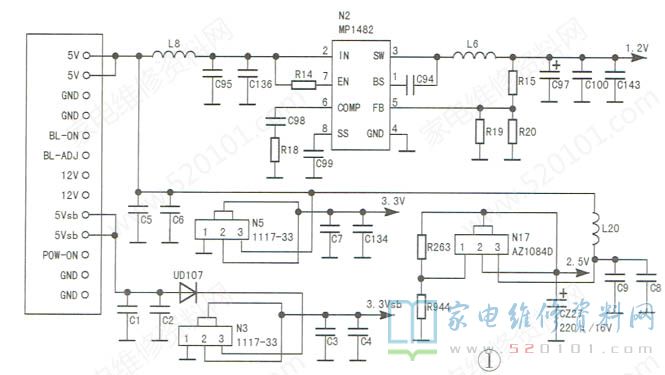
海信TLM32V66C液晶彩电主板上的DC-DC转换电路如图1所示,与海信TLM32E01型液晶彩电的该部分电路相同。通电后电源板产生的5Vsb待机电压通过二极管VD107加到N3(1117-33)③脚,N3②脚输出3.3Vsb待机电压。
  
 
主芯片内嵌CPU得到3.3Vsb电压后,振荡、复位电路工作,随后读取程序存储器中数据并运行,接着读取用户存储器中的开机状态数据,若为“开机”,则CPU发出约3V的高电平开机电平,送给电源板POW-ON端,电源板上的主开关电源工作,输出12V和5V电压。其中,12V电压除给屏供电(即逻辑板供电)外,还给伴音电路供电。5V电压一路供给N5(1117-33)③脚,其②脚输出3.3V电压;第二路通过L20供给N17(AZ1084D)③脚,②脚输出2.5V电压,供给DDR。N17①脚为反馈脚,R263、R944为取样电阻,改变它们的阻值就可以改变②脚输出电压值。第三路通过L8供给N2( MP1482)②脚,同时通过R14加到⑦脚(使能端),电路起振,N2③脚(即储能电感L6的左端)产生幅度为4.8Vp-p、周期为3.2us的脉冲电压,正半周幅度为3.5V,负半周幅度为1.3V,如图2所示。
  
 
N2内部的续流二极管对负半周电压进行整流,在L6的右端产生1.2V直流电压,经滤波电容C97、C100、C143滤波后供给内核。MP1482的引脚功能:①脚为场效应管驱动栅极输入端,外接升压电容。②脚为供电输入端。③脚为功率开关管输出端,外接储能电感与升压电容。④脚为接地端。⑤脚为反馈输入端,内部电路根据此反馈电压调节解输出电压值。⑥脚为补偿端。⑦脚为使能端,即开/关控制端。⑧脚为软启控制动端,外接电容,电容的容量决定软启动时间长短。此时,所有的供电都已经到齐了,控制系统对DDR进行检测,检测完成后把FLash程序调入DDR里,这一过程中,红灯、蓝灯交替闪几次。
例1:一台海信TLM32V66C型液晶彩电,通电后蓝灯亮,三无。
分析检修:上电测5Vsb 及12V电压均正常,但BL-ON.BL-ADJ信号电压均为0V,正常值分别为5V、2.4V。.上述检测结果 ,说明电源板工作工常,主板没有发出背光“开”与背光亮度控制信号,故障部位在主板上。
首先查看开机打印信息,如图3所示,提示DDR电路有问题。
  
 
该机DDR芯片(N13)型号为W9425G6JH-5,测其2.5V供电为0V。检查其供电电路,发现N17③脚输入电压为0V,正常值应为5V。经查,L20开路,电容C9击穿。更换L20、C9后试机,故障排除。
例2:故障现象同“例1”。
分析检修:5Vsb、POW-ON、5V、12V电压均正常,但BL-ON、BL-ADJ信号电压均为0V,判断故障部位在主板上。查看开机打印信息,显示"MIU: DDR 400Mhz. 2x"后无信息,如图4所示。根据经验,此故障多为3.3V供电或主芯片异常。
  
 
测3.3V供电为1.5V,不正常。测N5的输入端③脚电压为5V,但②脚电压仅为1.5V。 检查3.3V滤波电容C7、C134均正常,怀疑N5异常。更换N5后试机,故障排除。
例3:故障现象同“例1”。
分析检修:上电测得电压同“例2”,判断故障部位在主板上。首先查看开机打印信息,系统识别不了写程器,由此怀疑内核供电不良,或者主芯片损坏。此时测得内核供电为0V,正常值应为1.2V。测N2①脚电压为5V,正常;⑦脚使能端电压为0V,正常值应为5V。取下电阻R14( 100k )测量,已开路,将其换新后试机,故障排除。
