接修一台海信LED55K600X3D液晶电视,故障表现为开机无反应。首先拆盖检测电源大滤波电容C849:300V,仔细看此板型号为RSAG7.820.5289,反面有个PFC贴片NCP1608,这说明PFC未起振或电视处待机状态。
  
 
  
 
测NCP1608的8脚VCC电压为0V,这说明问题在主电源部位。此板主电源是由5A2R六脚贴片电路组成,其5脚为启动电压VDD,测量为10V左右,且不停地上下摇摆!再测二极管VD817 整流出来的启动电压也是10V左右,也不停地摆动着。
  
 
  
 
根据以往的经验,启动电压不稳定且偏低情况下,一般多是启动电压整流二极管不良或滤波电容漏电,还有电源输出整流二极管负载短路等等情况。首先排查电源输出二极管没有存在短路情况,再代换C843 启动电容,故障一样。再次拆下二极管VD817,原机是FR104,用FR107代换,上电开机,这次测得C843两端的电压为12V,且很稳定,立即按待机键,只见背光点亮,上信号线图声正常。
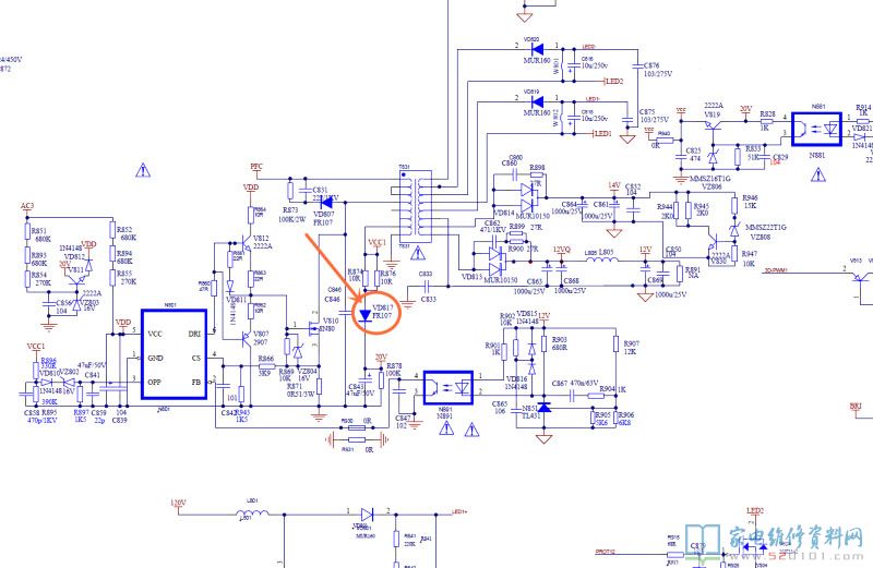
最后附上:海信液晶RSAG7.820.5289主板电路原理图,供广大网友维修参考。
  
 
			版权声明:本文为转载文章,版权归原作者所有,欢迎分享本文,转载请保留出处!
			
		
		
		
		
		
		
	