康佳LED55IS95D液晶电视通电跳闸的故障维修

2022-09-24 19:33:45  阅读 1534 次 评论 0 条
摘要:

接修一台康佳LED55IS95D型液晶彩电,只要接通该机的电源开关,用户家中的空气开关就要跳闸。引起空气开关跳闸的原因一是负载过流,二是用电设备漏电。该机功率仅100多瓦,即使电源板有短路现象,也应先烧断

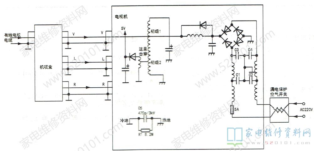
      接修一台康佳LED55IS95D型液晶彩电,只要接通该机的电源开关,用户家中的空气开关就要跳闸。引起空气开关跳闸的原因一是负载过流,二是用电设备漏电。该机功率仅100多瓦,即使电源板有短路现象,也应先烧断机器里面的5A保险丝,不至于引起空气开关跳闸。该机电源插头采用两脚插头,并没有接地线,自然不存在漏电跳闸这一现象。该机的市电输入电路如图1所示,热电和冷电之间的隔离电容C5和电阻R1,电源进线处的抗干扰电容C1~C4,这几个元件一端接冷地、 一端接热地。测得电源插头引脚和电视机高频头外壳(冷地)之间的电阻仅为1k2,这说明冷热地之间某元件漏电,AC220V供电的一部分电流将通过机顶盒的AV线接地端,再通过有线电视的高频电缆接地端流入大地,当漏电电流达到漏电保护器的动作值(一般为30mA)时,漏电开关跳闸。检查R1及C1~C5都正常,采用分段断开法检查,发现副电源的开关变压器初级和次级绕组击穿。

康佳LED55IS95D液晶电视通电跳闸的故障维修 第1张

      该变压器(型号为BCK-30-015T )线槽的宽度仅3mm,采用叠绕方式,绕组的端头距离很近,易出现跳火击穿现象。网购同型号变压器安装好后开机,故障排除。为防后患,用704胶将线圈密封,以阻隔潮气。如果买不到同型号变压器,可以尝试换用DVD电源板的变压器(只要次级有一组5V输出的就可以)。若新变压器的高度太高,可以横过来安装。

      值得一提的是,部分液晶彩电的电源插头采用3脚插头,要求其接地脚应可靠地接大地,但有的用户家线路不规范,把接地线和零线相连,当零线接触不良时,电视机的部分工作电流就通过AV线和有线电视电缆流入大地(因为有线电视电缆的屏蔽层是可靠接大地的),这时AV线中有50Hz交流电通过,会导致图像上有横向移动的干扰条,或者引起漏电保护开关跳闸;当零线断开时,AV线和有线电视电缆承担了零线的功能,电视机及其他电器的用电电流将全部通过AV线和电缆,AV线和电缆严重发热,甚至熔化起火,这种情况发生在用等离子电视机时出现得较多,因为等离子电视机功率较大,大屏幕机的功率在350W左右,工作电流达1.5A左右。对于上述现象,解决办法是在有线电视电缆和机顶盒或电视机高频头之间加装一个隔离器, 实际就是在电缆芯线和屏蔽层上各串联一只470pF耐压大于400V的瓷片电容,作用是阻隔50Hz交流电。应急维修时,可把电视机的3脚插头中的接地脚去掉(但有一定的安全隐患)。

版权声明:本文为转载文章,版权归原作者所有,欢迎分享本文,转载请保留出处!