用FAN6755代换LD7575修复康佳液晶电视电源板

2022-03-29 03:59:43  阅读 1244 次 评论 0 条
摘要:

最近收到一块从维修同行拿来的康佳电源板,12V电源场效应管坏,以至于驱动芯片LD7575也短路,由于手里没有这个芯片,但是急于维修,于是上网查询,结果有人用LD7575改电路图代换过FAN6755,我想既

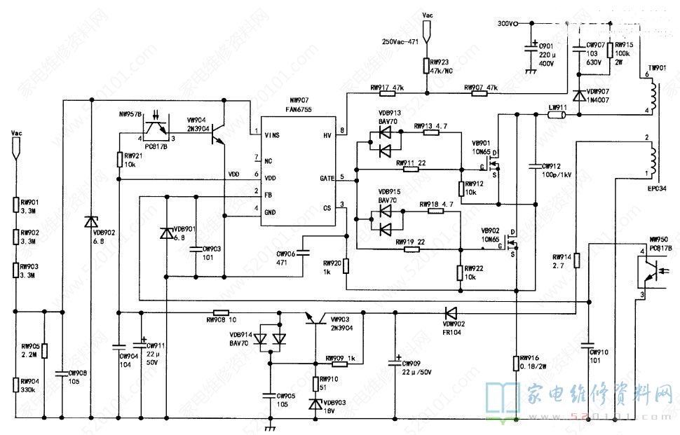
      最近收到一块从维修同行拿来的康佳电源板,12V电源场效应管坏,以至于驱动芯片LD7575也短路,由于手里没有这个芯片,但是急于维修,于是上网查询,结果有人用LD7575改电路图代换过FAN6755,我想既然他这样代换,我也可以反过来代换。于是参考FAN6755电路和LD7575实际电路,其实代换也简单,只要参考FAN6755的1脚按照实际电路改好即可,8脚可以不接,因为芯片有二次启动电源。

用FAN6755代换LD7575修复康佳液晶电视电源板 第1张

用FAN6755代换LD7575修复康佳液晶电视电源板 第2张

用FAN6755代换LD7575修复康佳液晶电视电源板 第3张

版权声明:本文为转载文章,版权归原作者所有,欢迎分享本文,转载请保留出处!