康佳LED32F1100CF液晶电视采用四合一驱动板(板号为35017517),该驱动板将开关电源、LED背光驱动电路、机芯电路以及逻辑电路整合在同一块电路板上,如图1所示。开关电源控制芯片采用FAN6755,LED背光驱动控制芯片采用0CP8121,机芯电路的主芯片采用MST6M180XT- WL, .逻辑电路的TFT偏压电路采用RT9955(也叫屏供电芯片)。
一、开关电源电路分析
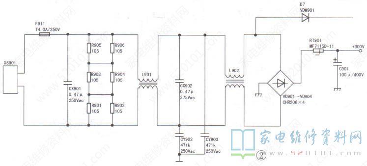
1.市电输入与市电整流滤波电路
AC220V市电经熔断器F911后进入抗干扰滤波电路,如图2所示。cx901 、L901、CX902、L902.CY902、CY903等构成EMC电路,以阻止电网杂波进入开关电源,同时防止开关电源产生的干扰进入电网。滤除干扰后的市电经VD901 ~VD904全波整流,再经RT901限流和C901滤波后输出约300V直流电压。另外,市电还经VDW901整流后为电源控制芯片FAN6755提供启动电压,同时还送至市电检测电路。RT901 .是负温度系数热敏电阻,作用是冷机开机时防止电源瞬间浪涌电流损坏其他元器件,热机后电阻接近02,可视为短路。R901 ~R906为泄放电阻,在交流输入关断时,对X电容放电,用于防止电源线拔掉后电源插头带电。
2.开关电源电路
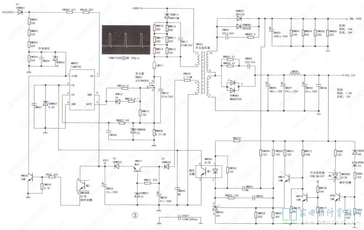
康佳35017517四合一驱动板的开关电源如图3所示,由电源控制芯片NW907(FAN6755)、大功率MOSFET关管vW901、开关变压器TW901等构成,输出VCC. _12V (实测待机时为7.5V开机时为12V)、VBL_ .100V ( 实测待机时为14V,开机时为24V)两路电压。其中,VCC_ 12V电压为机芯电路部分和背光灯驱动控制IC供电,VBL100V电压为背光升压电路供电。
(1)FAN6755简介
FAN6755是飞兆半导体(Fairchild)公司推出的一款高度集成的绿色PWM控制器,内含软启动、时钟发生器、比较器、电压控制、激励放大等电路。FAN6755 加入了数项设计功能,能够降低总体功耗,其主要特点有:低工作电流,约为2mA,有效降低损耗,提高效率;固定的工作频率,65kHz( FAN6755W )/ 130kHz( FAN6755UW );自适应绿色模式,减少损耗,最小工作频率23kHz;MOSFET软启动,可有效地改善电磁兼容性,采用图腾柱结构驱动输出,可直接驱动MOSFET,还内置了一个18V的驱动输出钳位电路,防止驱动输出电压过高使MOSFET管的G极击穿;具有完善的保护功能,如欠压锁定(uVLO)、过压保护(OVP)、过流保护(OCP)、过载保护(oLP)和过温保护(OTP) 等功能。
FAN6755引脚功能与实测电压见表1。
市电整流滤波后产生的+300V左右直流电压经开关变压器TW901①-③绕组加到MOSFET开关管VW901的D极,同时AC220V市电经VDW901整流后,再经启动电阻RW905、RW906向NW907⑦脚(HV )提供启动电压,开关电源启动工作,NW907从⑤脚输出驱动脉冲,经RW914.加至VW901的G极,使vW901进入开关状态,vW901产生的脉冲电流在开关变压器TW901中产生感应电压。其中,TW901的辅助绕组(⑤-⑥绕组)产生的感应电压经RW920限流VDW920整流、CW920滤波后,得到vCC直流电压(待机约17V, 开机约31V)。
VCC电压经VW921、RW921、VDW921稳压及VDW922隔离后,得到约16V稳定的直流电压vcc1 ,给NW907⑥脚提供工作电压,以取代启动电路供电,让电路稳定工TW901的次级⑧-⑦绕组产生的感应电压经双二极管VDW963整流,CW966.CW967.LW950.CW968组成的T形电路滤波后,输出VCC_ 12V电压,为机芯电路供电,同时还为LED背光驱动控制芯片供电;TW901的次级①-⑦绕组产生的感应电压经VDW961//VDW962整流(两管并联以获得较大的整流输出电流)及CW963滤波后输出VBL 100V电压,为背光驱动电路中的升压电路供电。
(2)稳压控制电路
稳压控制电路由误差放大器NW955(EA1),光耦合器NW950( 817B )为核心组成,对NW907②脚(FB) 电压进行控制。当开关电源输出的vCC 12V电压因某种原因升高时,分压电阻RW953与RW956//RW957的分压值会随之而升高,使NW955的控制端(R极)电压升高,NW955的K极输入电流增大,NW950内部的发光二极管发光强度增强,NW950内部光敏三极管导通程度加深,即c-e极间的内阻变小,则NW907②脚电压变低,经NW907内部电路处理后,NW907⑤脚输出的脉冲宽度变窄,开关管vW901的导通时间变短,开关变压器储能减少,则输出电压降低,从而达到稳压的目的。当开关电源输出的vCC.12V降低时,其稳压过程与上述相反。当开关电源输出的VBL_ 100V电压升高或降低时,也会通过RW954与RW956// RW957进行分压取样,调整NW907⑤脚输出的脉冲宽度,达到稳定输出电压的目的。
(3)保护电路
尖峰脉冲吸收电路:在开关管由导通变为截止状态时,在开关变压器的初级绕组中会产生高达1kV的反向感应电压,这一高压会使开关管瞬间击穿。为了保护开关管,电路设置了由VDW911.CW911.RW910 ~RW912.RW916RW918组成的尖峰脉冲吸收电路。在开关导通期间,VDW911截止,该电路对电源工作没有影响;在开关管截止时,VDW911导通,将初级绕组中的反向感应电压释放,以防止反峰高压将开关管击穿。开关管过流保护电路:RW908为过流保护取样电阻,与开关管vw901的s极相连,将流过开关管的电流转换为电压。若负载电流增大,则RW908两端的压降增大,该电压通过电阻RW907反馈到NW907③脚。当③脚电压上升到保护阈值时,NW907关闭⑤脚的驱动脉冲输出。市电欠压保护电路:该电路由驱动控制电路NW907①脚内外电路组成。NW907①脚内设电压检测和保护电路,当①脚电压低于0.7v或高于5.3V时保护电路启动, NW907停止工作。
市电经整流滤波后,再经RW901 ~RW903. RW904与RW905.RW906分压后,送到NW907①脚。当市电电压过高或过低,达到保护设定值时,NW907保护电路启动,开关电源停止工作。输出过压保护电路:正常工作时,稳压管VD963截止,V966因基极无电流输入而截止,光耦合器NW966截止, vW930截止,对驱动控制电路NW907①脚的电压没有影响。当由于某种原因导致vcc.12V电压过高时,此电压会击穿稳压管VD963,vCC_12V 电压经VD964.R964 和R965分压后,加到V966的基极,迫使V966导通,光耦合器NW966内部的发光二极管发光,NW966内部的光敏三极管c-e极间的内阻变小,VCC1电压经NW966.R930和RW932分压后,加到vW930基极,迫使vW930导通,将NW907①脚电压拉低到门阈值以下,Nw907进入过压保护状态。
3.开/关机控制电路
开/关机控制电路由VW975.VW971 等组成,对开关电源稳压电路中的取样电阻的分压比进行控制,进而控制开关电源的输出电压。POW. ON/OFF控制电压由主芯片送来,待机时为低电平0V,开机状态为高电平3.25V。
(1)开机状态开机时,POW. _ON/OFF控制电压为高电平,VW975饱和导通,vW971截止,合理选取输出端所接的分压电阻RW954.RW953与RW956//RW957的分压比,可保证开关电源正常输出12V和24V。
(2)待机状态待机时,POW. ON/OFF控制电压由高电平变为低电平,VW975截止,vW971饱和导通。VW971饱和导通后,将电阻RW972并联在vCC_ 12V输出端所接的上分压电阻RW953的两端,而下分压电阻不变,VBL,100V的分压电阻也不变,这样就提高了取样电阻的分压比,通过NW955.NW950的作用,使反馈到NW907②脚的电压由开机时的2.8V降低到1.5V左右,电源控制芯片FAN6755进入低频振荡模式,即绿色模式,以减少损耗。此时,开关电源的vCC_ 12V输出端电压由开机时的12V下降到7.5V左右,VBL_100V输出端电压则由开机时的24V下降到14V左右,整机进入待机状态。实测开机、待机两种状态下,分压电阻分得的取样电压基本相同,即误差放大器NW955的R极电压基本不变(均为2.42V),但NW955的K极电压和光耦合器NW950①脚电压要变。
本文未结束,请继续阅读《康佳液晶电视35017517四合一驱动板开关电源、背光电路分析与故障检修(中)》。
