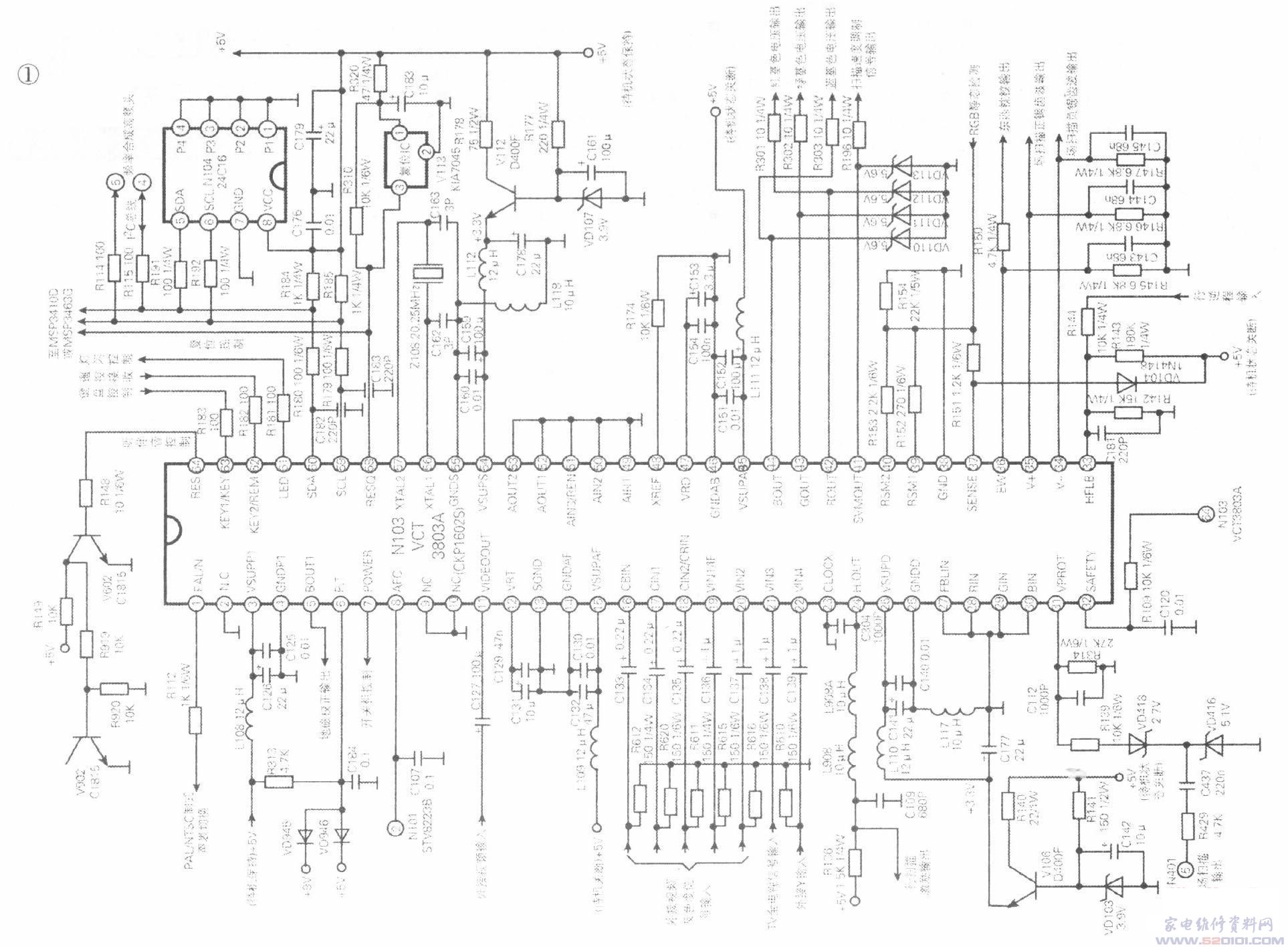
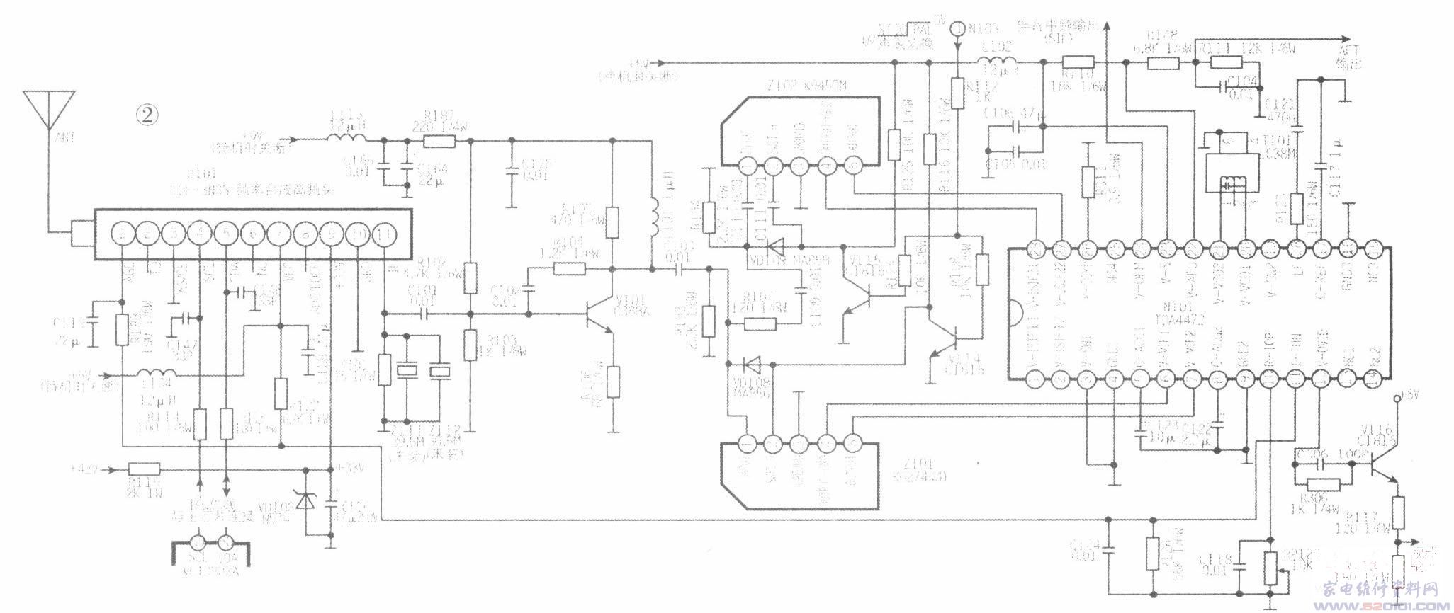
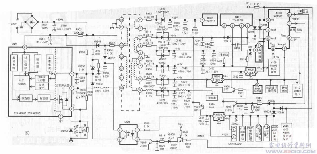
康佳P2960S/P2971s型彩电是康佳多媒体事业部于2002年5月惟出的第二代“越级芯片”彩色电视机,它的内部电路结构与第一代“超级芯片”完全不同,其中主芯片N103(包括微处理器和TV处理器)是采用德国微利公司出品的VCT3803A/01A。电视信号进入主芯片之前先经声表滤波器z101(K6274K/D图像中频带通滤波)、z102(K9450M伴音第一中频带通滤波)进行图像/伴音准分离,再进入视频信号处理(TDA4472)和伴音处理通道(MSP3463G),有效地提高了图像的清晰度和伴音的清纯度。康佳P2960S/P2971S型彩电的电源电路和场扫描功率输出电路分别采用了日本山肯公司推出的STR—G8656X混合集成电路和飞利浦公司最新推出的场扫描直耦功率放大器TDA8177F。整机电路结构简洁,可靠性提高。在第二代超级芯片镜面彩电P2960S/P2971S推向市场后,以该机型的核心电路结构为基础,仅在显像管型号选择和伴音信号处理等电路稍作改动后,陆续推出了21、25、34英寸多种型号“S”系列机型。为了给维修人员修机提供方便,现将P2960S/P2971S型彩电的主要电路元器件的脚协功能、集成电路的外围元器件和实测数据整理,供参考。图1为超级芯片VCT3803A(康佳软件号为CKP1602S)的应用电路。 
一、VCT3803A/01ACPU—TV超级芯片检修资料
1.VCT3803A/01A CPU—TV超级芯片应用电路见图1、
2.VCT3803A/01A CPU—TV超级芯片检修数据见表1(在康佳P2960S机实测)。注:本表适用的机型有:P2960S、P2976S、P2971S、P2971SN、T2975SN、P2571SN、T3476S等机型号。 

二、TDA4472 TV前置处理器检修资料
图2为康佳P2960S等机型前端信号处理电路图 
TDA4472TV检修数据见表2。 
三、24WC16P存储器检修数据(见表3)。 
四、K6274K/D图像中频带通滤波器检修数据K6274K/D应用电路见图2,检修数据见表4。 

五、K9450M伴音第一中频带通滤波器检修数据K9450M应用电路见图2,检修数据见表5。 
六、ETA—SF03/01频率合成高频调谐器检修资料 ETA-5F03/01应用电路见图2,检修数据见表6。 
七、TDA8177F场输出功率放大器检修数据
TDA8177F直接耦合场输出功率放大器的应用电路见图3,内部框图及交流信号连接应用电路见图4,检修数据叫表7. 

八、STR-G8656电源厚膜IC检修数据STR—G8656在康佳T29765型“s”系列彩电开关稳压电源的应用电路及副方供电电路见图5,STR—G8656检修数据见表8,主要元件检修数据见表9。 

九、MSP3463G音频信号处理器检修数据(见表10) 
十、TDA2616伴音功率放大器检修数据(见表11)。 
康佳P2960S/P2971S型彩电实用检修资料
2015-05-29 20:14:28
阅读 596 次
评论 0 条
版权声明:本文为转载文章,版权归原作者所有,欢迎分享本文,转载请保留出处!
