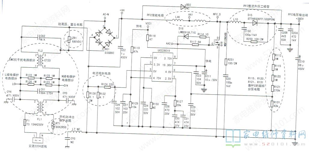
下图电路中的UCC28019是美国TI公司有源功率因数校正(PFC)芯片。该芯片采用平均电流模式对功率因数进行校正,适用于宽范围通用交流输入,输出为100W到2kW的功率因数变换器。其开关频率固定(65kHz),具有峰值电流限制、软过流保护、开环检测、输入掉电保护、输出过压/欠压保护等众多系统保护功能。
UCC28019引脚功能为:①脚(GND),地;②脚(ICOMP),电流环路补偿,跨导电流放大器的输出端;③脚(ISENSE),电感电流检测;④脚(VINS),交流输入电压检测;⑤脚( VCOMP ),电压环路补偿,跨导电压误差放大器的输出端;⑥脚( VSESE ),输出电压检测;⑦脚(VCC),电源输入端;⑧脚( GATE ),栅极驱动输出端。
版权声明:本文为转载文章,版权归原作者所有,欢迎分享本文,转载请保留出处!

