(1) 如果没有待机STBY5V输出,可把光耦PC151的次级③、④脚短接,即③脚强行接高电平5V,而后送至MCU( IC701 )的17脚进行交流输入检测,去掉待机保护,若有待机STBY5V输出的话,说明是该保护电路出现故障,否则就是待机STBY5V形成电路出现故障,从而进一步 检查此电路相关元件即可。
(2)如果没有16V、9V输出,可把Q203的c、e极短接,即Q203的C极变为低电平(相当于IC701的10脚输出高电平),P沟道MOS管Q201导通,而后产生16V、9V电压;若某种原因保护致使IC701的①脚输出低电平,Q203截止,Q201也截止,从而无16V、9V电压输出。
(3)如果PFC电压不正常,可把光耦PC152的次级③、④脚短接,即③脚强行接高电平STB5V,而后送至IC701 18脚进行PFC电压检测,去掉PFC电压保护,若PFC电压正常输出的话,说明是该保护电路出现故障,否则就是PFC电压形成电路出现故障,从而进一步检查此电路相关元件即可。
总之,可以通过IC701对各路电压的检测来判断是哪一路电压出了问题,还可以强行让某一路电压工作。
2.维修实例
故障现象1:不开机,指示灯不亮。分析检修:首先测量STB5V无电压输出,分析此STB5V是由u205产生输出,而U205则由IC701控制,IC701的25脚是U205的开关控制脚,实测为低电平,正常应为高电平。而U205的输入电压脚有5v,说明由IC151和T201组成的5V形成电路没有问题。IC701 要正常工作的几个条件:一是⑤脚要有5V供电;二是21、22脚晶体工作正常;三是23脚复位正常。测⑤脚供电正常,用示波器测X701有波形,而23脚外围电路没用,怀疑IC701不良,结果代换后还是没有sTB5V电压输出。仔细查看电路,发现IC701的17脚还有一个交流输入检测脚,实测为0V,正常应为4.9V,而此信号是来自光耦PC151的③脚,顺路检测D125、R144、R138、U121、ZD121、Q121等组成的交流输入检测电路后,发现当交流电压过低时,U121的控制极电压随之降低,致使U121导通率降低,那么PC151的初级端-极管发光减弱,次级的③脚电压也下降,MCU识别到后发出保护指令,致使sTB5V没有电压输出。另外还有-路是由R144、R142、R123、R137、R138、R139、R133、D122、ZD121(8.2v)、Q121等来完成过压检测,当交流电压过高时,zD121的负端电压也就会升高,当超过8.2V时,ZD121就会齐纳击穿,达到Q121的导通电压时就会饱和导通,同样使U121的控制极无电压产生。最后直接短接光耦PCI151的③、④脚,结果开机一切正常,经过仔细检测,发现zD121漏电,更换后故障排除,相关电路如图3所示。

建议在应急维修时,可以把PC151的③、④脚短接起来,而且最好把zD121换成10V的。
故障现象2:不开机,指示灯亮。分析检修:通电指示灯亮,二次开机后测量没有vs电压输出,取下电压板单独试机也没有VS输出,说明是电源板本身有问题。通电测量PFC电压能升至380V左右,但马上就降低,把IC801⑤脚断开,PFC电压也如此,那么基本确定是PFC形成电路有问题。PFC电压能升到380V左右,说明启动和振荡电路没问题,重点应在反馈和检测保护电路上。测量IC701 18脚(PFC的检测保护脚)时电压为4.9V,但马上就降低(正常为4.9V),于是把PC152的③、④脚短接,开机vs有电压输出,仔细检查VS的检测保护电路,发现ZD122漏电,更换后故障排除,电路如图3所示。
故障现象3:无vS电压输出,指示灯亮一下就熄。分析检修:由于是单独维修电源板,所在vS输出端接一一个100W的灯泡作假负载,以便观察。通电发现指示灯亮一下就熄,检测VS电压没有输出。短接pPC151的③、④脚和PC152的③、④脚,通电测量PFC电压正常,而开机瞬间测量VS能升至90V左右。进一步检测VA电压发现有117V,明显偏高(正常应该为69V),代换IC901,故障依旧,再代换U901(KIA431 )后故障排除,相关电路如图4所示。

故障现象4:无VS电压输出。分析检修:通电测PFC电压能升到380V,说明PFC电路没有问题,进一步检测IC801的⑥脚有13.34V供电,而检测③脚却有8V左右电压,说明MOS管Q801、Q803过流了,使过流检测电阻R805、R816两端电压升高,送至其③脚内部进行电压比较检测。一般引起过流的原因除了MOS管击穿损坏外,还有就是IC801内部击穿所致。在检查VS电压的反馈支路和输出支路没有发现异常元件情况下,回头检测IC801的⑤脚输出的驱动信号对地阻值明显偏小,断开外围电路也如此,代换NCP1207后故障排除。
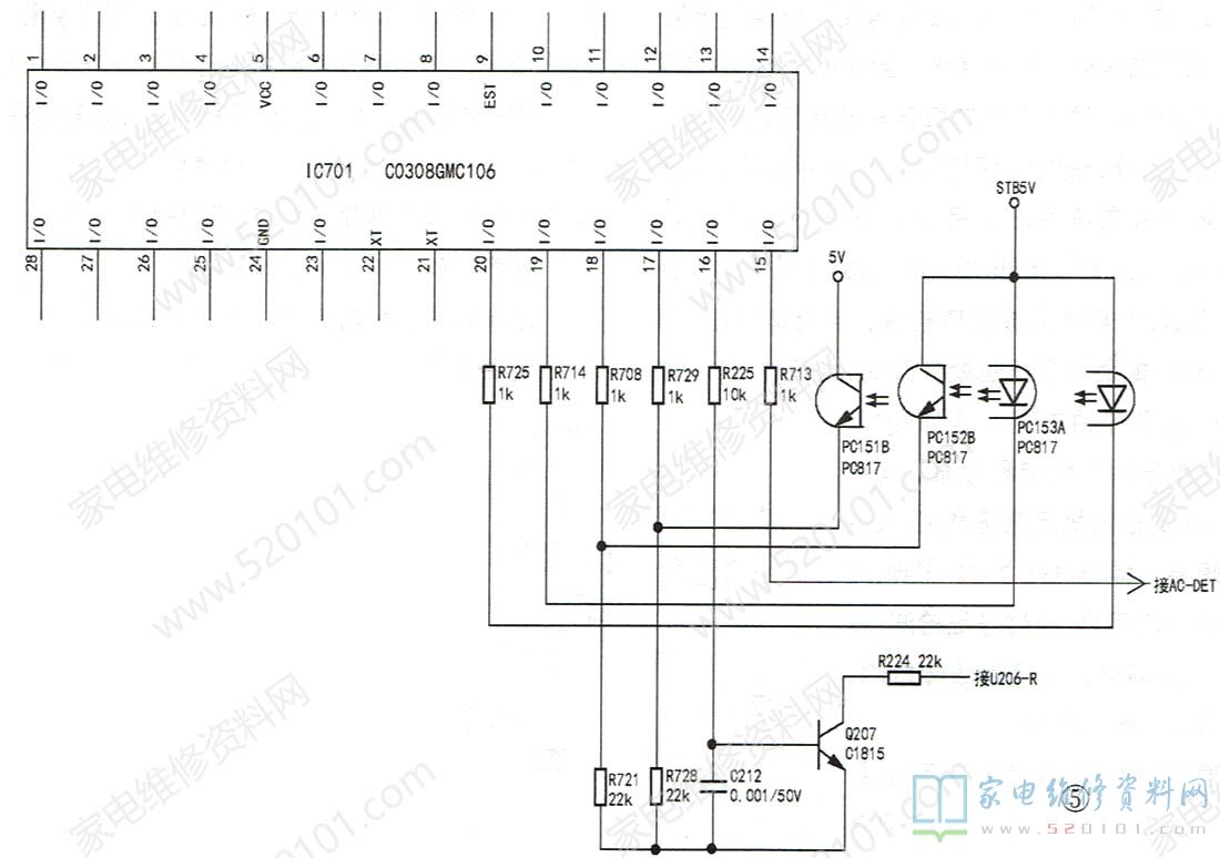
故障现象5:PFC不启动。分析检修:开机检测VS没有电压输出,测量PFC电路也没工作,于是短接PC151和PC152的③、④脚,PFC电路还是不工作,再短接PC153的①、②脚,结果PFC电路工作了,说明MCU输出的PFC控制有问题。而此信号是从MCU的19脚输出,于是测量19脚有5.12V,顺路检查发现至电阻R714一端有而另一端却没有电压了,仔细观察发现R714已经有裂纹了,更换后故障排除。故障部位电路见图5所示。
