采用T.VST59S.63KP三合一主板的组装液晶电视不开机维修

2022-07-31 01:11:22  阅读 1010 次 评论 0 条
摘要:

接修一台杂牌(标注为“王牌”)液晶电视,故障表现为红色指示灯亮,但是无法二次开机。据用户讲,该机是在正常收看中突然变成这样的。拆机,用镊子短接面板各按键引脚,仍然无反应。测量主板(三合一万能板,板号:T.V

     接修一台杂牌(标注为“王牌”)液晶电视,故障表现为红色指示灯亮,但是无法二次开机。据用户讲,该机是在正常收看中突然变成这样的。拆机,用镊子短接面板各按键引脚,仍然无反应。测量主板(三合一万能板,板号:T.VST59S.63KP)上的3.3V稳压块U7输出电压正常。因不知道该机正常时指示灯的颜色,会不会只是背光不亮?接上LED灯条检测仪,背光亮度正常,同时给电视通电,屏幕上无任何显示,由此确认问题在主板上。用编程器在线升级无效,基本排除软件异常的可能性。

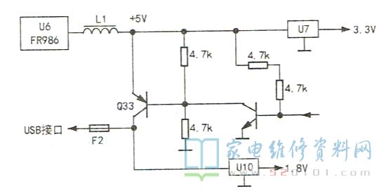
      测量晶振两端电压分别为 1.2V、1.4V,代换晶振无效;测量主芯片TSUMV59XUS-Z1的115脚(复位端,外接③脚复位芯片MAX810S )开机时电压升到2V马上降为0V,属于低电平复位,应当正常。难道主芯片有问题?但在线升级时,编程器可以识别出主芯片型号,这说明主芯片问题不大。再次测量主板上各稳压块的输出电压,发现U10输出电压为0.8V,正常值应为1.8V。测其输入端电压为1.8V,明显不正常。实绘出U10的输入、输出电路如图1所示。

采用T.VST59S.63KP三合一主板的组装液晶电视不开机维修 第1张

      二次开机后贴片三极管Q33导通,U10稳压输出1.8V电压。测得Q33的e极电压正常,判断Q33性能不良。仔细观察,Q33表面已有烧坏痕迹。直接短接Q33的c.e极后试机,故障排除,此时红灯变蓝色。

     在检修过程中,用户说他家小孩常用该机的USB接口为手机充电。由于手机的充电电流较大,即流过Q33的c.e极的电流较大,长时间工作后导致Q33的性能变差。

版权声明:本文为转载文章,版权归原作者所有,欢迎分享本文,转载请保留出处!