首先了解该机PFC电路的工作原理:二次开机,主板发出高电平开/待机控制信号(STANDBY)后,QP451饱和导通,光耦NP101初级发光二极管发光量增大,次级光敏三极管导通量增强(导通电流增大),QP109、QP104饱和导通,从而形成VCC(UP102供电)和PFC-VCC(UP202供电)电压。PFC-VCC电压送入UP202的⑧脚,当达到内部启动电压后,振荡器产生的PWM驱动脉冲信号从⑦脚输出,送至驱动管QP205栅极,此时QP205导通从而形成电流( 正弦波脉冲电压->储能电感LP203->QP205->RP223->地),在LP203上产生感应电动势并开始储能。随着QP205的导通电流逐渐增大,其源极的取样电阻RP223上的压降也会增大,当UP202的⑤脚(CS)过流检测电压达到关断阈值时,促使内部MOSFET驱动器关闭,QP205也被关断,此时,储能电感LP203上的感应电动势开始反转并释放能量,其感应电压与桥式整流出的300V电压叠加,再经DP211整流、CP103滤波,得到PFC-380V电压。当储能电感LP203释放完能量后,其电流降为零时,UP202内部PWM驱动脉冲信号又开始进行上述循环,进入下一个工作周期。
当后端负载原因使QP205过流,源极的检测电阻RP223.上压降达到0.5V时,加至UP202的⑤脚,使內部MOSFET驱动器关闭,停止驱动脉冲输出,从而达到过流保护的目的。相关电路如1所示。

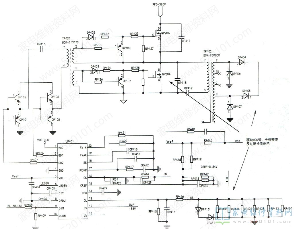
背光驱动电路工作原理简介:二次开机后,STANDBY (开/待机控制信号)高电平加至QP401的基极,QP401饱和导通,QP402的基极因得到低电平也随之导通,从集电极输出,从而形成vcc-LLC电压,加至llC-半桥脉宽调制控制芯片UP401(uCC25710)的①脚;同时,从主芯片输出背灯开/关控制信号(BL-ON/OFF),使QA02截止,从其集电极输出的高电平BL-ON/OFF信号,加至UP401的10脚;再者,从主芯片输出低电平亮度调节信号(BL DIM),使QA01截止,从其集电极输出高电平背光调节信号(BL-ADJUST)加至UP401的⑨脚。当背光驱动芯片UP401的18脚外围软启动电容CP415充电达到9V以上时,内部开始启动工作,从其③、②脚输出PWM驱动脉冲信号,分别加至QP101和QP102、QP105和QP106组成的前级推挽放大电路放大后,通过开关变压器TP401感应出正负激励脉冲信号,使半桥功率放大MOS管QP107、QP108处于交替导通截止状态,通过TP402释放能量,其次级感应电动势通过DP404~DP407全桥整流,CP427、CP428滤波得到LED1+电压,通过插座cON402输出,给LED灯串提供高压,点亮LED灯珠。
当发生LED灯珠击穿或打火时,LED背光灯插座LED1-会在过流电阻RP435~RP438上检测到电压超过0.64V (与UP401的16脚设定的参考电压比较),致使内部驱动器停止工作,达到过流保护的目的。相关电路如图2所示。

从以上分析不难看出:既然同时烧坏背光驱动和PFC电路相关元件,那么可以肯定背光驱动输出电路或背光灯条出了问题。为验证判断的准确性,使用LED测试仪工装,检查出背光灯条存在短路。由此说明,一旦灯条出现短路,势必造成大电流,使加在背光驱动输出的整流二极管电流迅速增大而被击穿,同时引发流过背光驱动MOS管QP204、QP206电流增大,超过其自身最大承受的电流后也击穿短路,再者QP206连接着PFC电压,故QP205及电路相关元件一- 并烧毁。将全部损坏元件更换后,输出电压恢复正常。
提示:有大面积元器件烧坏时,如图3所示,还得注意检查PFC电路是否有元件同时损坏。此长虹自制电源板出现该故障较多,主要原因是采用的背光驱动输出的整流二极管和驱动MOS管的耐压和电流峰值偏小,若是背光灯条稍有短路或打火,即会击穿短路。换新时,需购买高于原耐压和电流值的整流二极管和驱动MOS管。DMTM50D-1SF560-B与DMTM50D-1SF560-A(图号:JUC6.692.00161061)的结构、PCB排列稍有差异,其工作原理完全一样,可参考。