长虹55Q1R液晶电视背光亮一下后黑屏的故障维修

2022-05-27 17:10:45  阅读 1242 次 评论 0 条
摘要:

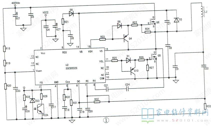
接修一台长虹55Q1R液晶电视,故障表现为背光亮一下后黑屏,伴音正常。该机电源组件型号为FSPL55S-1M2 5A8。SSC9502S(U2)与外接的 Q5、Q6和变压器T1组成的电路输出24VBL电压

      接修一台长虹55Q1R液晶电视,故障表现为背光亮一下后黑屏,伴音正常。该机电源组件型号为FSPL55S-1M2 5A8。SSC9502S(U2)与外接的 Q5、Q6和变压器T1组成的电路输出24VBL电压,给背光电路供电。主板输出的DIM、BLON/OFF和PSON信号分别送到电源组件插座CN4的①、③、⑤脚,然后又通过插座CN2连接到背光电路。上电,测试CN4的①、③、⑤脚控制信号电压均为稳定的3.3V,表明主板控制电路工作正常,但CN2的10~14脚的24VBL供电在开机瞬间为20V ,背光点亮后立即降为0V,判断电源电路有问题。

      取下电源组件单独维修将12VSB电压通过一只820k电阻分别接到CN2的①、③、⑤脚,24VBL电压仍不稳定,由此判断24VBL电压形成电路误保护。U2①脚外接PFC电压取样电路,如图1所示,若工作不稳定会影响U2工作。U2的⑥、⑦脚外接LLC工作电流检测电路,若检测电压达到3V,电路会过流保护。⑨脚为LLC振荡电路OVP检测,当此脚电压达到4.7V时,电路过压保护。检测u2①脚电阻R18~R20没发现问题,并清理了这些电阻下面的固定胶后通电,故障依旧。检查⑥、⑦脚外围电路,断开C22后故障消失,由此判定故障在⑥、⑦脚外围电路。检查这部分电路,发现电阻R33-脚虚接,补焊R33后通电试机,故障消失。

长虹55Q1R液晶电视背光亮一下后黑屏的故障维修 第1张

版权声明:本文为转载文章,版权归原作者所有,欢迎分享本文,转载请保留出处!