长虹MPS35D-1MC-220型电源二合一板主要用于长虹39英寸LED液晶彩电中,主要机型有LED39B1000C、LED39B31001C等。该板采用LD7577(UF1)作开关电源控制块,采用RT8525A(IC1)作背光电压形成和背光恒流控制芯片。UF1与开关管QF1、变压器TF1组成反激电源,输出背光电路工作所需48V电压和主板信号处理电路所需的12.3V电压,如图1所示。
1、12V, 48V电压形成电路
上电后,UF1在⑧脚提供的高电压作用下,内部电流源对⑥脚外接储能电容EC10、EC7充电,当⑥脚电压达到启动电压16V时,IC启动,内部osC(振荡器)工作,从IC⑤脚输出开关信号使QF1工作在开关状态。当QF1饱和导通时,300V电压通过TF1初级绕组及QF1、RF25等形成电流回路,并在TF1初级建立能量。当驱动脉冲变为低电平,即QF1截止时,TF1初级感应能量通过次级各绕组泄放,整流滤波后供给各负载。在此开关电源中,驱动脉冲频率由①脚外接电阻RF17、RF16决定。①脚还接有交流掉电检测电路。正常时,AC220V 电压经RF10~RF13、RF16、RF17降压和分压后对CF6充电,并与VCC1一起使①脚电压维持在2.4V左右。当AC220V掉电时,CF6两端电压维持①脚供电,强制IC衰减振荡,防止QF1等元件损坏。
该电源稳压系统由跟踪12.9V电压的变化来实现。12.9V电压通过RF22、RF34、RF29分压接入UF2(TL431)的R端,经UF2控制光耦PFI,从而控制UF1 ②脚(FB)电压,以改变PWM驱动信号频率,实现开关电源输出电压稳定。当电路发生过载或严重短路故障时,UF1内置OLP(过载保护)功能启动,关闭栅极驱动输出,开关电源无输出。QF1工作电流在并联电阻RF23、RF24、RF60 上建立电压,并经RF20送入UF1③脚,经IC内电流比较后输出信号控制PWM驱动脉冲占空比,控制QF1导通时间,以达到控制电流的目的。
当UF1 ③脚电压达到0.85V时,将触发0C保护功能,停止输出驱动脉冲。QF3为12.3V 过压检测管。当12.3V过高时,ZF1击穿,QF3饱和导通,PF1因②脚被瞬间拉低而饱和,UF1②脚电压为0V,PF1停止工作。UF1引脚功能与实测电压见表1,供参考。
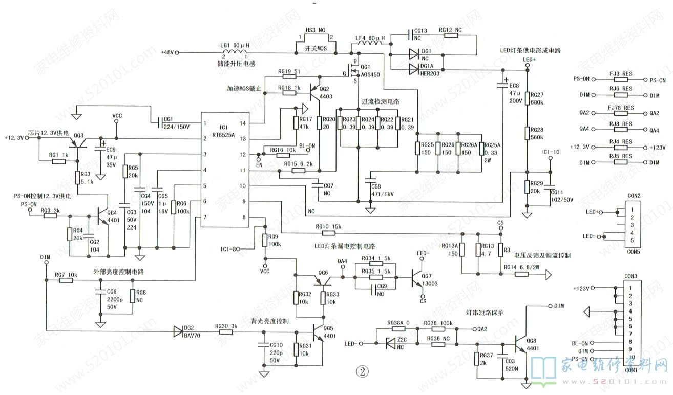
2、背光控制电路
背光控制电路如图2所示。开关电源产生的12.3V通过RJ4送给QG3的e极,QG3受QG4控制。二次开机后,电源启动控制信号PS-ON为高电平,QG4饱和导通,QG3导通,12.3V通过QG3的e、c极接入IC1②脚。IC1内部12V的LDO调整器工作,输出稳定的12V电压供给IC内部振荡电路。振荡电路工作,从④脚输出栅极驱动信号,控制由QG1.LG1.DG1.EC8等元件组成的自举升压电路。LG1 端电压与48V叠加,在EC8两端建立的120V电压(LED+ )供给背光灯串。灯串工作后,从负极流出的电流通过QG7的c、e极,并在RG13.RG13A、R3两端形成电压。该电压经RG10送给IC1⑨脚,IC1据此电压通过PWM电路调整驱动脉冲占空比,以控制LED+电压,实现灯电流的恒流控制。同时,主芯片输来的DIM(背光亮度控制 )信号接入IC1 ⑦脚,IC1也通过内部PWM电路调整驱动频率,实现灯串电流控制。同时,DIM信号经DG2.CG10转换成变化电压,再通过QG5.QG6控制QG7的导通程度,进-步控制灯串电流。
IC1 10脚外接取样电阻,对LED+电压分压。当10脚电压超过2.5V时,IC1判定灯串供电过压,此时逻辑电路停止驱动输出;当10脚电压低于0.1V时,保护电路也会启动,停止驱动输出。此时IC1⑧脚(FAULT)为低电平(正常工作时,⑧脚因通过RG9接vCC而呈高电平)。IC1 11脚外接开关管过流检测电路。QG1的工作电流在电阻RG21~RG24两端建立电压,并送入IC1 11脚,经IC内部消隐电路排除尖峰干扰后,送入误差放大电路中,调整驱动信号的脉宽,即改变LG1的储能时间,达到调整自举电路工作电流的目的。当11脚电压超过0.4V时,IC内OC保护电路将启动,⑧脚呈低电平,停止驱动输出。IC1引脚功能与实测电压见表2,供参考。
3.故障检修实例
例1:一台长虹LED39B3100C型机,开机后有伴音,黑屏。
分析检修:上电试机,背光不亮。测LED+电压为48V,正常时应为120V,由此判断背光电路有问题。测IC1②脚12V供电正常,使能脚②脚电压为2.6V,也正常,但10脚(COVP)电压为2.5V,不正常,且⑧脚为低电平,说明1C1进入了过压保护状态。检查IC110脚外接取样电阻RG27~RG29,正常;拆下这3只电阻,清洗电路板后重新焊接好,上电开机,故障排除。此时测得10脚电压降为1.7V ,⑧脚为高电平。
例2:一台长虹LED39B100JC型机,三无。
分析检修:.上电测开关电源输出的12V、48V电压均为0V,由此判定故障在开关电源电路中。测电容EC1两端电压为正常值300V,由此判定开关管QG1正常。测⑥脚(vCC)供电在18V左右波动。首先检查⑧脚外接电阻RF8.RF9,正常;然后检查⑥脚二次供电通道中的ZF3、CF11、EC7、RF45等元件,发现稳压管ZF3击穿。更换ZF3后通电,故障排除。此时测得UF1⑥脚电压为稳定的23V。
例3:机型与故障现象同例1。
分析检修:上电,测加在灯串上的电压为48V,说明背光升压电路没工作。测IC1 2脚12V,供电正常;12脚输入的BL ON电压为3.2V,⑦脚输入的背光亮度电压为3.1V,⑧脚电压为12V,均正常,说明电路没有出现过流、过压或过热等故障。怀疑IC1振荡电路或驱动电路有故障,检查⑤脚外接振荡电阻RG6正常;在通电瞬间测试④脚波形,无脉冲波形,由此判定IC1内部PWM驱动电路有故障。更换IC1后试机,故障排除。


