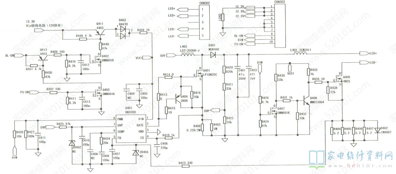
在长虹液晶彩电中,背光控制芯片采用OB3350的典型应用电路如图1所示,OB3350的引脚功能与实测电压见表1。开关电源输出50V电压,供给由Q401、L402、D401、C401组成的自举电路,在C401 上建立稳定的LED灯串电压。灯串电流通过电流控制管Q409的D.S极及电流检测电阻R404~R407到地,在电流检测电阻上建立的电压送入U401的⑤脚,经误差放大后输出变化电流,对⑥脚外接补偿网络充电,由此建立的电压反馈回Ic内部,控制②脚输出驱动脉冲的脉宽,即改变L402的储能,实现LED灯串电压的调整。主板送来的DIM亮度控制信号通过Q407、Q408放大后接Q409栅极,实现灯电流调控。灯串电压经R420~R422分压后接入Ic⑦脚,经IC内部控制驱动脉冲的脉宽,起到稳定灯供电的作用。
  
 
例1:一台LED39B1000C型机,屡损电源保险管。
 分析检修:该机电源组件型号为HS35D-1MF190,主电源采用NCP1251,输出主板工作所需12V和背光电路所需的50V电压。经查,除开关电源中的NCP1251、脉冲驱动管开关管损坏外,背光LED自举电路中D401、Q401已击穿。将上述损坏件全部更换后,单独检测电源板,在保险管F101处接入一只100W灯泡,上电测得开关电源输出的12V电压正常。将接主板插座CON303中的ps-on、Dim、BL-ON端各接一只1k电阻到12V上,以强制开启背光电路,此时测得插座CON302中的LED+端对地电压为48V,说明由U401 (OB3350)、Q401、D401、L402等元件组成的自举升压电路有问题。考虑到D401、Q401已经更换,故怀疑U401损坏,代换U401后通电,测LED+ LED-两脚间电压为157V,正常。装机试验,工作一段时间后故障复发,怀疑故障系背光电路某元件工作不稳定引起。细查U401②脚外接驱动电路中的R413、R414、Q404,④脚外接电流检测电阻R408,发现R413阻值增至11Ω更换R413后长时间试机,故障不再出现。
        提示:故障原因是Q401驱动不足,导致Q401过热击穿,并连带损坏其他元件。
 例2:一台LED39B1000C型机,开机后图像、声音正常,但机内发出较大的噪音。
 分析检修:拆机检查,测得开关电源输出的12V、50V电压均正常。为确认噪音来自开关电源还是背光电路,将背光电路控制信号BLON断开,让背光电路停止工作,此时主电源工作,且噪音消失,由此确认噪音来自背光电路。代换灯串供电滤波电容C401、C403无效,代换1402后故障排除。
 例3:一台LED39B1000C型机,开机后背光亮一下即灭。
 分析检修:上电测开关电源输出的12.3V电压正常,但LED+ LED-间电压为0V,说明故障在背光电路中。测U401④脚外围电路正常,转向检查⑦脚(OVP )外围电路,发现贴片电容C410漏电,导致⑦脚电压下降,U401误判灯串短路引发保护。更换C410后试机,故障排除。 
例4:一台LED42560型机,开机后背光不亮。
分析检修:该机电源组件型号为HSS35D-1MB 380。上电后测得开关主电源输出的12V、52V电压均正常,但LED+端对地电压也为52v,判断背光电路没有工作。测得OB3350①脚vcc供电仅6.2V,远低于正常值12V。将Q411的c.e极短接,①脚电压仍不正常,怀疑IC坏或C405漏电。断开C405后,①脚电压恢复正常,由此判断C405漏电,将其换新后,故障排除。
例5:一台LED32B1000C型机,开机后伴音正常,背光不亮。
分析检修:电源输出的12V电压正常,且插座cON303中的standby、BL ON.DIM端都为高电平,且LED+端对地电压由开机瞬间的150V(偏高)慢慢降到53V,判定电源板(型号:HSS35D-1MF190)上的背光电路进入了保护状态。断开OVP检测电路中的R425开机,仍保护;断开⑦脚外接电容C410,故障依旧。检查④脚外接检测电路,未发现异常;检查灯串插座CON1无打火、虚接等现象。测得DIM信号电压为3.1V,Q407导通,Q408的栅极电压为0.6V,D极电压为0.9V。显然,Q408工作异常。拆下Q408检测,已漏电。更换Q408的通电,故障排除。这时测得CON1插座中LED+ LED-端之间的电压为98V,Q408 D极电压为6.1V,G极电压为0V。
提示:Q408漏电后恒流控制管Q409截止,灯条因无电流回路而不发光。
 
								