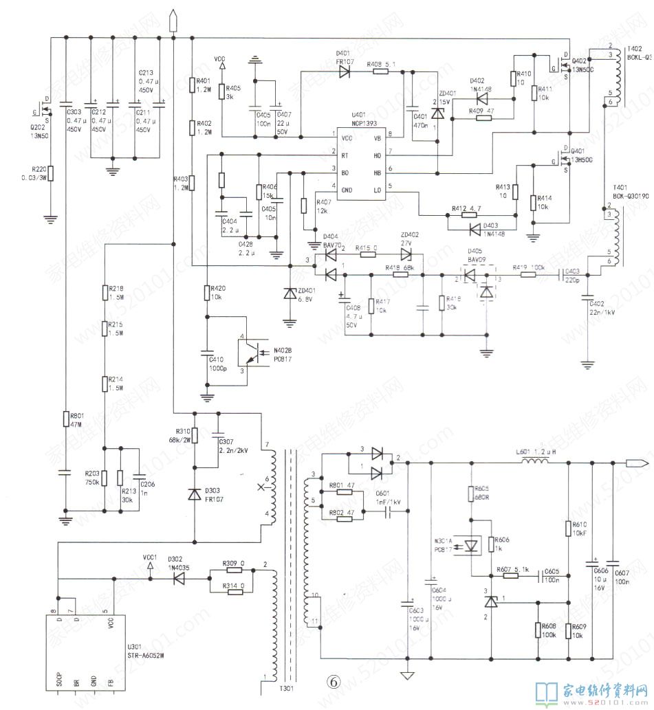
接修一台UD55B6000iD型机( 机芯:ZLM47HiS),故障现象为无规律自动关机。该机的自动关机故障,比较让人头痛,因为该机出现的是无规律自动关机,有时一天几次,有时几天出现一次。自动关机故障一般跟 电源板和主板故障有直接关系,如果电源板输出电压不稳定,就会导致主板.上的电源控制芯片(DC-DC或LDO转换)形成的相关电压输出不正常,从而引发相关电路(主芯片EMMC.DDR FLASH、EEPROM等)不能正常工作而出现自动关机。所以,首先检测该机电源板(板号:HS250S -4SFO1 )输出的24V、5V电压是否正常。结果发现24V.5V都有不同程度的微动变化,由此说明故障和电源板有关。
首先检测PFC电压,发现它在369V~371V之间变化(正常390V),明显不正常。因为PFC电压同时送给形成24V高压半桥驱动振荡控制芯片U201 (NCP1393) 的③脚( 欠压反馈)。MOS管Q402的漏极.5V开关电源控制芯片U301(STR-A6052M),所以PFC电压不正常会影响24V和5V电压的稳定输出。因此也可以确定该机故障是PFC电压异常造成的。对于PFC电压偏低情况,在很多品牌使用过的电源板故障中经常遇到,所以进行常规处理:清洗PFC电压形成的过压、欠压支路中的电阻.R213-R216.R401-R403.上的印字板粘胶,然后检测PFC电压已恢复为正常的390V,24V和5v电压也稳定。连接主板后开机试验,屏幕显示一直卡在开机LOGO ,难道主板也有问题?通常,出现开机卡LOGO故障只要通过U盘升级更新软件即可解决,于是下载最新整机软件用U盘升级后,故障依旧,怀疑引导程序也损坏。
试着重新写入引导程序后,试机,图声恢复正常。长时间试机,故障没有重现,说明故障彻底排除。相关电路如图1所示。提示:维修这行是需要静心去思考和研究的,故障原因也并非单一的,因此不能盲目,否则会带来不必要的麻烦和损失。
 
								