长虹50Q3T液晶电视(ZLM65H-iP-2机芯)有声音且灰屏的故障维修

2021-12-28 16:57:00  阅读 898 次 评论 0 条
摘要:

一台长虹50Q3T液晶电视(机芯:ZLM65H-iP-2)故障现象是有声,灰屏。根据有声音可初步判断来自电源板输送的电源电压正常,主板各LDO产生的给相应电路提供的电压(12V、5V .3.3V、1.8V

      一台长虹50Q3T液晶电视(机芯:ZLM65H-iP-2)故障现象是有声,灰屏。根据有声音可初步判断来自电源板输送的电源电压正常,主板各LDO产生的给相应电路提供的电压(12V、5V .3.3V、1.8V.1.0V等)也正常,灰屏是上屏电压、逻辑板或显示屏出问题所致。由于该主板为信号处理电路与逻辑电路一体,所以,在检测.上屏电压12V-VCC. PANEL正常的情况下,需进一步检测供给液晶显示屏的相应控制电压和控制信号是否正常。

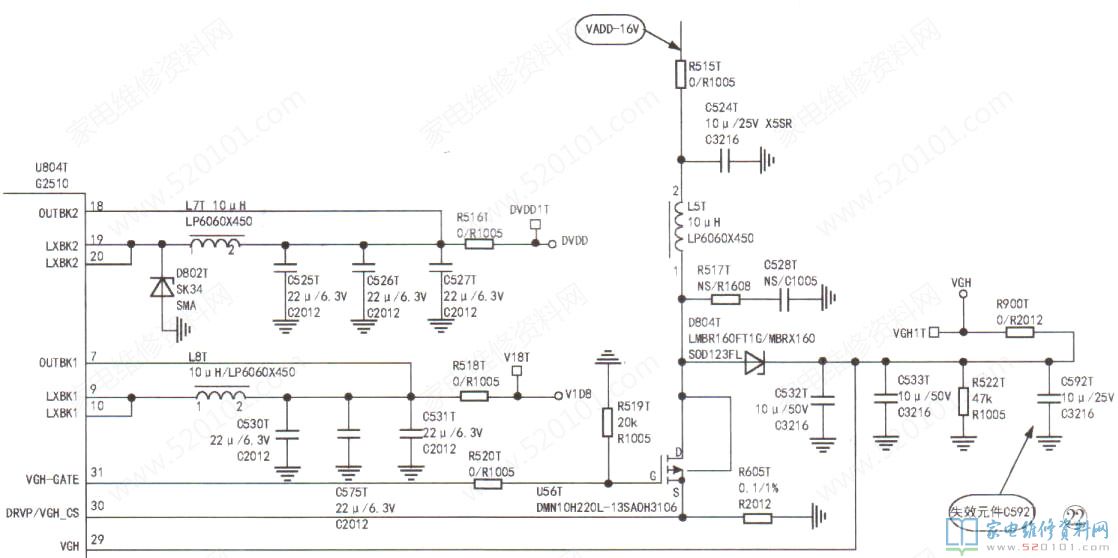
      在此需要特别强调的是,要想液晶显示屏能正常显示图像,其中最重要就是Opencel(俗称玻璃面板)中的薄膜晶体管TFT必须要有的VGH(开启)和VHL(关闭)两个电压正常才能工作(不管是单独的逻辑板还是二合一板,这两个电压是关键)。同时还需AVDD (16V ).DVDD(3.3V)、1.8V等电压的支撑。经过检测发现VGL电压为正常的-8V,而VGH电压只有3.4V左右(正常为30V),明显异常。

长虹50Q3T液晶电视(ZLM65H-iP-2机芯)有声音且灰屏的故障维修 第1张

      分析电路,逻辑电路中的电源芯片U804T(G2510)在得到上屏电压12V-VCC_ PANEL后开始工作,并从其③脚输出驱动脉冲信号VGH_ GATE,去驱动MOS管U56T的导通和截止。当vGH_ GATE驱动脉冲信号在正半周时,U56T(N沟道)的漏极得到VADD(16V)电压使其工作于导通状态,并通过对电感L5T进行充电储能;当驱动脉冲信号VGH_ GATE在负半周时,U56T截止,电感L5T开始释放能量并与16V电压叠加,再经过D804T隔离,电容C532T、C592T滤波,形成VGH开启电压30V。VGH电压异常(其线路相关元件存在损坏),在检查U56T.L5T.D804T均正常的情况下,断开滤波电容C592T,VGH电压立刻恢复30V左右。更换同规格电容C592T( 10uF/25V ),故障排除。相关电路如图22所示,实物检测点如图23所示。

长虹50Q3T液晶电视(ZLM65H-iP-2机芯)有声音且灰屏的故障维修 第2张

     提示:电容C592T漏电是该机芯主板的通病。

版权声明:本文为转载文章,版权归原作者所有,欢迎分享本文,转载请保留出处!