例1:一台65AQ5型(ZLS69HTTs机芯)液晶电视,开机后屏亮一下后熄灭,或亮暗闪烁几次后熄灭。
分析检修:通电,测主板上的12V电压正常,但供OLED屏的24V电压为0V,PFC电压上升至361V后又降为300V,由此判定PFC电路有故障,因24V形成电路在启动时检测PFC电压,若PFC电压异常,则该电路停止工作,从而出现本故障。该机电源组件(型号:R-HLS6()STS216A5)受主板提供的PFC电路启动信号PS_ON和屏供电(12V)的开/关信号(LVDS-ON/OFF)控制,测试这两路信号电压均为3.1V,正常,说明主板无故障。
该机PFC电路采用NCP1631(U201),其⑪、⑭脚输出双路开关驱动信号,分别通过Q203、Q2O5缓冲放大后,送往Q20KQ202栅极,控制由Q201、Q202、L201、L2()2、D201、D202、C201〜C203等元件组成的PFC能量转换电路工作状态,最终在C201〜C203建立起稳定的390V〜400V电压,供后续电路稳定工作,如图1所示。
上电,测得U201⑫脚电压为11.6V,且波动,怀疑故障与此有关,于是检查⑫脚外接供电电路,发现抗高频干扰电容C216漏电,将其换新后试机,故障排除。
例2:一台65AQ5型液晶电视,开机后屏不亮,但伴音正常。
分析检修:上电,测得开关电源输出的24V电压为0V,PFC电压仅为300V。单独检测开关电源:将插座CON02⑮、⑯脚(12V)通过一只82k。电阻接插座①、②脚,使这两脚(PS-ON、LVDS-ON/OFF)呈高电平,即强制启动开关电源各电路,这时测得U201⑫脚供电正常。断电,测量U201②脚(FB)反馈回路、⑧脚(OVP)外接取样电阻R205~R213及抗干扰电容C212,未见异常,清除各元件下的固定胶,故障依旧。
接下来对由U201①、⑯脚与L20LL202次级等元件组成的电路进行过零检测检查,未发现异常。.U201⑨脚(CS)是整个PFC电路与电网间环路工作电流的检测输入端,它是一负电压信号,当该脚电压超出限定阈值时,IC会进入保护状态。检测回路电流取样电阻R201〜R204,均正常。⑮脚是IC内5V参考电压形成端,测试5V电压正常。测量③脚外接电阻R222,⑥脚外振荡电阻R224,均正常。测得⑦脚电压仅0.3V,异常,正常电压应高于1.0V,检查⑦脚外接电阻R214〜R220正常,清除R214〜R220下的粘胶后试机,PFC电压恢复正常,故障排除。
例3:一台65AQ5型液晶电视,在通电瞬间面板指示灯亮,随后熄灭,整机不工作。
分析检修:本机故障现象表明主板部分电路在通电瞬间能启动工作,但因意外原因又停止工作,其原因通常是主板供电系统或开关电源提供的电压异常。在通电瞬间,监测12V电压,发现输出12V后又快速降为0V。拔掉开关电源接主板的连接线后再试,12V仍不正常,说明开关电源有故障。12V形成电路由U301(NCP1271),开关管Q301和变压器T301及次级整流管D401J3402,滤波电容C40HC405等元件组成。
U301①脚外接有由光耦N302及Q403、D403、D404、ZD401、ZD402等元件组成的12V或屏24V供电过压检测电路,当12V或24V过压时,N302导通,U301⑥脚供电通过N302接入①脚,当N361①脚电压超过8V时,N301保护功能启动,整个电路停止工作。若怀疑故障由上述电路引起,可断开N3O2后通电,若12V恢复正常,则表明故障确在上述过压检测电路中。U301②脚是12V稳压控制端,外接以N301为中心的稳压控制电路;⑤脚为开关驱动信号输出端,驱动Q301;③脚接R301,对Q301的工作电流进行检测;⑧脚经R310、R309接PFC电源,为U301⑥脚提供启动供电;⑥脚持续供电由Q302提供,同时⑥脚还接有由D309、Q305、Q3()6等元件组成的掉电控制电路Q断开N302后通电,测得12V不正常,且U301⑥脚电压仅5.6V。检查U301⑧脚启动供电及由Q305、Q306等元件组成的掉电电路,均正常;再查⑥脚外辅助供电电路,未发现异常,怀疑U301有问题,将其换新后试机,故障排除。
例4:一台65AQ5型液晶电视,开机后黑屏,但伴音正常。
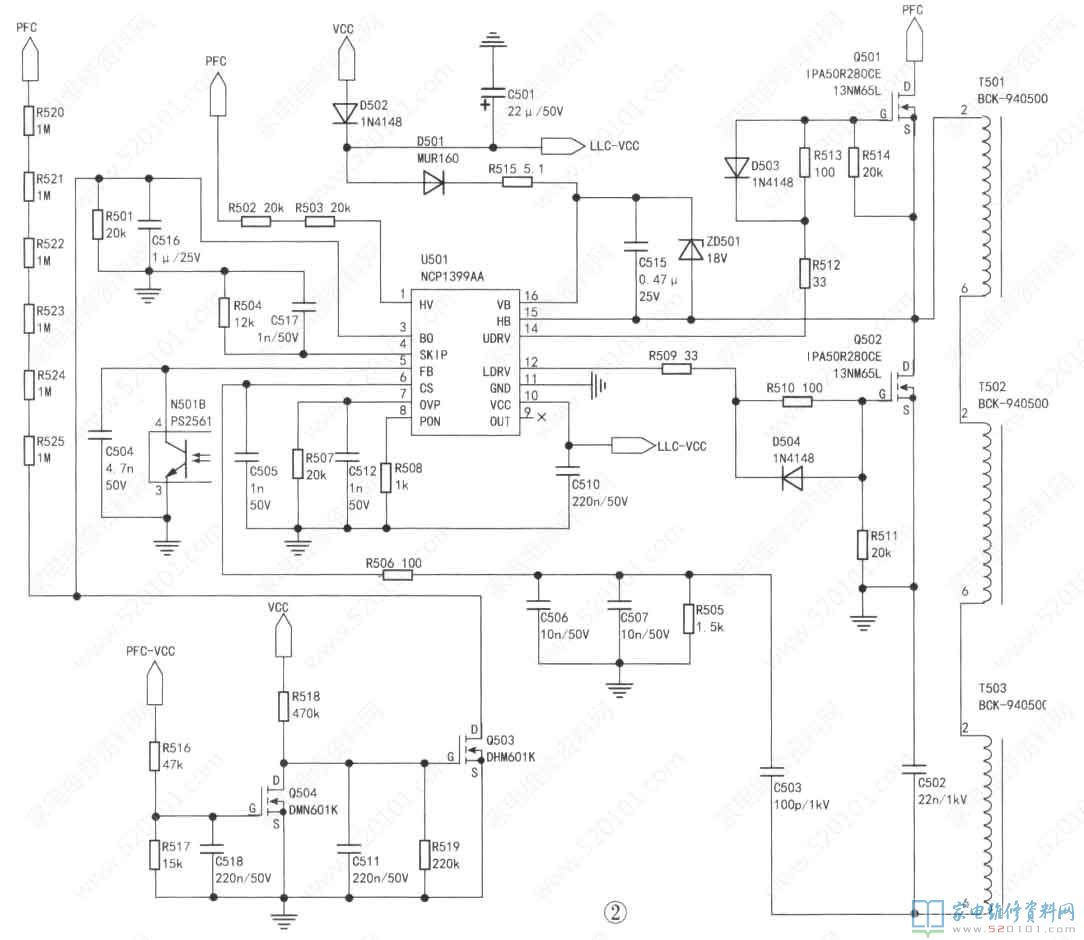
分析检修:伴音正常说明开关电源输往主板的12V供电正常,且主板已正常工作。测电源组件输出的24V电压不正常,但PFC电压正常,由此判断以NCP1399AA(U501)为核心的24V电压形成电路异常。相关电路如图2所示。
测得U501⑩脚供电为15.8V,①脚HV端电压为51.5V,均正常,但③脚(BO端)电压仅为0.1V,正常时应高于1.05V,否则⑫、⑭脚无驱动脉冲输出。断开③脚外接掉电检测控制管Q503,再上电测得③脚电压升至L25V,此时开关电源输出24V电压正常,屏上出现画面。检查与Q303相连的Q504,发现Q504栅极电压为0V,正常时应约为2.5V。检查Q504栅极外围电路,发现电阻K518弓1脚虚接,补焊R518后试机,故障排除。
提示:1、R518虚接,导致Q504截止,Q503导通,拉低U501③脚电压,致使IC无驱动输出。2、U501与Q501、Q502、T501~T503、C502组成LLC功率转换电路。C515为自举电容,在LLC电路工作后,U501⑮脚、⑯脚电压被抬高(高于200V)。若测得U501⑯脚电压始终约为15V,则表明LLC电路未工作,此时必然出现黑屏故障。
本文未结束,请继续阅读《长虹65AQ5液晶电视开关电源维修实例(下)》。
