一、长虹VLC82002.50二合一开关电源包括电源部分和逆变部分。电源部分输出5V-STB、5V—DC、24V三组电压提供给主板电路使用,其中24v电压经主板转接后输出再送回至电源板,提供给逆变部分使用;逆变部分输出8组高压分别提供给液晶屏内部8根灯管,灯管被点亮。VLC82002.50二合一开关电源与整机其他组件连接关系如上图所示。 VLC8200 2.50二合一开关电源的结构框图如下图所示。
二、电源部分主要由进线抗干扰(EMI)电路、PFC电路、5V/24V电压形成电路组成,所产生的电压提供给主板和逆变电路使用。逆变电路主要由背灯控制器、激励部分、高压形成部分组成,所产生的高压提供给背光模组中8根灯管使用。
三、背光灯高压形成电路如图:
主要由Q15、Q16 、Q17 、Q23 、T4 、Tl 、T201 、T203 、T205 、T207 、T209 、T211 、T213 、T215 构成。其中。Q15 、Q16 、Q17 、Q23 、T4 、Tl 组成全桥电路,T201 、T203 、吸05 输出耦合电路。
长虹VLC82002.50电源板逆变器高压形成电路,Q15 、Q16 、Q17 、Q23 、T4 、Tl 组成的全桥电路中。变压器T4 、Tl 初级绕组并联,高压形成电路的工作电压来自于PFC 电路输出的410V 电压。由激励电路工作状态可知,激励变压器”、T5 共输出4 组PWM 脉冲信号,送到由Q15、Q16 、Q17 、Q23 、T4 、Tl 组成的全桥电路。激励变压器T3 的5- 6 次级绕组产生的脉冲用于驱动Q17 。T3的7- 8 绕组产生的脉冲用于驱动Q23 ;激励变压器T5 的5- 6 绕组产生的脉冲用于驱动Q23,激励变压器T5 的7- 8 绕组产生的脉冲用于驱动Q16 。
激励变压器T3、T5 输出的PW M 脉冲波形周期在时间上相差半个周期。当Q17 、Q16 导通时,Q15 、Q23 截止,PFC 电路输出的400V 电压经Q17 ( D ? S )、TI / / T4 的6- l 绕组和Q16 ( DOS )到地;当Q15 、Q23 导通时,Q17 、Q16 截止,PFC 电路输出的400V 电压经Q15 ( D- S )、T1/T4 的l- 6 绕组和Q23 ( D- S )到地;在全桥电路驱动下,变压器T1 输出标识为LEGZ- l 、LEGZ- 2 的PWM 脉冲,变压器T4 输出标识为LEGI- 1 、LEGI- 2 的PWM 脉冲,Tl 、T4 两只变压器次级输出的PWM 脉冲波形幅度、相位、周期完全相同,以此推动输出端的8 只变压器,如图4- 38 所示,升压后为8 只灯管供电。
T4 输出的PWM 脉冲经T6 后,形成标识为LEGI- 2 、LEGI- 2 的脉冲,分别送去驱动T201、T203 、T205 、T207 ,以驱动与之连接的4 根灯管;从Tl 输出的PWM 脉冲标识为LEGZ- 1 、LEGZ- 2 的脉冲分别送去驱动T209 、T211 、T213 、T215,以驱动另外4 根灯管。
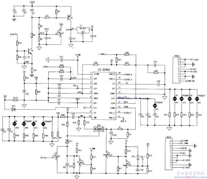
4、背光控制电路
该背光控制电路主要由U3(OZ964)内外部电路构成。
OZ964是凸凹公司推出的用于液晶产品背光控制IC,利用该IC组成的液晶产品逆变器(有的称为“背光板”,有的称为“高压板”)可以将输入的直流电压转换为接近于正弦波的交流高压,去点亮液晶显示屏内部的背光模组。该IC具有效率高、适应电压范围宽、调光范围宽、过压保护等优点。下图为OZ964应用于VLC82002.50二合一开关电源的相关电路,下表为该IC各引脚功能和在本开关电源中的维修参考数据。
电视机接收到开机指令后,电源部分输出5VDC、24V电压,24V电压经主板转接后经CN402(1)、(3)、(4)脚送回到电源板逆变部分后,一路送到Q3、U1产生5V电压,另一路送到激励电路。
主板CPU输出的逆变器高电平开启指令从CN402(9)脚输入,送到Q1的b极,Q1饱和导通、Q3导通,24v电压经Q3、U301形成5V电压,经R36送到U3(5)脚供电端。
Q1饱和导通的同时,Q2截止,5V电压经R33与R46分压得到2.6V电源后送到U3(3)脚使能端,U3内部振荡电路开始启动,经内部处理后从(19)、(20)、(11)、(12)脚输出PWM脉冲信号送到激励电路。(19)、(20)、(11)、(12)脚输出PWM脉冲信号波形如右图所示。注:右图中通道1为PDR_A波形,通道2为NDR_B波形,通道3为PDR_C波形,通道4为NDR_D波形,波形幅度为5Vp-p。