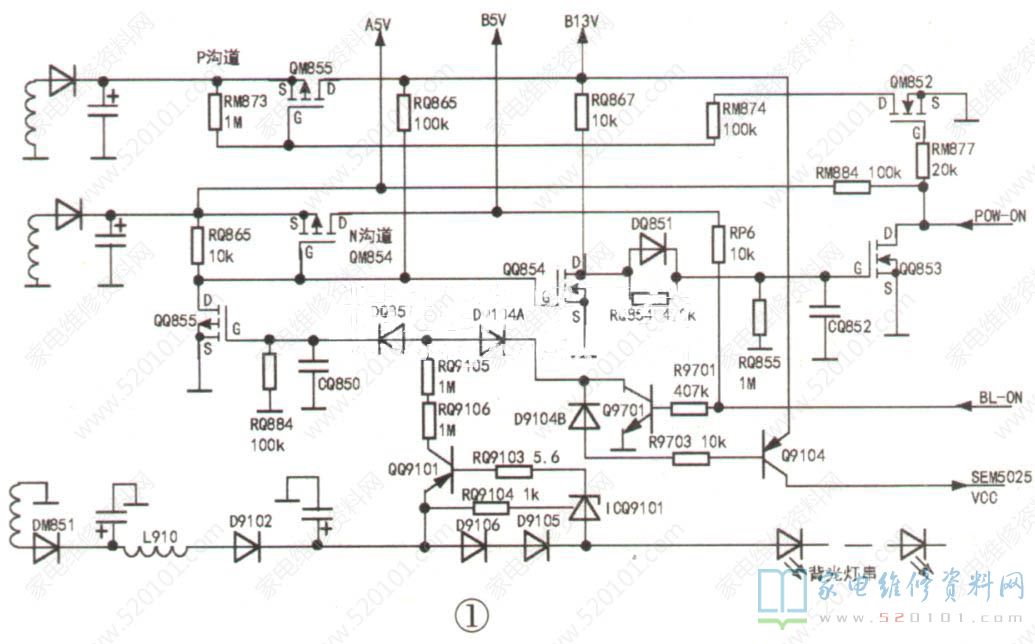
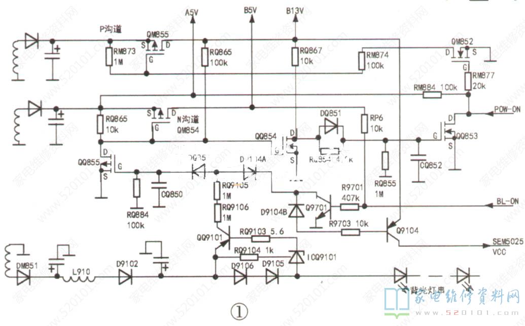
三星UA32D4000N液晶电视开机红灯闪烁的故障维修 2022-11-18 03:54:42 阅读 1202 次 评论 0 条 摘要: 接修一台三星UA32D4000N液晶电视,故障表现为红灯闪,不开机,应该是线路板漏电造成这种故障,拿掉插座9号线,可以正常看。(下面第三根),这样处理后还是有时不开机。于是拆下QQ9101三极管和两个1M 接修一台三星UA32D4000N液晶电视,故障表现为红灯闪,不开机,应该是线路板漏电造成这种故障,拿掉插座9号线,可以正常看。(下面第三根),这样处理后还是有时不开机。于是拆下QQ9101三极管和两个1M电阻,清洗再装好,线接好,试机正常,故障修复。 版权声明:本文为转载文章,版权归原作者所有,欢迎分享本文,转载请保留出处! 点赞 分享: PREVIOUS:长虹LT24630X液晶电视背光亮无图像的通病故障维修 NEXT:创维32E380S液晶电视指示灯绿灯亮不开机的维修 文章导航