厦华XT-5653T彩电接通电源后无光无声。面板上的红、绿指示灯全部亮,可听见机内继电器吸合又释放的声音

2007-06-03 19:38:56  阅读 522 次 评论 0 条
摘要:

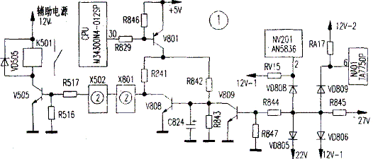
该机红色指示灯为待机指示,绿色指示灯为工作指示。绿灯亮,说明CPU已发出开机信号。开机瞬间继电器吸合,说明辅助电源12V基本正常。二次开机继电器K501的有关控制电路见图1。CPU(M34300N4-012SP)发

   该机红色指示灯为待机指示,绿色指示灯为工作指示。绿灯亮,说明CPU已发出开机信号。开机瞬间继电器吸合,说明辅助电源12V基本正常。二次开机继电器K501的有关控制电路见图1。厦华XT-5653T彩电接通电源后无光无声。面板上的红、绿指示灯全部亮,可听见机内继电器吸合又释放的声音 第1张CPU(M34300N4-012SP)发出开机指令时,其电源控制端30脚输出低电平,V801导通,5V电压经V80I、R841、接插X801②脚、X502②脚、R517加至 V505 b极,V505导通,K501吸合,其常开触点闭合接通主机电源。在此期间,5V电压也经R842到达V808 b极,只是由于C824的充电作用,其b极电压的建立需要延迟一定时间,V808在开机瞬间不会马上导通。在主机电源接通后,行扫描电路进入正常工作状态。由行输出级提供的二次供电27V电压随即建立,该电压经R845、 R844加至V809 b极,V809导通,将C824刚要建立的电压短路,保证了V808的截止,V505得以维持导通状态。

    在R844与R845的连接点上接有VD805、VD806、 VD808、VD809,它们构成了电源异常保护电路。VD805负端接主开关电源22V输出端,VD806负端接行输出级二次供电(12V-1)端,VD808负端接至直流音量、音调控制电路NV02(AN5836)电源端②脚,VD809负端接至音频、视频切换开关NA01(TA7750P)电源端⑥脚。 NV02由行输出二次电源12V-1供电,NA01由开关电源输出的12V-2供电,由此可见,若开关电源输出的22V、12V-2或行输出级输出的二次供电27V、12V-1电压消失,或NV02、NA01电源端短路部将使V809 b极电压消失,从而导致 V809截止→V808导通→V505截止→K501释放而实现保护关机。

    为查明K501不能保护吸合状态的原因,在开关电源130V输出端接一只15W灯泡,开机后测得输出电压正常。检测R844与R845连接处电压,开机瞬间电压表指针指示约5.5V,随后马上下降,至约2.5V时听见继电器释放的声音,同时130V端灯泡熄灭。分别监测该处四只二极管的负端电压,开机瞬间VD809高于1OV、VD808约6.5V、VD806约7V、VD805约20V。因继电器的吸合保持时间较短,万用表无法存瞬间测出各处的准确电压值,但从上述测量结果足以说明保护关机不是各二极管保护支路所引起的。 厦华XT-5653T彩电接通电源后无光无声。面板上的红、绿指示灯全部亮,可听见机内继电器吸合又释放的声音 第2张

    测量R845右端27V电压,开机瞬间约14V,随后下降至一定值时继电器释放。27V由行输出级二次供电,测量结果说明有可能行扫描电路停止工作在先,然后27V电压消失引起保护关机,这样,继电器的释放便属该电路的正常保护行为。

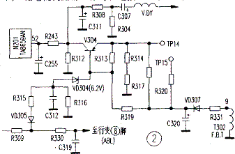
    行扫描停止工作与X射线保护有关,因此转查其X射线保护电路(参见图2)。解码块N201(TA8659AN)52脚为x射线保护端,电视机正常工作时,N20152脚无电压,当行输出变压器输出的脉冲电压过高时,矮⑨脚输出的电压也相应增高,C320两端的直流电压也随着升高,经R318、R314、R317分压后的电压(即V304 e极电压)也升高,当该电压达到6.2V(VD304的反向击穿电压)+0.7V(V304的b、e极正向电压)时,V304导通, N20152脚电压上升,使行扫描电路停止工作而实现保护关机。

    图2中VD305负端接至行输出变压器⑧脚(ABL),当显像管束电流增大时,ABL端电压下降,甚至可出现负值。束电流增大到设定值时,VD304反向击穿,引起 V304导通,X射线保护起控。

    同理,正常工作时场输出电路中的R304两端压降很小,若C307击穿或严重漏电时,R304上电压上升,经 R308加至N20152脚而促使保护电路动作。

    测量N201@脚电压,一开机即为1.5V,可确定故障为X射线保护。测量R304两端电压几乎为零,说明 C307无故障;监测C320正端电压为llV(开机瞬间表针摆动的刻度值。下同);VD305负端为6V,说明ABL同路无故障;测得V304 b极约lV,e极近2V,表明V304已达到导通条件;测得VD304正端电压约O.1V,分析可能为 VD304击穿(因VD304反向击穿电压为6.2V,实测其反向电压只为1V-0.1V=O.9V)。

    拆下VD304,测得其反向电阻值很小。用6.2V稳压管更换后,电视机工作正常。为试验x射线保护电路是否能正常起控,电路中设置了TPl4、TPl5两个测试点。在电视机正常工作时,短接TPl4、TPl5后应能自动关机,否则说明保护电路还有放障,需要继续检查,直至故障彻底排除。

版权声明:本文为转载文章,版权归原作者所有,欢迎分享本文,转载请保留出处!