东芝40KL100C液晶电视无规律黑屏的故障维修

2022-03-27 19:12:40  阅读 998 次 评论 0 条
摘要:

接修一台东芝40KL100C液晶电视,客户反映该机上电图声正常,但无规律黑屏(有声无光),近来有时开机后就黑屏了。此类故障一般先检查背光板和LED灯条。本机共有12路灯条,经检测灯条均正常。该机背光电路较

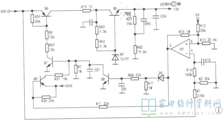
      接修一台东芝40KL100C液晶电视,客户反映该机上电图声正常,但无规律黑屏(有声无光),近来有时开机后就黑屏了。此类故障一般先检查背光板和LED灯条。本机共有12路灯条,经检测灯条均正常。该机背光电路较复杂,升压控制芯片是UC3843保护电路以两块LM2901为中心组成。LM2901内部有4个电压比较器,将检测电压和基准电压进行比较。电源板上的VCC供电由电子开关Q6控制,再由Q5稳压成13V供给UC3843的⑦脚,如图1所示。

东芝40KL100C液晶电视无规律黑屏的故障维修 第1张

      在故障出现时,测13V电压为0V(则Q6、Q7都处于截止状态,Q8处于导通状态),U9(LM2901)的②脚为高电平,该电压通过D5使Q8导通,同时通过R37使Q9、Q6、Q7截止。开机,在屏幕点亮时用指针式万用表测 U9的⑤脚电压为2v,在测④脚电压时,表笔一碰到④脚马上黑屏,改用数字万用表测该脚电压为2.08V,接近⑤脚电压。分析认为,由于④脚外接的R16的阻值达150k,而指针式万用表内阻较低,测④脚电压时拉低了该脚电压,则②脚输出高电平引起黑屏。

      另外,上述检测说明U9的④、⑤脚电压接近是引起无规律黑屏的原因。U9的⑤脚通过R12,经R14分压后接sV基准电压,④脚监测背光板的供电电压VCC,如果VCC欠压,则U9的④脚电压低于⑤脚,②脚输出高电平,背光板进入欠压保护状态,由于U9的②、⑤脚之间接有正反馈电阻R15,在②脚输出高电平后U9进入自锁状态,需断电后再上电才能再工作。怀疑vCC电压过低,用数字万用表监测该电压仅为20V,且有微小的波动。检查该电源稳压取样电阻,如图2所示,发现上取样电阻标称阻值为18k,下分压电阻由两只电阻并联而成。

东芝40KL100C液晶电视无规律黑屏的故障维修 第2张

       按TL431阈值电压2.5V计算,VCC电压应该为23.6V ,现在明显偏低。怀疑上取样电阻漏电,拆下该电阻,清理粘胶后装上开机,VCC电压升到23.5V,再测U9的④脚电压为2.3V。长时间反复试机,一直正常,故障排除。该机故障原因是背光板的供电电压过低,处于保护临界点,因此表现为无规律黑屏。

版权声明:本文为转载文章,版权归原作者所有,欢迎分享本文,转载请保留出处!