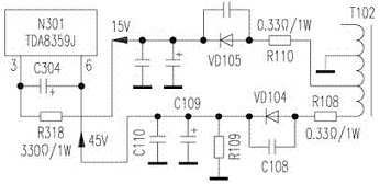
厦华R2916图像顶端有5cm宽的细密回扫线,伴音正常。 2006-09-18 20:47:24 阅读 398 次 评论 0 条 摘要: 测场输出集成电路N301各脚电压,发现{6}脚仅为2.1V,正常应为45V。沿该支路往前查,发现限流电阻R108(0.33Ω/1W)阻值已达500KΩ多,测{6}脚对地电阻值无短路现象。更换R108后试机,故 测场输出集成电路N301各脚电压,发现{6}脚仅为2.1V,正常应为45V。沿该支路往前查,发现限流电阻R108(0.33Ω/1W)阻值已达500KΩ多,测{6}脚对地电阻值无短路现象。更换R108后试机,故障排除。 版权声明:本文为转载文章,版权归原作者所有,欢迎分享本文,转载请保留出处! 点赞 分享: PREVIOUS:厦华R2920白屏,有回扫线,且光栅呈枕形失真。 NEXT:厦华R2920光栅呈水平一条亮线 文章导航