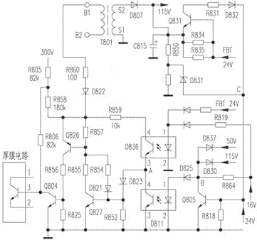
经了解用户,雷电是从电源进入的。直观检查电源厚膜电路开裂,保险丝F801熔断发黑,电阻R802开路,整流全桥D806中有2只二极管击穿,光电耦合器D803{1}、{2}脚开路,更换以上损坏元件后,断开行输出电路,在+B输出端接60W灯泡作假负载试机,并监测+B电压。开机后,灯泡亮度一闪一闪地变化,+B电压不稳定。分析稳压或保护电路有故障。先检查稳压环路,未见异常,再检查保护电路。该机的保护电路较完善复杂,具有过压、过流、短路保护功能。该电路由Q831、Q805过流检测电路、D837、D830负载短路检测电路、D831过压检测电路和光耦D811、Q827、Q826、Q804组成。正常时D811由16V电源经R864、D825供电,B点为高电位,D811内部发光管发光,三极管饱和导通,A点为低电位,Q827、Q826、Q804均截止,对厚膜电路内部开关管不产生影响。当各过流、过压、短路检测电路动作时,B点降为低电位,D811截止,A点变为高电位,Q827、Q826、Q804导通,将厚膜电路中开关管 b极短路停振。当断开Q804 c极时,电源输出电压恢复正常,故障果然在保护电路。在该保护电路中Q827和Q826组成模拟可控硅电路,一旦进入保护状态,在不断电的情况下不能退出保护状态,而该机假负载灯泡亮、暗变化,说明模拟可控硅电路有故障,检查模拟可控硅电路,发现D823开路,D811{3}、{4}脚开路。更换D823、D811后,灯泡亮度不再闪烁变化,输出电压也稳定在110V。去掉假负载,接通行输出电路,故障排除.
  
 
			版权声明:本文为转载文章,版权归原作者所有,欢迎分享本文,转载请保留出处!
			
		
		
		
		
		
		
	