一、故障原因分析
该类故障的原因主要有三大类:一是电源异常,即开关电源电路输出电压异常,或主板上的供电系统异常;二是存储器虚焊、性能不良或软件异常;三是受到外界电磁干扰,或机内板件间存在干扰,具体原因如下:
1、电源板输出电压偏低或波动
电源板输出5VSB (部分彩电输出为3.3VSB)、5V、12V等电压供给主板,再由主板上的电压变换电路将其变换为3.3V、25V、1.8V、1.26V等多组电压,供给CPU、解码、声像处理等电路。若电源板输出电压偏低或波动,必然会引起主板上电压变换电路的输出电压变化,从而导致CPU工作异常,出现自动关机或死机现象。
另外,部分液晶彩电在PFC电路不工作或输出电压偏低的情况下(电源带载能力下降),虽能正常开机,但易因负载的变化而自动关机。
2、电源板上的过流、过压保护电路稳定性不好
在许多液晶彩电的开关电源电路中,设计有过流、过压保护电路,若这部分电路稳定性不好(多表现为热机时稳定性不好),则开关电源极易误进入保护状态,从而出现自动关机故障。
提示:在液晶彩电中,开关电源稳压取样点不同所引发的故障现象也有所差异,例如:在输出+12V和+24V电压的开关电源中,稳压取样点在+12V电压输出端,若+12V整流二极管性能不良或滤波电容容量下降,当+12V 电压带上负载后,+12V电压会下降,这时在稳压电路的作用下,+24V电压会上升,甚至会进入过压保护状态。
3、主板上的某组电压异常
在实修中发现,主板上的3.3V与5V电压输出电流较大,当3.3V电压低至3.1V,或5V电压低至4.6V时,极易出现自动关机现象;主板上的2.5V或1.8V电压异常,易出现死机故障。
值得注意的是,主板上的控制系统对主芯片内核供电的要求极高,只要该组电压稍低于正常值,就会出现自动关机或死机故障。主芯片内核供电电压多为1.26V、1.15V或1V,并朝着越来越低的方向发展。由于该组电压输出电流大(可达1.5A),稳压精度要求高,所以多采用对+5V或+3.3V电压DC-DC变换得到,如图1所示。

MP2380DN是一款降压开关电源稳压器 ,内置有过流保护和软启动电路,正常工作频率为600kHz,输入电压为4.5V~21V, 额定输出电流为5A,稳压输出电压由电阻R1(Rup )和R2(Rdown)的阻值决定。
+5V电压从MP2380DN的⑧脚输入,经内部开/关控制后从①脚输出脉冲,通过L1储能、C5滤波后输出稳定的1.0V直流电压。MP2380DN的⑤脚为输出电压取样反馈调节端,外接分压电阻R1、R2,降压输出的电压值由R1与R2的阻值决定。D2为续流二极管,在芯片内部开关管关断期间泄放L1中的能量,从而继续向负载供电。
实验证明,当该电路输出的1V电压降为0.94V时,则电视机会出现死机故障,且二次开机困难。
提示:在液晶彩电的主芯片中,CPU的工作电压有核心电压(VDDC)与1/O电压(VDDP)之分。所谓的核心(Core) 电压就是常说的内核供电,是CPU工作的重要电压,要求其电压值必须精确(具体值通常在1V~1.8V之间),输出电流必须足够且稳定(输出电流通常在0.5A~1.5A之间)。内核电压在电路原理图中标注多为Core power或者VC-CK。1/0电压是指CPU驱动1/O电路的电压,多为3.3V。
4、主芯片与存储器之间的通讯线路漏电
液晶彩电在开机后,引导程序存储器、主程序存储器及DDR存储器会-直“配合”主芯片工作。若在配合过程中,主芯片与存储器之间的通信出现异常,则会出现自动关机或死机故障。
另外,很多液晶彩电的程序软件具有电子狗功能,若开机后运行程序跑飞,则CPU会据此发出待机指令,从而出现自动关机现象。
5、主芯片某组供电电压的滤波电容容量减小或引脚虚焊
主芯片的供电端外接有多只滤波电容,以保证供电的稳定。若滤波电容容量减小,则供电中的纹波成分增加,这必然会影响主芯片的工作状态,易出现自动关机现象。
部分主板将这类滤波电容安装在主芯片的背面,如图2所示。这些贴片滤波电容的外形略大于普通贴片电容容量多在10uF左右。正常工作时,由于主芯片温度较高,在热胀冷缩的作用下,易导致其背面的滤波电容引脚脱焊,致使对应电压波动,从而出现自动关机或死机现象。

6、主芯片时钟或复位电路异常
主芯片的时钟电路通常由晶振Y,谐振电容C1、C2,反馈电阻R1,匹配电阻R2组成,如图3所示,产生芯片工作所需的原始同步脉冲。若时钟电路异常(主要是振荡频率超出设定范围),则易出现死机或自动关机现象。另外,主芯片的一脚为复位端,外接复位电路或电容。若复位电路供电异常,或者复位元件处于临界工作状态,这将导致主芯片在开机后的复位电压不稳定,也会出现死机或自动关机现象。

7、主芯片引脚虚焊或散热不良
由于主芯片引脚密集,在热胀冷缩的作用下,易出现引脚虚焊现象,尤其是采用BGA封装的主芯片。另外,若主芯片散热不良,当其内核温度超过设定阈值时,也会出现自动关机或死机现象。
8、逻辑板电路在热机状态下存在短路现象
这种原因多出现在采用+5V上屏电压的液晶彩电中,在热机状态下,若逻辑板上某元件出现短路现象,导致上屏电压供电电流增加,从而将该组电压拉低,引起主板工作异常,则可能出现自动关机现象。根据经验,正常时,+5V上屏电压的电流约为0.8A~1A;+12V上屏电压的电流约为0.5A。在实际检修中,若怀疑自动关机故障由逻辑板引起,可先拔下上屏线试机,若故障不再出现,则需对逻辑板电路进行检查。
9、按键线路漏电或主板电路受到强信号干扰
在使用时间较长且工作环境较封闭的液晶电视中,按键及其信号传输线路(尤其是过孔处)漏电现象时有发生,导致CPU的按键信号输入端(通常标注为“KEY0"、“KEY1")电压偏低(正常值约为3.3V),表现出的故障现象多种多样,包括自动关机或死机。
另外,若电视机受到机内其他器件或者机外其他电器(如电子节能灯、电磁炉、吹风机等)的强电磁干扰时,也有可能出现自动关机或死机现象。例如:在采用LC320WXE-SBV2液晶屏的彩电中,由于屏内灯管端头对其下方的锡箔纸放电,极易出现自动关机现象,其常见处理方法有以下三种:一是对主板及逻辑板进行屏蔽处理,二是拆除灯管下方的锡箔纸(这种方法会导致背光亮度略有下降),三是拆开液晶屏,用一条修冰箱用的铝箔纸带贴在灯管下方的锡箔纸.上,如图4所示,然后用导线将铝箔纸带可靠接地即可。

10、背光驱动电路或背光源异常
在部分液晶彩电中,尤其是进口彩电中,在背光驱动电路上设计有背光状态检测电路,当背光驱动电路或背光源异常时,状态检测电路会输出一信号送给主板,微处理器据此发出关机保护指令,整机进入待机保护状态。
例如:在采用冷阴极灯管的部分夏普液晶彩电中,背光驱动电路上设有灯管过压监测电路,并输出vs信号给主板。在背光驱动电路及灯管正常时,vs电压为0V;若因某种因素导致加在灯管上的高压过高时,则vs电压也同时升高,主板据此发出关机指令,整机进入待机保护状态(面板指示灯由绿色变为红色)。
在实修中发现, 该类夏普液晶彩电存在一个故障通病:使用一段时间后,屏内灯管卡座出现接触不良现象,这时VS电压会不定时大幅升高从而出现无规律自动关机现象。实修时断开背光驱动板与主板之间的VS信号线即可。
11、软件故障
软件原因导致的死机或自动关机故障多出现在具有网络功能的液晶电视中,此类电视在连接网络后,在后台会自动对电视机的操作系统及运行程序进行升级,若在升级过程中断电,或升级后的软件与硬件存在冲突,就会出现死机故障。另外,若电视机的程序存储器中的数据(含引导程序与主程序)有问题,或在检修中升级数据对应的版本和机型信息与原机不一致,也会引发死机故障。
二、故障检修步骤与方法
第一步:在故障出现时,测量PFC电压与开关电源输出的电压是否正常。实修时,应重点监测开关电源待机电源输出的+5VSB以及二次开机后的+5V电压,若电压偏低或波动,可脱开主板,在+5VSB、+5V电压输出端分别接上100Ω电阻或15W/12V灯泡作假负载,强制启动,以判断故障部位。
若带上假负载后,电源板输出电压仍偏低或波动,则故障部位在电源板上,这时先检查PFC输出电压是否正常,若正常,则检查输出电压的整流滤波元件,尤其是滤波电容,如图5所示;若不正常,则检查PFC调控芯片的供电电路及电压检测电路。

对于自动关机故障,在故障出现时可先测量电源开/关机信号是否变化,若一直为“开”信 号,则说明主板未发出待机指令,则重点检查开关电源电路;若变为了“关"信号,则说明主板因某种原因发出了待机指令,检查的重点在主板。
对于主板是否发出了待机指令的判断,除可通过测量电源的开/待机控制信号外,还可通过测量背光的开/关信号及逻辑板上的上屏电压是否变化来判断。
提示:若怀疑自动关机系开关电源的过压保护电路误动作所致,可先代换12V、24V的过压检测电路中的稳压二极管(其稳压值多为+15V和十27V),这往往能起到事半功倍的效果。另外,稳压二极管的性能好坏难以用万用表检测,直接代换不失为快捷之选。
第二步 :测量主板上各DC-DC电路的输出电压是否正常。若检测发现主板上的某组电压异常,则应对该组电压的DC-DC电路进行检查,主要检查输入电压及滤波电容、输出二极管等元件,如图6所示,最后考虑代换DC-DC转换芯片。

另外,主板上低压差三端稳压器(LDO)在正常工作时有-定的温升,若温度过高,在确认其输出滤波电容正常,且负载无短路的情况下,可代换该IC一试。
提示:1.若主芯片内核供电(多为1.26V 或1V)滤波不良,此时用万用表测量该组电压,实测值会略高于标准值,这时的故障现象多为二次开机困难,或者开机后自动关机。
2、在主板上的DC-DC 变换电路中,若反馈(FB) 电路中分压电阻损环,应换用精度较高的电阻,否则,在热机或冷机状态下,易引起DC-DC电路的输出电压明显变化,从而出现自动关机或不开机故障。
3、在DC-DC电路中,续流二极管应选用质量好的肖特基二极管。若该二极管性能不良或引脚存在接触不良现象,则会导致输出电压纹波系数增.大,且DC-DC变换芯片温升迅速。
第三步:检查主芯片与存储器之间的通信电路是否畅通。若电视机出现无规律自动关机故障时,可先用热风枪对DDR存储器加热,若故障较快就出现,一般为DDR存储器虚焊,尤其是采用BGA封装的DDR存储器,如图7所示。接下来检查DDR存储器通信电路中的排阻及过孔有无接触不良或漏电现象。

第四步:检查主芯片的供电滤波电容。由于液晶彩电主板上许多供电滤波电容采用贴片固态电容,尤其是安装在主芯片背面的滤波电容。若怀疑某路电压滤波不良,可将数字万用表置于Hz挡(即频率挡),测相关滤波电容两端电压的频率,正常时万用表的读数应为0,如图8所示;若测量结果为数百千赫兹,则表明该组电压存在滤波不良现象,重点检查相关滤波电容与稳压块。

第五步:检查主芯片的外接晶振与复位电路。通常情况下,在晶振电路正常工作时,晶振两端的电压约为芯片供电电压的1/2 (芯片的vCC电压多为3.3V,则该处电压约为1.6V)。若怀疑晶振性能不良,可先代换一试。
第六步:检查按键电路。上电后,测量主芯片的按键端电压,在未按动按键时应无波动现象。否则,需检查按键及相关传输线路。
第七步:补焊主芯片或对主芯片降温。若怀疑故障系主芯片引脚虚焊所致,可先用手压住主芯片试机,若故障不再出现,则说明主芯片确有虚焊现象,用热风枪对主芯片进行补焊即可。若故障仅在热机时才出现,且主芯片温度较高这时可用棉球蘸无水酒精对主芯片降温,若主芯片温度降低后故障消失则说明故障系主芯片温度过高所致,具体原因一是主芯片的供电电压过高或滤波不良,二是主芯片散热不良。对于前者,重点检查主芯片供电滤波电容及相关的DC-DC电路:对于后者,应检查主芯片表面的导热硅酯是否足够,散热片安装是否到位,或者考虑加装散热片或低噪声的小风扇(一般选用电脑用的DC12V风扇)。
第八步:测量背光状态检测信号是否正常。对于主板上设有背光状态检测信号的彩电而言在检修自动关机故障时,需测量该状态检测信号电压有无跳变现象。如有,则检查背光驱动电路与背光源。
另外,可断开主板上的背光状态检测信号,或外加固定电压以取消该保护功能,从而判断故障部位。
第九步:软件升级。若电视机在图像声音 均正常的状态下自动关机,随后又自动重启,重复几次后进入待机状态,其原因可能是主板与液晶屏不匹配,因为部分液晶彩电在开机后会检测逻辑板的状态,若两者之间的通讯失败,则会出现重启现象。
例如:一台海尔LE32A390P液晶彩电(RTD2649机芯),开机后自动关机,随后又自动开机,如此反复其原因是Flash存储器中数据异常。解决方法:插上存有对应升级数据的U盘,按住面板上的菜单键交流开机,强制升级即可。出若电视机在出现开机画面或安卓操作界面主页后就死机,一般是 NAND Fash存储器有问题,可先进行代换;若在开机后提示升级,通常是NAND Flash 中数据有问题,需重新升级。
提示:在检修有规律地自动重启故障时,可先进入总线修改屏参数据,看问题能否解决。综上所述,液晶彩电自动关机或死机故障的检修流程如图9所示。

三、故障检修实例
例1:一台长虹LT32630FX液晶彩电,开机后图像、伴音均正常,几秒后自动关机,约1s后又重新启动,如此反复3次后电视一直处于待机状态,这时按面板开/待机键又能开机,但随后又重复上述故障现象。分析检修:开机后监测电源高压一体板与主板相连插座的各脚电压,发现在图像、声音均正常时,5V、24V输出压稳定,STB-POW (电源开/待机控制)端电压为稳定的5.12V,BL-ON/OFF(背光灯开/关控制)端电压在0V~5V间波动,BL-ADJ(亮度控制)端电压为稳定的3.24V,PWM-SEL(调光方式控制)端电压为1.14V,STAUS(状态检测端)电压为3.78V。自动关机后,只有待机电压5V正常,其他各引脚电压均为0V。
为判断故障部位,断开主板和电源高压一体板之间的sTB-POW与BL-ON/OFF连接线,用导线将待机5V电压分别接到STB-POW BL-ON/OFF端上,以强制启动开关电源与背光驱动电路。试机,背光灯能正常点亮,这说明电源高压一体板与背光源均无问题。
由于该机的自动关机现象很有规律,怀疑是软件问题,于是先进入总线,具体操作方法如下:先按菜单键,再快速按数字键6、1、4、8,屏显软件升级提示,稍等一会儿后按OK键,这时电视机不再自动关机(若屏显软件升级提示后迅速按OK键,电视机仍会自动关机),接着再按静音、菜单及数字键0、9、1、2、6、7、2,出现屏参选择项,如图10所示,改变其值后试机,故障排除。

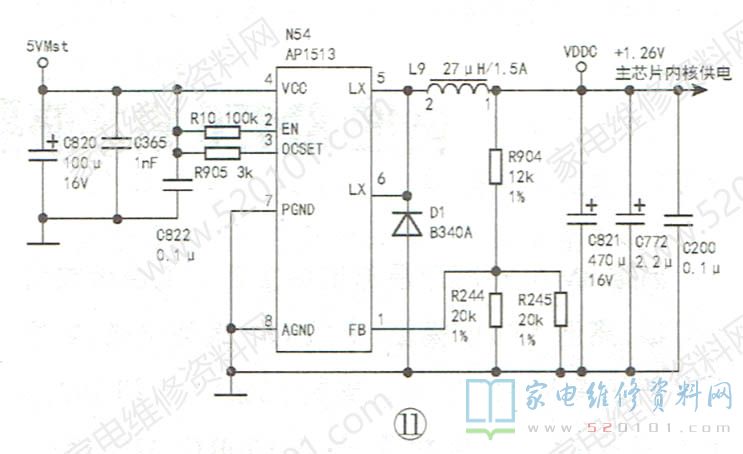
例2:一台海信TLM42V67PK彩电(RSAG7.820.1859主板),不定时出现自动重启现象。分析检修:该机主芯片采用MST6M68FQ,其内核1.26V供电电路如图11所示。

该电路将待机电源输出的5V电压变换为1.26V(VDDC),如果该电压纹波成分过大(用万用表测量难以看出,可用示波器测量),则会导致主芯片内核电路工作异常,从而出现自动关机现象。该机1.26V电压的滤波电容C821容量为470pF,略偏小,试将其换为1000uF/25V的电解电容后,长时间试机故障不再出现。
提示:海信TLM40V68PK TLM42V68PK彩电(MST6M68FQ机芯)易出现冷开机时机内有“啪啪”声现象,其解决办法仍是将C821的容量增大至1000uF。
例3:一台三洋LCD-42CA8液晶彩电,开机后死机。分析检修:上电试机发现,在该机刚开机后死机,这时能二次开机,但反应慢,TV状态有雪花;收不到台,过一会儿后死机,这时所有控制均失效。测得主板上的Flash存储器IC7300无2.5V供电。该组供电由DC-DC变换块IC2301输出。测量IC2301输入端5V电压正常,且IC2301的温度也不高,但输出端却无2.5V电压输出。断电后测得IC2301输出端对地无短路现象。检查IC2301外围元件并无异常,代换IC2301后试机,故障排除。
提示:三洋LCD-42CA8液晶彩电还易出现以下两类故障:一是电视在置于AV1状态时,屏显“S端子”,输入AV1信号,无图无声,而输入其他信号,图声均正常,其原因是主芯片IC7200损坏;二是有声音、灰屏(背光亮),其原因是数据存储器IC8002异常。