该类故障是指在TV.AV、YPbPr、 VGA、HDMI等信号源中,仅部分信号源出现无图像、无伴音、无彩色或图像效果差等现象本类故障的特点是:只有某类信号源的图像或伴音异常(含图像、伴音均无),而其余信号源的图像、伴音均正常。
一、故障原因分析
在此类故障中,除部分故障系使用者对菜单中信号源的选择不当外,常见原因是主板或连接线异常。在主板故障中,部分是因总线中相关数据错误所致,即常说的软件故障,更多的是硬件故障,常见原因如下:
1、总线中相关信号源的选项数据错误
液晶彩电可输入多种信号源,由于每种信号源的组成不同,则对应的放大、解码等电路的工作模式或参数也不相同,而这些模式或参数可在总线中进行设置如图 1所示("SOURCE"表示信号源),若设置不当,则会导致该类信号源的状态异常。
2、总线中的“屏参"值与实际所用液晶屏不一致
液晶屏是各类信号源的终端显示装置,但不同型号的液晶屏对主板送来的信号“成分”要求不完全相同,这一点与CRT不同。液晶彩电生产厂家通常在主板总线中设有“屏参”选项,如图2所示,通过改变此项的值可让同一型号主板能配接不同型号液晶屏。若“屏参”值与实际所用液晶屏不一致.会出现多种故障现象,包括某类信号源状态异常故障。
3、主芯片的输入端口内部电路损坏
近年来,大多数液晶电视采用单芯片方案(即将CPU、解码、格式变换等电路集成在一块芯片中,该芯片又称为主芯片)。在这类彩电中,部分彩电的外接信号源未经电容隔离,而是经电阻直接送给单芯片的某引脚,如图3所示。加之部分信号源(如机顶盒、DVD播放器、电脑主机)存在机壳带电现象,若带电连接信号线,极易导致主芯片相应引脚内部电路损坏,这也就是实修中常说的主芯片被静电击穿。
4、信号输入电子切换开关工作异常
在部分液晶彩电的信号输入电路中,设有电子切换开关,例如常用电子开关4052来进行AVI、AV2信号的切换,用PS321来进行HDM1.HDM2信号的切换。若电子切换开关工作异常,必然会导致某些信号源的状态异常。
5、对应的信号源连接线或输入电路异常
(1)TV信号输入电路
新型液晶彩电大都采用微型化的硅高频头,如图4所示。对于不搜台、不存台故障,主要检查高频头供电电压3.3V是否正常,前段滤波网络有无虚焊现象,总线电压是否正常,AGC电压是否正常(在搜台过程中,AGC电压在0V-3.3V之间波动,有信号时AGC电压低,无信号时AGC电压高),内部谐振电感有无虚焊损坏现象。 如果上述检查均正常 ,则故障原因为高频头1C不良。对于接收射频信号时,图像效果差、噪声点大故障,主要检查前段滤波网络及中频信号输出滤波网络是否正常,最后代换高频头IC。
对于采用普通高频头的液晶彩电,若 TV搜不到台或搜台效果差,可先代换高频头内部那几只电解电容,其他检查方法与普通CRT彩电相同。
(2)AV/YPbPr信号输入电路
AV/YPbPr信号属于模拟视频信号,是高频信号(如cvBS信号频率高达6MHz),若传输线路阻抗不匹配,则会产生信号反射,影响信号质量。在外部信号源输出这类模拟信号中,可能含有不确定的直流电压,若直接与电视机相连,会影响后级电路甚至烧坏电路,所以在信号传输通路中加入耦合电容来隔离,如图5所示。
另外,为了让信号能在各种音视频设备中更好进行匹配传输,视频信号的线路阻抗统一为75Ω。若输入AV/YPbPr信号图像偏色,则先找到该路信号的输入端口及输入电阻、电容、保护二极管,如图6所示,在路测量输入端对地阻抗是否为75Ω,如正常,则检查后级电路。若输入AV/YPbPr信号无反应,则检查后级电路中电容、电阻有无虚焊或损坏现象,如正常,则检查主芯片电路。
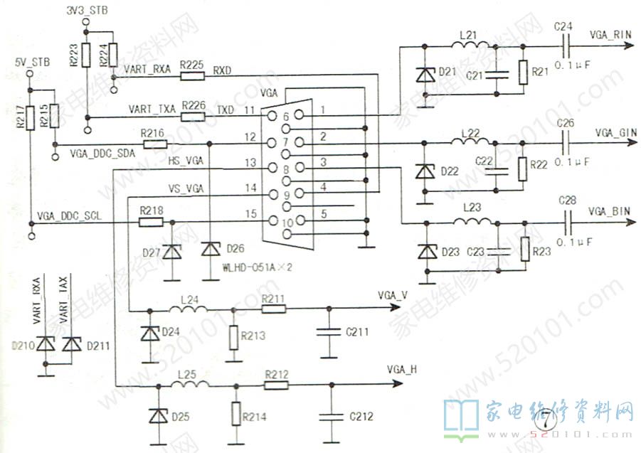
(3)VGA信号输入电路
液晶彩电的VGA信号输入典型电路如图7所示。
VGA插口的①~③脚分别是R、G、B信号输入端,对地匹配电阻均为75Ω;13、14脚分别为行场同步信号输入端,12、15脚为总线通讯端4、11脚为RS232通讯端。许多液晶彩电将12、15脚或者4、11脚作为软件升级的输入端口。
若输入VGA信号画面偏色,则先检查设置是否正确,再进入工厂模式查看白平衡数据是否正确,最后检查R、G、B三基色输入通道及其对地电阻是否正常。若输入vGA信号无反应或图像行、场不同步、扭曲,则检查VS、HS信号通路,可通过用万用表测量对地电阻来判断,也可用示波器测量信号波形来判断。
另外, 部分液晶彩电还安装有一只VGA信息存储器,主要存储显示装置的分辨率、刷新率等信息,若该存储器损坏,也会导致输入vGA信号时无图像或图像异常。
(4)HDMI输入电路
HDMI表示高清数字多媒体信号,图像信号与伴音信号以数字方式通过同一条线路进进行高速传输,其典型输入电路如图8所示。对于输入HDMI信号无反应故障,则先测量18、19脚的5V电压是否正常,再测量差分信号端电压是否为3.3V,如果这些电压正常,则表明HDMI输入端或主芯片不良。如果差分信号端电压异常则表明主芯片不良。如果不识别HDMI设备,则原因是输入端子或HDMI信号切换芯片异常,也有可能是主芯片不良。如果输入HDMI信号,显示一会儿后画面就消失,其故障原因通常是缺少DHCP KEY数据,将其烧录到存储器中即可。
另外,在使用 HDMI信号源时,尤其是以电脑、游戏机、HDMI播放器为信号源时,应先对HDMI信号源的音频选项进行正确设置,否则易出现有图无声故障。例如连接电脑时,应先关断电视与电脑的电源,连接好HDMI线后,接通电视机并开机,将信号源设置为HDMI。然后启动电脑,并安装好HDMI驱动程序,接着点击桌面右键,选择显卡设置面板,并单击打开;在该控制面板中选择“设置多个显示器”,选择主副显示屏若选择 复制"模式,则电视机和电脑显示器上会显示相同画面;若选择扩展模式,则电视机和电脑显示器上会显示不同画面,如电视上显示电影画面。
接下来需进行音频属性设置,无声故障的原因往往就出在这里。一般的显卡驱动都集成了HDMI声音驱动芯片,安装显卡驱动后,windows系统下的设备管理器中会有HDMI audio选项。

选择“声音和音频设备属性”选项并打开,如图9所示,在音频选项界面中,选择HDMI声音输出为默认设备即可。如果电脑主机采用的是带音频输出功能的显卡,则将声音播放中的默认设备选择为该显卡的音频设备名称即可,如“NVIDIA HighDefnition Audio" 等等,最后点击“应用”,如图10所示,通常情况下电视机就会有声音了。如果此时还是没有声音,可先进入电脑的BIOS设置,查看有无HDMI Audio (HDMI音频)选项,如有,其设置应为"Enable"(开启 ),最后进入语声选项卡,点击“测试硬件”即可。

值得注意的是用HDMI线连接电视机需注意以下问题:(1)虽然HDMI接口支持热插拔功能,但由于不同设备间电路参数存在差异,为了安全起见,应断电连接,否则易损坏HDMI接口电路。(2)部分电视没有自动搜索HDMI信号功能,这时需手动将其设置为HDMI模式。(3)在电脑中,HDMI接口也是需要安装驱动程序的,否则会导致图像或声音异常。(4)需在电脑主机的音频属性中,设置HDMI为默认设备。(5)有些集成显卡的主板还需要进入BIOS,将"Onbard VGA Connect" 选项设置为"D -SUB/HDMI" ,否则也会出现有图像没声音的现象。
须注意的是,HDMI 信号有版本之分,若液晶彩电的
HDMI信号版本低于HDMI信号源的版本,会出现有图像、无声音故障。
二、故障检修步骤与方法
第一步:查看信号源的选项数据及屏参值是否正确。实修时,应先进入菜单查看信号源的选择是否正确,若正确,则进入总线查看该类信号源相关选项数据以及屏参是否正确,如图11所示。

第二步:检查信号输入切换开关工作是否正常。实修时 ,若怀疑电子开关工作异常,可先找到该电子开关对应信号源的输入、输出端,然后用导线跨接输入、输出端后试机,若故障排除,则可确认电子开关有问题,此时重点检查电子开关的供电与切换控制信号是否正常最后代换电子开关。
第三步:检查异常信号源的输入连接线及信号传输电路。对于 常用信号源信号传输电路的检查见上一节的“故障原因分析”。对于信号源的输入连接线而言,要特别注意对HDMI信号线的选择,若选用不当,易出现有图像、无伴音或图像闪烁、黑屏等故障。对HDMI线的选择,首先是对版本的选择。如果电视机支持高清3D功能,则一定要选用1.4版的HDMI线,否则实现不了3D功能。目前,大多数液晶彩电只支持1080P高清,而不支持3D功能,并且很多电视机并未达到1080P的物理分辨率,采用的也是1.3版及其以下的HDMI接口,这时选用1.3版的HDMI线也就能满足要求。当然,如果有条件,建议最好还是选用1.4版的HDMI线,因为1.4版HDMI线可向下兼容其他版本的HDMI线。
提示:目前,市售的HDMI线有多个版本,且质量参差不齐,并且很多HDMI线并不标注版本号,只标注功能,那么选购时应查看其是否支持3D和网络功能。
选购HDMI线时,线材质量是关键,先观察HDMI线两端的接头是否镀金。优质的HDMI线两端接头一般都是镀金的(价格要略高一些),如图12所示。需说明的是,并不是未镀金的HDMI线就不好,也有部分没有镀金的HDMI线的信号传输能力也很好。

接下来看线缆两端是否带有抗干扰磁环,如图13所示。磁环对于HDMI线的作用是阻止混入原始信号中的杂质信号输入或输出。连接在线缆内部的地线将杂质信号(高频电流)引到大地,这样就能达到净化传输信号的目的。

在芯线方面 ,最好选用纯铜芯线,因为这样才能保障信号的高质量传输。目前,市场上有很多HDMI线采用廉价的铜包钢材料,其传输性能远远不如纯铜芯线,甚至达不到1080P的信号传输效果。当然,市场上也有用纯银做成芯线的HDMI线,但这种线的价格昂贵。
提示:1.劣质 HDMI线在使用一段时间后,容易出现接触不良、抗千扰能力差等现象,则显示的图像会表现为闪烁、效果差、黑屏等现象。2.目前,市售的 1.4版HDMI线很多采用简易版(13根芯线+1地线),而标准版则有19根芯线和1根地线。简易版比标准版少了4根屏蔽线及2根功能线,并且部分线采用劣质芯线,其信号传输效果大打折和。
第四步:检查主芯片。在路测量主芯片的异常信号源的输入端口的在路电阻,对比其他信号源的电路电阻,判断主芯片有无问题。正常情况下,主芯片的信号输入端口的正、反向在路电阻分别为数千欧姆和数十千欧姆,两者的差值很大。若测得的正、反向在路电阻均很小或者两者差值很小,则表明主芯片的该端口内部电路已损坏。第五步:重新升级软件。若怀疑软件有问题,可先进入总线找到始化”或“复位”选项,如图14所示("RESET"表示复位的意思),进行此项操作,若无效,则重新升级软件。

例如:一台海信液晶彩电,只要接 上VGA线(线的另一端并不连接电脑等设备),电视就自动关机。解决办法:进入总线,进行清空母块操作即可。综上所述,某类信号源状态异常故障的检修流程如图15所示。
三、故障检修实例
例1:一台海尔LE42H320彩电(6178 机芯),在TV状态无信号。分析检修:开机后进行搜台操作,屏上显示频率变化,但无图像。此类故障多为高频调谐器工作异常所致。测得高频头供电只有2.1V,而正常值应为5V。断开高频头的供电端,供电电压仍为2.1V,这说明该供电电路有问题。
此路5V供电由U23 (LM7805) 稳压后提供。手摸U23表面很烫,测其输入端①脚电压为12V,但输出端③脚电压为2.1V,断开③脚外围电路后仍为2.1V,判断U23损坏,换新后故障排除。
例2:一台创维42LBIAW彩电(8TT9机芯),TVAV图像彩色失真且有拖尾现象,但伴音正常。分析检修:输入VGA或高清YPbPr信号,图像正常。由于TV、AV图像类仪彩色制式设置错误时的现象,先打开菜单,检查彩色制式设置,正确。VGA及YPbPr图像正常,这说明主芯片中的数字视频信号处理电路、魔画板电路、逻辑板(T-CON)及屏组件均正常,怀疑总线数据有问题,决定先进入总线进行初始化操作试试。
该机进入总线方法如下:按住本机的V-键 将音量减至“00"不松手,同时按遥控器.上的屏显键,即可进入工厂调试模式菜单。用遥控器的P+/-键选项,找到“EPROMADJUST"菜单,将光标移至ADDRESSOO项,按遥控器的V+键,将其值改为"ADDRESS10" ,再将光标移至VALUE项将其值改为“VALUEO3"。关断电源后再开机,即可完成初始化操作。
按上述方法初始化后试机,故障解除。改用VGA和YPbPr信号试机,发现图像彩色偏红。这是因为自动初始化改变了白平衡数据,须重新进行调整。再次进入总线,找到“MST9151 ADJUST"(白平街调整)菜单,选择AUTOADJUST项,按压遥控器的V+键,即可进行自动白平衡调整。调整完毕后交流关机,再次开机,输入各种信号源试验,图像均正常。
例3:一台创维55L09HF液晶彩电(8DA5机芯),能切换到HDMI状态,但输入HDMI信号声、像全无。分析检修:试机输入TV.AV等信号,图像、声音均正常,由此判断故障出在HDMI信号输入电路中。
该机采用具有强大图像处理功能的SVP-QX68(泰鼎公司开发 )作为主芯片。由于SVP-QX68 自身只能接收一路HDMI信号,为了能接收两路HDMI信号,该机安装有三选一HDMI/DVI信号切换集成块PS321(U18),如图16所示。
PS321 的工作电压为3.3V ,可以输入3路HDMI/DVI信号,在总线控制下选择其中的一路HDMI/DVI信号输出。
分别从HDMI1、HDMI2端口输入信号,均无反应,判断HDMI端口损坏的可能性不大;换用HDMI连接线后故障依旧,由此判断故障在以U18为中心的切换电路中。测得U18的3.3V供电滤波电容C234两端电压为ov,顺着线路检查,发现贴片电感FB28已断路。测量C234两端的在路电阻,并无短路现象,试用一只02电阻代换FB28后开机,故障排除。
例4:一台海信TLM47T08GP型液晶彩电,用HDMI线连接XBOX360型游戏机,只有图像没有声音。分析检修:该故障的原因是游戏机的视频选项设置错误,其正确的设置方法如下:先对游戏主机开机,将光标移到“系统设定"项中,如图17所示,进入主机设定选择“显示",如图18所示,选择“显示搜索”并进入,如图19所示,将“显示搜索”设为“停用" ,在随后出现的对话框中选择"是" ,最后关机后再重新开机即可。
