前言:目前,智能彩电已成为平板彩电的主流,与使用者的交互体验。极大地扩展了电视的应用范围,颠覆了人们对传统电视的认知,在电视发展史上具有划时代的意义。在智能彩电中,软件是整机的“灵魂”,具有举足轻重的作用。若软件异常,必然会导致不开机.死机等故障。从实修情况看,智能彩电的软件故障率较高,软件故障的检修与排除是当前维修的难点,下面,让我们携手探访智能彩电的特殊电路,追踪控制信号的来龙走脉,一起揭开软件故障的神秘面纱! Iet's go......
DDR是双倍速率同步动态随机存储器的简称。该元件是平板彩电主板上非常重要的元件之一,其作用是存储主芯片运行中产生的中间数据。由于DDR线路密集、控制复杂、数据传输速度快,所以故障率相对较高,并且难以检测判断,尤其是在智能电视中。为便于检修这部分电路,下面从实际检修角度出发,对DDR电路特点与检修方法进行介绍,供参考。
一、DDR类型简介
目前,DDR芯片技术已发展到了第四代,即DDR4。这四代DDR(DDR1~DDR4 )的供电、基准电压等主要参数均不相同,具体值见表1。
就平板彩电而言,普通电视多用DDR1或DDR2,而智能彩电已全部采用DDR3。从外形看,DDR1采用TSOP封装(薄型小尺寸封装,引脚从芯片边缘伸出,采用表面安装技术直接附着在PCB板的表面),如图1所示;DDR2 ~DDR4采用FBGA封装(采用底部有焊球的面阵结构方式,即细间距球栅引脚阵列分布,且封装所需的安装面积与芯片面积接近),如图2所示。
与DDR2相比,DDR3的性能大大提高,其工作电压为1.5V,功耗进一步降低;能够在400MHz~ 800MHz的时钟频率下运行,且采用了8n(n表示I/O接口的大小,通常为4、8或16,即每个内存访问周期传输8个数据宇)预取结构,为数据传输提供了更高带宽,每只管脚的数据传输速率为800Mbps~1600Mbpso与DDR3相比,DDR4的工作电压降为1.2V(移动版DDR4的工作电压更低),内存时钟频率范围提高到667MHz~1.6GHz,存储密度高达16GB(DDR3仅为8GB ),理论上的数据交换速度是DDR3的两倍。虽然DDR4具有高速、高效的优点,但普及率较低,目前主要用于部分电脑主板。
提示:1.DDR不同于24、25系列等EEP-ROM存储器,DDR3是易失性存储器,断电时数据立即丢失。
地址线中传输的是地址信号。在控制信号的作用下,系统根据地址信号对交换的数据进行准确寻址,从而确保数据传递的准确性。在主板图纸上,地址线号一般以RA或MA开头,如图6所示,RAO~RA14就是DDR的15条地址线。
主芯片与DDR的数据端通常直接相连,对交换的数字信号进行传输。数据线一般以RDQ或MDQ开头,如图7所示,RDQ0~RDQ31就是DDR的32条数据线。需说明的是,在实际检修DDR电路时,除了能在图纸上识读DDR的引脚功能外,还需识读DDR引脚的外围线路走向标注,这样才能快速地找到DDR引脚的外接元件,尤其是与主芯片相连的引脚。识图时,需从DDR外围线路走向标注中找出关键字母,从而判断出该条线路的功能与去向。例如:在创维50E760A型液晶彩电( 8S06机芯)中,主板上共有4片容量为2GB的DDR3(位号为U300~U303,型号均为H5TQ2G63BFR一H9C),用于装载与运行主程序及信号数字处理过程中的中间数据。其中,U300的外围线路走向标注如图8所示,具体意义见表2。
提示:在新型平板彩电中,通常安装有型号相同的两片或多片DDR。由于这些DDR的具体用途不完全相同,则外围电路有所差异。在主板图纸称作“运行内存”(简称“运存”)。EEPROM存储器是非易失性存储器,不论在通电状态还是在断电状态下,数据都可以存储。因此,EEPROM主要用于存储用户数据或程序数据。2、DDR3具有读取数据快、工作电压低、功耗小稳定性高等优点,现广泛用于电脑、通讯设备、工业控制及智能家电产品中,是目前的主流内存。
二、DDR电路特点
1、供电与基准电压
DDR的供电电压见表1。除供电外,DDR正常工作还需要基准电压(VREF),其原因如下:在数字电路中,数据交换是以0、1方式进行传输,当电压值高于供电值的一半就被认为是“1" ,低于供电值的一半就被认为是“0”,这个供电值的一半即为基准电压,所以DDR1~DDR3的基准电压分别为1.25V 0.9V和0.75V。
值得注意的是,DDR对供电电压与基准电压的要求非常高,不仅要求其电压值准确,并且要求其纹波非常小。否则,易出现图像上有干扰开机困难、自动关机或死机等故障。
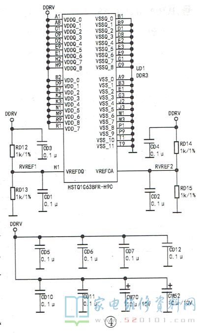
在平板彩电主板电路中,通常由一个DC-DC电路或低压差稳压电路(LDO)产生DDR供电电压(DDRV),该电压不仅供给主芯片内部的DDR,还分别供给主芯片外挂的每一片DDR。DDR的基准电压均由DDR供电分压得到,其值为DDR供电的一半。例如:主芯片MT5501设有5个供电端和一个基准电压端,如图3所示;外接的每片DDR均有多个供电端和两个基准电压端,如图4所示。
提示:DDR的供电和基准电压是实修的关键测试电压。若这两个电压发生变化,则通讯数据就可能被错误地识别,从而造成主芯片和DDR无法正常工作。
2、控制线、地址线与数据线
在平板彩电中,主芯片通过地址线.数据线、控制线和DDR建立双向通讯,进行数据的读/写。控制线中传输的是写使能、片选、差分时钟、行列地址选通(又称“块控制”)等承担控制功能的信号,如图5所示,RWE#是写使能控制信号,CS#是片选控制信号,CLKO、CLKO#是差分时钟信中,为了表明DDR引脚的对应连接点,故在引脚外加有外围线路走向标注。
三、DDR电路故障特点
在非智能平板彩电中,部分主板上安装有一片或两片DDR,其主要作用是对主芯片解码过程中产生的中间数据进行存储,以便后续处理时调用。在此过程中,DDR的作用相当于解码器的“中转仓库”。若"中转仓库”运转异常,必然会导致解码所得结果异常,通常表现为以下两种现象:一是图像的部分区域有马赛克,如图9所示;二是图像显示错乱,出现乱码,或者在不同区域出现两幅或多幅相同的图像,如图10所示。
另外,有些机型在出现上述图像异常故障时,伴音中还夹杂有刺耳尖叫声。在智能平板彩电中,主板上通常安装有两片、四片甚至更多片DDR,如图11所示,这是因为在这类彩电中,DDR不仅参与解码,还参与CPU控制。智能彩电在开机启动或运行某些功能(如上网、点播、游戏等)时,数据量非常大,并会产生大量随时调用的中间数据,仅靠CPU和FLASH(闪存)是难以完成的,这时需要DDR参与其中,并将FLASH中的程序调入到DDR中运行,从而确保程序顺利运行。
另外,大多数智能彩电的CPU在开机时会对所有的DDR进行检测,若DDR电路异常,则检测难以通过,从而出现不开机、开机困难或死机等故障。提示:在智能彩电中,按DDR的实际功能可分为两大类:一类是配合主芯片的解码电路工作,完成对各类输入信号的解码处理,这类DDR俗称“解码DDR";二是配合主芯片的CPU工作,完成系统启动及某些功能的软件数据处理,这类DDR俗称“软件DDR"。
四、DDR电路故障检修方法
对于非智能彩电而言,当出现图9、图10所示。故障时,在确认信号源及主板供电正常的前提下,重点对DDR电路进行检测。对于智能彩电而言,当出现不开机、开机困难或死机故障时,在确认主板供电正常的情况下,可先通过串口工具读取开机打印信息,以帮助判断故障原因。
1、查看开机打印信息
由于智能彩电中有多片DDR,加之主程序和引导程序位于不同的地址区,因此想要快速地判断是哪一片DDR的问题,则必须先了解各片DDR在电路中的实际功能,以及各个芯片厂家的设计习惯,这样再结合开机打印信息,便可快速地判断故障原因,下面举例说明。
在Mstar芯片方案中,需先分清BIST0O(配合CPU完成程序运行的DDR)、BIST1(配合主芯片解码的DDR)的位置。对于主芯片MSD6A928、MSD6A938而言,还需找到BIST2对应的DDR的位置。
例如:在图11(2期8页)所示的主板中,BISTO对应的DDR位于主芯片MSD6A918WV-WR的左侧,BIST1对应的DDR位于主芯片的上方。若该主板的开机打印信息如图12所示,则表示检测BISTO失败( FAIL表示失败的意思),需检测主芯片左侧的DDR电路;若开机打印信息如图13所示,则表示检测BIST1失败,需检测主芯片上方的DDR电路。值得注意的是,开机打印信息显示的是开机过程中的检测结果,显示的异常情况并不等同故障原因。对于故障原因的判断,需根据开机打印信息结合电路配置进行分析,例如:一台TCL MS28机芯液晶彩电,二次不开机,其开机打印信息如图14所示。
第2行信息表示检测BISTO失败,第4.5行信息表示主芯片发送给BISTO的信息及BIST0返回的信息均缺失。-般情况下,如DDR电路异常,并不影响主芯片对DDR信息的发送,只有主芯片相关引脚虚焊或损坏,才会导致DDR检测信息的发送与接收信息缺失。补焊主芯片后试机,故障排除。从本例可看出,开机打印信息提示BISTO对应的DDR检测失败,但故障原因并不是该DDR电路的问题。再如:一台创维MS48机芯液晶彩电,二次不开机,其开机打印信息如图15所示。第2、3行信息表示对两块DDR的检测均失败,第4.5行信息表示在通讯检测中,两块DDR均未收到主芯片发送的信息。根据经验,两块DDR同时损坏的可能性不大,故障原因极有可能是主芯片虚焊或损坏。补焊主芯片无效,更换主芯片后故障排除。
在MTK芯片方案中,DDR分为A通道和B通道,对应Mstar芯片方案的BIST0和BIST1,此处不再重复。在RTD芯片方案中,开机时系统不检测DDR。若配合解码的DDR电路异常,则不影响开机,但在出现开机画面后死机(俗称“卡LOGO或卡机”故障);若配合CPU完成启动程序的DDR电路异常,仍会出现不开机故障。例如:一台主芯片为RTD2995的液晶彩电,开机打印信息如图16所示。
此故障既可能是引导程序自身异常,也有可能是配合CPU完成启动程序的DDR电路异常,这时可先烧写引导程序,若无效,则检查相关DDR电路。提示:在检修液晶彩电二次不开机故障时,如果开机打印信息在检测DDR正常后停止显示,则故障原因多为引导程序异常或相关存储器损坏。本着先软件后硬件的原则,可先对故障机进行软件升级,然后再检查相关存储器电路。
2.烘干与补焊
DDR与主芯片之间的线路密集,串联的排阻体积与间距均很小,如图17所示。
若这部分线路受潮,或线路上的灰尘油污过多,易引起线路间漏电,导致DDR与主芯片的数据交换异常,从而出现不开机、开机困难或无规律自动关机等现象。实修时,可先清除该线路上的杂物,再用吹风机烘干此部分线路,如此往往能起到事半功倍的效果。另外,由于DDR及主芯片引脚较多,且多采用BGA封装,加之主芯片工作时发热比较厉害,所以DDR及主芯片引脚虚焊现象较多,尤其是主芯片。在补焊主芯片与DDR后,需检查DDR与主芯片之间的排阻,以及主芯片背面的贴片元件引脚有无脱焊现象,如图18所示。
实修时,建议对这些元件一并 补焊。
3.检测供电、基准电压及通讯电路
若确认DDR电路工作异常,则先检测DDR的供电与基准电压再检查通讯电路。DDR的供电测试点为DDR芯片旁边的贴片滤波电容两端,基准电压的测试点为DDR芯片旁边的两只分压电阻(有的位于主板的正面,有的位于主板背面)的连接点。若一时难以找到DDR的供电测试点,可先找到给DDR供电的DC-DC电路或低压差稳压电路,如图19所示,电源板送来的+5V_ Standby电压(待机时)或+5V_ Nomal电压(二次开机后),经U305(SY8009B )DC-DC变换得到+1.5V_ DDR供电;然后根据其输出电压的线路走向进行查找。提示:若DDR供电纹波较大(故障现象通常为图像上有点状干扰线或开机困难、死机等),可先找到给DDR供电的DC-DC电路或低压差稳压电路,在其输入输出电压滤波电容两端各并联一只100uF/16V的电解电容即可。DDR通讯电路中通常串有排阻,排阻两端分别同DDR与主芯片数据端或地址端相连。因此,排阻引脚为DDR通讯电路的测试点。若DDR通讯电路中无排阻,则测试点为靠近DDR及主芯片数据端或地址端的过孔,如图20所示。
实测时,先检查排阻引脚有无开焊现象,再对比测量排阻中各电阻有无开路现象。接下来将数字万用表置于二极管挡,红表笔接地,黑表笔接上述通讯电路的测试点,如图21所示。正常时,万用表的读数在0.5~0.6之间。若实测值偏离该范围,就可判断此路异常:若偏大,通常为通讯电路中的过孔不良(过孔不通或时通时不通);若偏小,通常为DDR或主芯片相关引脚短路。

若要准确地判断通讯电路异常的故障原因,可拆下DDR进行测量。图22 一块DDR3印制板测试点,有多个供电端,两个基准电压端,A0~A15共16个地址端,DQ0~DQ15共16个数据端。正常时,相同类型(如供电、基准电压地址或数据)引脚的在路电阻值应相同。若不相同,则表明该端外围线路有问题。在康佳TCL部分液晶彩电中,因印制板的质量问题DDR通讯电路中的过孔不良现象较多。

五、故障检修实例
例1:一台长虹LED39C2000I型液晶彩(ZLM41GIJ1机芯),上电后电源指示灯亮,但二不开机。分析检修:上电后测量主板上DC-DC电话输出的1.2V、3.3V等电压均正常。手摸主芯片微热感,大致判断主芯片的供电无问题。检DDR芯片(UD1、UD2) 的供电与基准电压均常,转向检查DDR与主芯片之间的通讯线路。路测量排阻RND1~RND7中各电阻的阻值,图23所示,发现RND7的阻值与其他排阻的值相差较大。仔细察看,发现RND7一端虚焊。补焊后试机,故障排除。
例2:一台TCL-L52E9FE型液晶彩电(MS91C机芯),图像上有马赛克,如图24所示。分析检修:根据故障现象分析,此故障的原因应是DDR (U304)异常,或者DDR与主芯片U300之间的通讯不畅。检查DDR的供电与基准电压均正常,怀疑DDR和U300虚焊,按压DDR和U300,故障现象不变,补焊后故障依旧。代换DDR后无效,代换U300后故障排除。
例3:一台乐视X50AIR型液晶彩电(6A918机芯),冷机时图像、声音均正常,但热机后图像上出现马赛克,喇叭中发出尖叫声,并伴有死机现分析检修:冷机时图像与声音均正常,这说明电源、控制系统和屏组件电路工作正常。在出现故障时测量开关电源输出的各组电压均正常,判断故障部位在主芯片6A918或DDR电路中。本机主板上安装有4块DDR芯片(U401.U402、U404.U405),型号均是H5TQ4G63AFR-RDC,如图25所示。检测主芯片的各组供电与外接晶振,以及U501的供电及基准电压,均正常。在出现故障时,用蘸有酒精的棉球对主芯片和DDR芯片进行降温。当对U404降温时,图像上的马赛克大幅减少,喇叭中的尖叫声消失,由此判断U404性能不良,将其换新后故障排除。
例4:一台创维50E510E型液晶彩电(8R93机芯),二次开机后自动关机,随后又自动重启。如此反复。分析检修:上电测得电源板输出的各组电压均正常,主板.上各组供电及总线、复位、晶振也正常。怀疑软件有问题,下载对应的引导程序与主程序升级均失败,这说明硬件有问题。该机主板型号是5800-A8R930-0P20,安装有4块DDR芯片(U9~U12),如图26所示。其中,U11、U12负责软件处理,U9.U10负责图像处理。测量主芯片的供电DDR的供电与基准电压,均正常;在路测量DDR与主芯片之间的通讯排阻,未发现异常;补焊主芯片与DDR后试机,故障依旧。从旧板上找来同型号的DDR代换U11、U12后试机,故障排除。