MSD338STV5.0液晶电视主板换板操作图解

2022-06-15 17:18:34  阅读 1430 次 评论 0 条
摘要:

近年来,智能液晶彩电已成主流,这类液晶彩电的显著特点是搭载有操作系统,并具有上网功能。为满足这类彩电的换板需求,市面上出现了多款适用于智能液晶彩电的通用主板(俗称万能主板),下面以MSD338STV5.0型

     近年来,智能液晶彩电已成主流,这类液晶彩电的显著特点是搭载有操作系统,并具有上网功能。为满足这类彩电的换板需求,市面上出现了多款适用于智能液晶彩电的通用主板(俗称万能主板),下面以MSD338STV5.0型通用主板为例,介绍其改装连线与软件升级操作,供换板时参考。

一、主板特点简介

      该主板采用新型单芯片MSD6A338,如图1所示。该芯片基于Android 4.4操作系统,搭载主频为1.5GHz的2核A7 CPU和多核Mali -400MP2GPU,内存为512MB或1GB(可选),并内置4GB或者8GB的存储空间(可选),具有集成度高功能强大、性价比高等优点。

MSD338STV5.0液晶电视主板换板操作图解 第1张

      MSD6A338不仅内置全功能浏览器,支持HTML5网页格式,可任意浏览网页和视频点播,流畅播放高清视频,还内置应用商城,在第三方许可的情况下可下载海量的电视应用程序。在输入信号方面,MSD6A338不仅支持PAL、NTSC、SE-CAM制式模拟电视信号解调,还支持DTMB制式数字电视信号解调,并具有多种格式音视频信号的解码播放功能。

      该板采用超小型数字高频调谐器,如图2所示,接收ATV(模拟电视)信号频率为48.25MHz~863.25MHz,频道 存储数为99;接收DTV(数字电视)信号频率包含VHF (52.5MHz~219MHz )和UHF( 474MHz~866MHz )频段,频道存储数为400。

MSD338STV5.0液晶电视主板换板操作图解 第2张

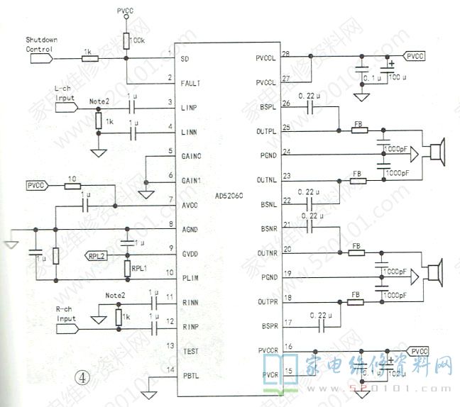
      该板的伴音功放采用高效立体声D类功放AD52060 (AU1),如图3所示,其典型应用电路如图4所示。

MSD338STV5.0液晶电视主板换板操作图解 第3张

MSD338STV5.0液晶电视主板换板操作图解 第4张

      AD52060的供电范围较宽(8V~26V),能方便地与各型电源板(含LED液晶电源板、电源高压二合一板等)相连接;其输出功率较大,在供电为24V的状态下,输出功率可达20WX2(892),在供电为12V的状态下,输出功率为5Wx2(892),这已完全能满足-般的收视要求。该板设有TV、AV、YPbPr、VGA及HDMI (高清晰多媒体接口).USB、TF存储卡等多种输入端口,可输入480i、480p 576i、576p、720p、1080i、1080p数字高清信号,支持jpg、jpeg、bmp、png等格式的图片信号,MP3、WMA.M4A (AAC)等格式的音频信号,MPEG1、MPEG2、MPEG4、RM、RMVB.MOV .MKV、MJPEG、DivX.H.264等多种格式的视频信号。

二、主要插座或接口功能介绍

1.电源输入插座

       为便于与多种电源板相连接,该板有两种电源输入方式(采用其中任何一种方式均可):一是采用单12V供电输入,其输入插孔为CN2或插座CN4;二是采用5VS.5V及12V供电方式,其输入插座为CN3(预留有焊点)。CN3的各脚功能及参数见表1。

MSD338STV5.0液晶电视主板换板操作图解 第5张

2.按键及遥控信号输入插座CN5

       按键及遥控信号输入插座CN5外接按键及遥控接收头,如图5所示。R.G分别接红、绿发光二极管,作为待机和开机指示灯;IR接遥控接收头的信号输出端。S. CH+、CH-、V+、V- M、EN等端外接轻触按钮,分别作为信号源、节目+、节目一、音量+、音量一、菜单、开/待机键,按钮的另一端全接地,改装时非常方便。在实际改装中,也可将插座CN5中R.G改为开关电源或背光灯驱动板开/关控制信号,分别对应于高、低电平有效。

MSD338STV5.0液晶电视主板换板操作图解 第6张

3.背光驱动板连接插座

      CN1该板左下侧红色插座CN1为背光驱动板连接插座,①:②脚为背光驱动板的+12V供电(多为22英寸及其以下的小屏幕),如果背光灯驱动板采用其他电压供电,则不接这两脚;③脚(BK)接背光驱动板的开/关控制端,高电平有效;④脚(ADJ )接背光驱动板的亮度调节端,⑤、⑥脚接背光驱动板的接地点。

4.上屏线接口

       CN6CN6为LVDS上屏线接口,靠近标有白色小三角形的插针为①脚,如图6所示。①脚所在排从左向右的脚位依次为1.3.5.7....①脚对面一排从左向右的脚位依次为2.4.6.8....其引脚功能见表2。

MSD338STV5.0液晶电视主板换板操作图解 第7张

MSD338STV5.0液晶电视主板换板操作图解 第8张

三、软件升级操作

       该主板的软件升级无需专用的烧写(或升级)工具,用普通的U盘即可完成软件升级,非常方便。该通用主板所用的绝大部分升级程序是按屏分辨率分类的,也就是说只要屏的分辨率相同,其驱动程序(升级数据)也基本相同。若配用的液晶屏的分辨率为1920x1080,则先找到该分辨率的升级数据压缩包,然后解压,得到messibin文件(二进制数据格式文件),如图7所示,最后将bin格式文件拷贝到U盘根目录下(注意:拷贝时不能将升级文件放到U盘某文件夹中,也不能更改升级文件的名称)。

MSD338STV5.0液晶电视主板换板操作图解 第9张

       接下来在主板的CN5插座中接上按键、遄控接收头与红、绿指示灯(若无按键,可只接遥控接收头与红、绿指示灯),然后将装有升级文件的U盘插到主板的任意一个USB接口中,最后按住"EN" 键不松手(或将CN5中的EN端对地短接),并接通12V电源,这时红色指示灯亮,几秒后红、绿指示灯交替闪烁,屏上出现升级进度条,如图8所示,此时可松开"EN"键(或断开EN端对地的短接线)。

MSD338STV5.0液晶电视主板换板操作图解 第10张

       提示:(1)若主板已升过级,但原升级程序对应的分辨率与实际所配液晶屏的分辨率相差过大,再次软件升级时,屏上可能无任何显示(黑屏或白屏),但红、绿指示灯会交替闪烁。(2)在软件升级过程中 ,不能拔下U盘,也不能断开主板的供电。否则,会导致主板软件系统损坏,无法再用U盘升级。约两分钟后指示灯停止闪烁,升级进度显示"100%",随后绿灯熄灭、红灯亮,主板自动进入待机状态,这说明软件升级成功,此时需断开12V供电,并拔下U盘(否则,主板会自动开机并重复升级)。接下来再上电二次开机,观察开机画面及图像是否正常。

四、常见故障检修

     故障现象1:在升级过程中,进度条走到中段时停止不动,数十秒后屏上显示红色宇符"FAIL"。分析检修:"FAIL"表示升级失败。此故障的常见原因是升级所用U盘质量较差,多为杂牌U盘或劣质读卡器。这时可换用质量较好、容量不超过16GB且数据格式为FAT32的U盘再试。

     故障现象2:二次开机,指示灯能由红灯变为绿灯,但黑屏。分析检修:该故障原因多为升级数据不正确,即升级程序对应分辨率与实际所配液晶屏的分辨率相差较大。这时需重新选择升级文件,再按前述方法进行升级。

     故障现象3:二次开机后,图像彩色异常,如图9所示。分析检修:此故障现象说明原升级数据基本正常,但仍需进入工厂菜单对屏参数进行调整。该主板的进入工厂菜单方法如下:先按遥控器上的信号源键,待出现信号源选择菜单后,再快速按数字键2.5.8.0进入工厂菜单后,按遥控器上的方向键选择“屏参信息"项并打开,如图10所示。接下来按遥控器上方向键的左右键修改“Ti模式”及“位数”项的值,直至图像彩色正常,最后按遥控器上的“退出”键退出工厂菜单即可。

MSD338STV5.0液晶电视主板换板操作图解 第11张

     故障现象4:二次开机后,图像倒立,如图11所示。分析检修:按上述方法进入工厂菜单,并打开“屏参信息”子菜单(参见图10),找到“倒屏"项,将其值由"on”改为“of",或由“of"改为"on"即可。

MSD338STV5.0液晶电视主板换板操作图解 第12张

MSD338STV5.0液晶电视主板换板操作图解 第13张

     故障现象5:二次开机后,播放桌面上“推荐”、“影视”等栏目下内容时,屏显未连接网络。分析检修:该现象通常系网络设置异常所致。解决方法:在桌面菜单中,选择“设置”一“网络设置”,如图12所示,打开“网络设置"项后的子菜单如图13所示,如果连接有网络线,则选择“有线连接",并按照提示输入MAC地址(具体值写在板背面的贴纸上)及网络账户、密码等值;如果没有连接网络线,则选择“无线连接”,这时屏上会显示电视机附近的WIFI名称,选中用户家的WIFI名称,输入WIFI密码并保存即可,如图14所示。

MSD338STV5.0液晶电视主板换板操作图解 第14张

MSD338STV5.0液晶电视主板换板操作图解 第15张

MSD338STV5.0液晶电视主板换板操作图解 第16张

MSD338STV5.0液晶电视主板换板操作图解 第17张

     故障现象6:二次开机后,菜单或图像的行场中心异常,如图15所示,或者屏上出现几幅分开的画分析检修:该故障现象表明升级数据所对应的分辨率与实用液晶屏的分辨率不一致。这时先重新选择正确分辨率的升级数据,然后按前述方法进行升级。也可在桌面菜单中选择“检测更新”一项(参见图12)并进入该项,然后将装有新升级数据的U盘插在该板的USB接口中,最后按照其提示重新升级即可。

     故障现象7:正常使用一段时间后,红灯亮,二次不开机。分析检修:在二次开机时测量主板上插座CN3的⑨脚(STB端)电压是否由0V跳变为5V,或者插座CN1的③脚(BK)电压是否由0V跳变为3.3V。如果上述电压变化正常,则说明主板工作正常,问题出在电源板上。这时可外接+12V电源试机,以确认原机电源板是否有故障;如果上述电压无变化,说明主板有问题。如果判断主板有问题,可先用u盘进行软件升级,以排除软件故障。如果升级时指示灯不闪烁,即升级失败,则可确认主板硬件有故障,此时先测量主板上的DC-DC变换芯片各脚电压,正常值见表3。如某脚电压异常,则断电检查其外围元件,并测量该DC-DC变换芯片的各脚在路电阻,以判断故障原因。接下来检查WIFI模块、高频调谐电路、eMMC芯片及遥控、按键电路有无接触不良或漏电现象,最后代换主芯片。

MSD338STV5.0液晶电视主板换板操作图解 第18张

版权声明:本文为转载文章,版权归原作者所有,欢迎分享本文,转载请保留出处!