AOC LED4322S液晶电视背光不亮的故障维修

2022-06-13 18:17:10  阅读 792 次 评论 0 条
摘要:

接修一台2017年4月出厂的AOC LED4322S型液晶彩电,开机后指示灯反应正常,但背光不亮。拆机,测三合一板上副电源输出的+12V、+5V1及+3.3V1均正常。二次开机后,测+5V2、+3.3V2

       接修一台2017年4月出厂的AOC LED4322S型液晶彩电,开机后指示灯反应正常,但背光不亮。拆机,测三合一板上副电源输出的+12V、+5V1及+3.3V1均正常。二次开机后,测+5V2、+3.3V2正常,但LED灯供电+V快速升到150V,随后快速降为0V,判断背光驱动电路进入了过压保护状态。根据经验,此故障原因多为屏内灯条开路所致。拆屏后发现,该机采用四根灯条串联,每根灯条上有9只灯珠,总共36只灯珠,如图1所示。

AOC LED4322S液晶电视背光不亮的故障维修 第1张

       用指针万用表R X 10k挡逐个检测,发现一只灯珠开路,一只明显衰减。将这两只灯珠短路(减少两个灯珠对亮度及输出电压影响不大)后试机,故障排除。

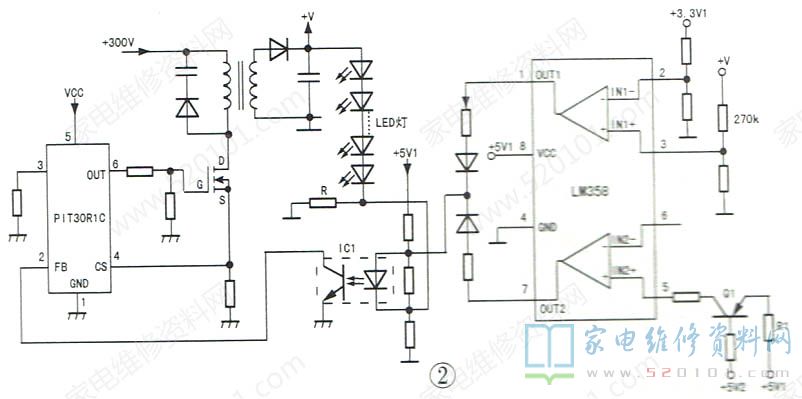
       本故障应是由于灯珠开路,导致背光驱动板高压保护所致。现结合实绘电路(见图2)简述LED背光驱动原理:二次开机后,副电源初级产生的vcC电压(20V左右)加到PIT30R1C⑤脚(VCC),其⑥脚输出驱动信号,推动场效应功率管工作于开关状态,次级输出+V电压,供给LED灯串。PIT30R1C④脚检测开关管电流,②脚(反馈端)检测Led灯串电流,以改变⑥脚输出脉冲的占空比,从而改变输出电压,保持LED灯串电流的恒定。②脚电压过高或过低均将导致电源保护。

AOC LED4322S液晶电视背光不亮的故障维修 第2张

       LM358及外围电路组成保护电路见图2,其内部两个运放接成两个电压比较器。比较器1监测+V电压,②脚(反相输入端)接基准电压,当+V过高时,则取样后的电压使③脚(同相输入端)电压高于②脚,①脚输出高电平5V,光耦IC1饱和导通,PIT30R1C②脚电压接近0V,电源进入过压保护状态。LM358⑥脚(反相端)接入基准电压,当+5V2失压或过载导致该电压大幅下降时,Q1导通,+5V1电压通过Q1加到LM358⑤脚,此时⑤脚的电压高于⑥脚,则⑦脚输出高电平,光耦饱和导通,电源进入保护状态。

      在检修中实测R1阻值超过2M,明显不正常,因为如此大阻值的电阻会使LM358⑤脚一直为低电平,失去+5V2的欠压保护功能。笔者用一只51Ω 1/8W电阻代换R1,在+5V2欠压时,测得LM358⑤脚电压约为3V,高于⑥脚电压,从而使⑦脚能输出保护高电平。

版权声明:本文为转载文章,版权归原作者所有,欢迎分享本文,转载请保留出处!