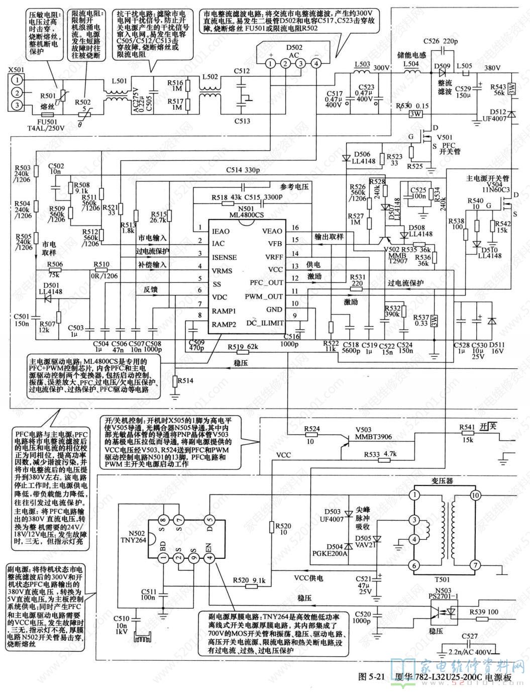
厦华U系列液晶彩电采用的型号为782-132U25-200C的电源板,应用于厦华132U18、132U26、I32U25、I32U19、I32FB26 等液晶彩电中。厦华782-132U25-200C电源板实物图解如图1所示;电路组成框图如图2所示。
该电源板集成电路采用ML4800CS + TNY264组合方案。该电源分为三部分: -是以驱 动控制厚膜电路TNY264 (N502)为核心组成的副电源, 不仅为主板控制系统提供5V工作电压,还通过开关机电路控制,为PFC电路和主电源驱动电路N501提供vCC工作电压;二是以驱动控制电路ML4800CS (N501) 的1/2和大功率MOSFET (开关管)为核心组成的PFC电路,将市电整流滤波后的电压提升到380V;三是以驱动控制电路ML4800CS(NSO1)的1/2和大功率MOSFET (开关管)为核心组成的PWM主开关电源,为负载电路提供24V、18V 和12V电压。
开关机采用控制PFC电路和主开关电源驱动电路NS01供电的方式。AC220V 市电整流滤波后产生约300V的电压,首先为副电源厚膜电路N502供电,副电源启动工作,为主电路板的控制系统提供5v供电,控制系统发出开机指令,待机控制电路动作,将副电源提供的VCC供电送到PFC电路和PWM驱动电路MIL4800CS (N501), 一是驱动PFC电路进人工作状态,将300V电压提升到380V左右,向主、副开关电源供电;二是驱动PWM主开关电源启动工作,向负载电路提供24V、18V 和12V电压。
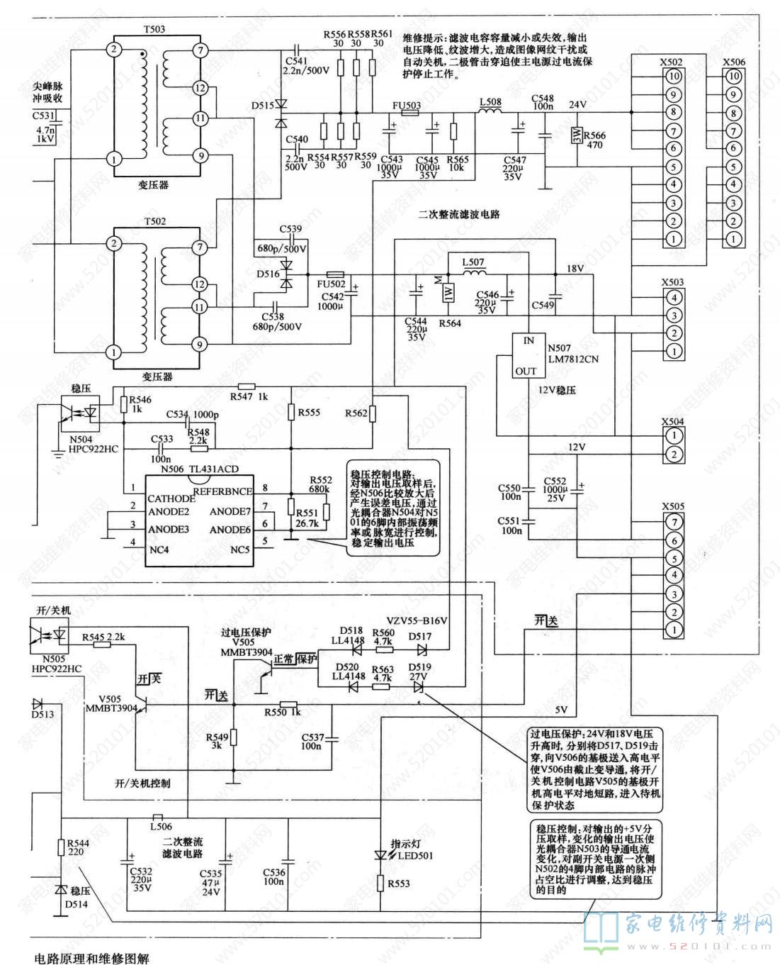
厦华782-132U25-200C电源板在电源的二次电路依托开关机控制电路,设有以V506为核心的过电压保护电路。当发生过电压时,将稳压管D517或D519击穿,向V506的基极送去高电平保护触发电压,V506饱和导通,将开关机电路的高电平拉低,进入待机保护状态。
该电源板的集成电路引脚功能和对地电压见表1、表2。
开机三无,熔丝管FU501烧断,说明电源板有严重的短路情况。一是检查市电输人交流抗千扰电路C505、C513、 C512, 整流全桥D502,滤波电容C517、C523,PFC电路的开关管V501、滤波电容C529是否击穿短路;二是检查主电源开关管V504和副电源厚膜电路N502内部开关管是否击穿短路。
1.指示灯不亮
开机三无,指示灯不亮,熔丝FU5O1未断,故障在副电源电路。首先测量滤波电容C529两端待机时是否有300V电压,开机时是否上升为380V。一是检测副电源二次整流滤波和负载电路是否发生严重短路故障;二是检测N502的外部元器件。如果上述检查正常,则更换N502。
2.指示灯亮
开机三无,指示灯亮,测量主开关电源无电压输出,则是PCF电路或主开关电源发生故障。一是测量N501的13脚是否有15V左右的VCC电压,如果无VCC电压,检查V505、N505、V503 开关机控制电路和副电源T501的3-4绕组外部的整流滤波电路,R529、 R524 是否烧断;二是测量N501的12脚有无PFC激励脉冲输出,11 脚有无PWM激励脉冲输出,如果无激励脉冲输出,检测主开关电源二次整流滤波和负载电路是否有严重短路故障,测量N501的外部元器件是否正常;三是更换NS501 试之。如果测量N501的12脚有PFC激励脉冲输出,11 脚有PWM激励脉冲输出,则是功率输出电路MOSFET故障,对于PFC电路,检测功率输出电路开关管V501;对于PWM主电源电路,检测末级输出电路开关管V504,电流取样电阻R530、R537 是否烧断。
3.自动关机
如果开机的瞬间主开关电源有电压输出,然后降到0V,则是主开关电源的过电压、过电流保护电路启动所致。测量V506的基极电压由正常时的低电平0V上升到0.7V左右,则是以V506 为核心的主电源过电压保护电路启动。此时如果D518的正极电压为高电平,则是24V过电压引起的保护;如果D520的正极电压为高电平,则是18V过电压引起的保护。可采用解除保护的方法,开机根据故障现象和关键点电压判断故障范围。全部解除保护:将V506的基极对地短路,也可将V506的集电极与V505基极之间的连接断开。逐路解除保护:逐个断开v506基极之间的连接隔离二极管D518、D520, 如果断开哪路保护检测电路的隔离二极管后,开机不再保护,则是该路保护检测电路引起的保护。
厦华782-132U25 200C电源板电路原理和维修图解如图3所示。

