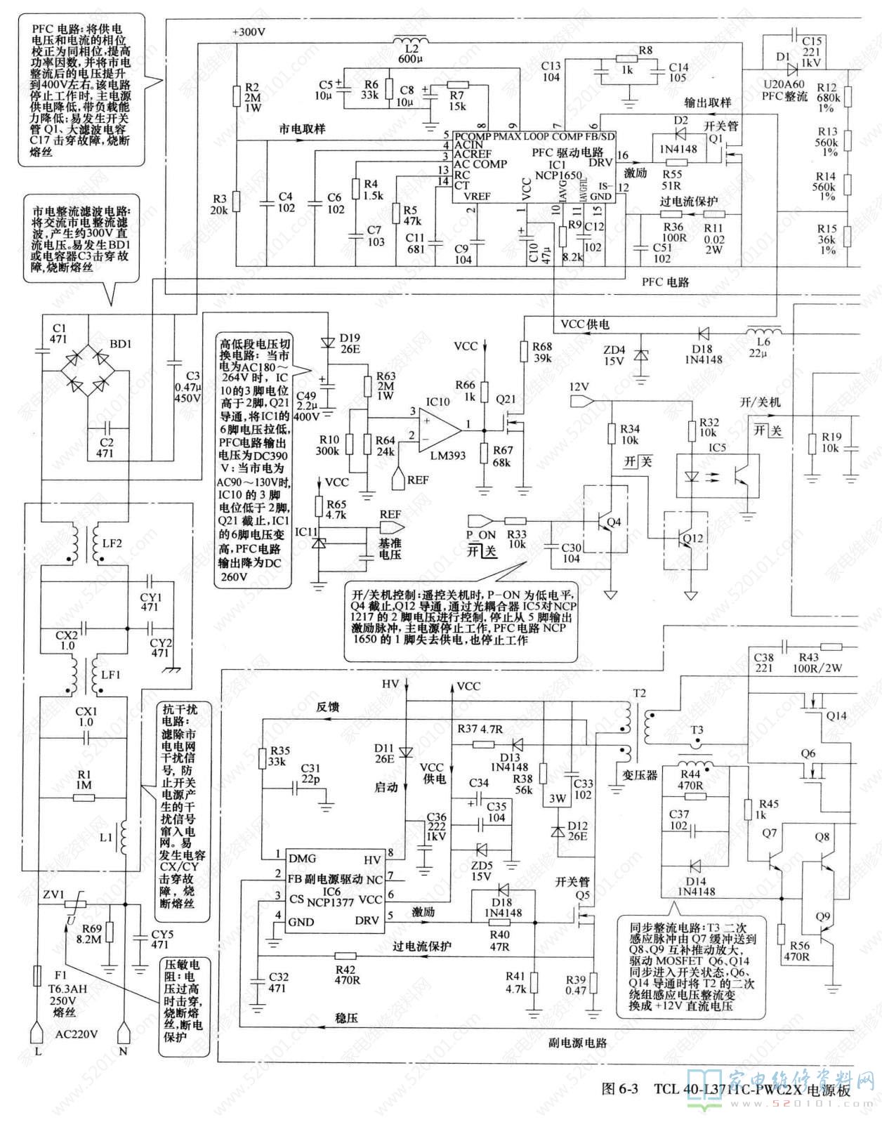
TCL液晶彩电采用的40-13711C-PWC2X电源板,因输出电压和连接器的差异,有PWC2X、PWD2X、PWF2X等几种型号。型号为40-LD3726-PWF2X电源板,与40-13711C-PWC2X电源板电路结构相同,可相互代换。该系列电源板 应用于TCL 40A71-P、LCD37A71-P、LCD32A71-P、 LCD37 B66-P、LCD32B66-P 等液晶彩电中,其中40in液晶彩电配LTA400W2-LO1显示屏。TCL 40-13711C-PWC2X电源板实物图解如图1所示;电路组成框图如图2所示。
该电源板集成电路采用NCP1377 (IC6) + NCP1650 (IC1) + NCP1217 (IC2) 组合方案。
该电源板由三部分组成: 一是以驱动控制电路NCPI377 (IC6) 和大功率MOSFET (开关管) Q5 为核心组成的副电源,为主板提供+12V电压,降压后向微处理器控制系统供电,同时为开关机电路提供VCC工作电压;二是以驱动控制电路NCP1650 (IC1) 和大功率MOSFET (开关管) Q1 为核心组成的PFC电路,校正后将市电整流滤波后的电压提升到400V;三是以驱动控制电路NCPI217 (IC2) 和大功率MOS-FET (开关管) Q2、Q17为核心组成的主电源,为负载电路提供+24V的电压。
开关机采用控制主电源NCP1217 (IC2) 振荡的方式。通电后副电源首先工作,产生+12V和VCC电压,其中+12V电压在主板降后为控制系统供电,此时开关机电路将主电源IC2的2脚电压拉低而停止工作;二次开机后开关机控制电路解除对IC2的2脚控制,主电源启动工作,为主板提供+ 24V电压的同时,还为PFC电路IC1提供VCC供电,PFC电路启动工作,将副电源和主电源的300V供电提升到400V,整机进人开机状态。该电源板在二次侧设有以03为核心的过电压保护电路。保护电路启动时,开关电源停止工作。
该电源板的集成电路引脚功能和对地电压见表1 ~表3。
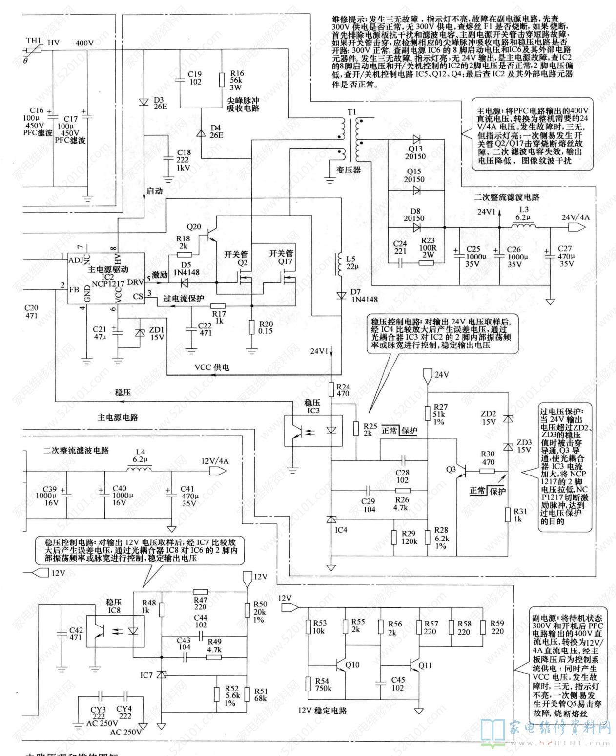
TCL 40-13711C-PWC2X电源板发生故障时,主要引起开机无光栅、无图像、无声音的三无故障。如果发生故障时指示灯不亮,此类故障大多是由PFC电路或12V开关电源出现故障引起。如果指示灯亮,且伴音正常,只是黑屏幕,则是24V关电源故障。
1.有源PFC电路维修
1)有源PFC电路常见故障是开关管Q1击穿和PFC控制器NCP1650不振荡。Q1击穿会烧坏交流输人回路熔丝管F1,待机红色指示灯不亮; NCP1650 不振荡时,输出滤波电容C16正端电压约为280V。
2) Q1 击穿的主要原因有:升压电感I2内部短路; NCP1650 损坏等。在更换Q1试机前,一定要查明引起Q1损坏的原因,以免再次损坏开关管。
3) NCP1650 不振荡时,先测NCP1650的1脚供电电压是否正常,若没有供电电压,查D18、L6等元器件;若NCP1650的1脚供电正常,查NCP1650的13、14 脚外接定时电阻R5、定时电容C11是否正常。
2. 12V开关电源维修
1) 12V 开关电源常见故障有开关管Q5击穿,NCP1377 不振荡,NCP1377 能起振但无12V直流供电。这3种情况表现相同,接通电源,待机红色指示灯均不亮。
2) Q5击穿的原因有:开关变压器T2的绕组短路;尖峰吸收回路D12、C3、R38 失效; NCP1377 的2脚稳压控制功能失效; NCP1377 的3脚电流环中的R39阻值变大等。
3)当NCP1377不能振荡时,在NCP1377的6脚加15V维修电压,若起振,查8脚启动元器件和6脚供电元器件是否正常。若8脚和6脚元器件正常,但仍不起振,再查NCP1377的2脚电压环中的C42、IC8等元器件是否正常。
4)若NCP1377能振荡,但无12V输出,需要检查同步整流电路中T3、Q7、Q8、Q9和MOSFET (开关管) Q14、 Q6等元器件。
3.24V开关电源维修
由于24V开关电源只给屏内逆变器供电,若24V开关电源无输出或者逆变器板损坏,均会引起“黑屏但声音正常”的故障现象。维修时,先测量24V开关电源是否有输出,若输出正常,说明故障出在逆变器板电路;若无输出,查24V开关电源。
1) 测量开关机控制电路Q12的集电极电压是否为5V,无5V电压,检测微处理器送到电源板的P_ON电压是否为高电平,如果为低电平,则检查微处理器控制道路;如果为高电平,则检查开关机控制电路的Q4、Q12。
2)测量24V开关电源输出的24V电压是否正常,有24V电压输出,故障在逆变器电路;无24V 电压输出,故障在24V开关电源道路。先测量NCP1217的8脚是否有启动电压,无启动电压,检查8脚外部的D3是否开路、C18是否短路,8脚内部是否击穿漏电。
3) 如果NCP1217的8脚有启动电压,则测量5脚是否有激励脉冲输出,无激励脉冲输出,检查NCP1217的外部元器件,必要时更换NCP1217;有激励脉冲输出,故障在功率输出电路,重点检测Q20、Q2、Q17及其外部元器件是否正常。
4. 自动关机维修
该开关电源保护电路完善,当电源输出电压过高、过低或输出电流过大时,均会弓I起保护电路动作。引起不开机和自动关机故障,其故障特点是开机的瞬间往往有电压输出,然后下降,开关电源停止工作。检修时,可采取测量关键点电压,判断是否保护和解除保护的方法,判断故障范围。由于12V电源和24V电源的保护电路是相互独立的,可分别测量开关电源的12V或24V电压,判断故障范围。
1) 如果12V电源开机的瞬间有电压输出,然后降为OV,同时伴随指示灯亮后熄灭,则是12V电源保护电路启动。如果24V电源开机的瞬间有电压输出,然后降为0V,则是24V电源保护电路启动。
2) 对于以Q3为核心的过电压保护电路的维修,在开机的瞬间测量保护电路Q3的基极电压,判断该保护电路是否启动。Q3的基极电压正常时为低电平0V。如果开机时或发生故障时,Q3的基极电压变为高电平0.7V以上,则是过电压保护电路启动。
3)对于24V过电压保护电路,可采用解除保护的方法维修,断开电源板与负载电路的连接线,将开关机控制电路P-ON接+5V或将Q4的集电极和发射极短路,模拟开机控制,在+ 24V输出端接假负载,将Q3的基极与发射极短路,解除保护开机测量输出电压如果解除保护后, 测量输出的+ 24V电压过高,重点检查可能引起过电压保护的稳压控制电路的取样电路R27 ~ R29、误差放大电路IC4、光耦合器IC3;如果测量输输出的+24V电压正常,则检查过电压保护检测电路元器件ZD2、2D3是否漏电、稳压值是否下降。
4) 引起过电流保护的原因: - -是负载电路或开关电源二次整流滤波电路发生短路、漏电故障;二是过电流取样保护电路元器件变质引起的误保护。检修时,可断开电源板与主电路板的连接器,在输出端接假负载进行开机实验。如果开机后不再发生自动关机故障,则是主板电路发生短路漏电故障,否则是开关电源电路故障,一是检查开关电源二次整流滤波电路元器件是否发生短路漏电故障;二是检查末级开关管源极电阻R39、R20 是否阻值变大。
TCL 40-13711C-PWC2X电源板电路原理和维修图解如图3所示。

