家电维修技术网-乐视超3 X43液晶电视主板到各接功能晓板接口电路 家电维修技术网
X
  • 首页
  • 彩电维修资料
  • 彩电总线调整
  • 维修基础
  • 电子线路
  • 电子制作
  • 空调制冷
  • 说明书
  • nbsp
  • 电压
  • 故障
  • 电路
  • 输出
  • 开机
  • 电源
  • 信号
  • 电容
  • 伴音
  • 电阻
  • 检查
  • 更换
  • 代换
  • 击穿
  • 查看更多热门标签

首页 > 国产彩电维修 > 正文

乐视超3 X43液晶电视主板到各接功能晓板接口电路

2022-02-28 19:32:12  阅读 754 次 评论 0 条
摘要:

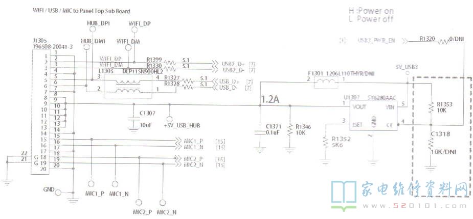
乐视超3 X43液晶电视主板到各接功能晓板接口电路 第1张

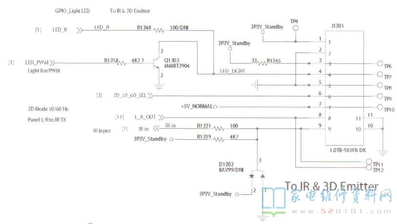
乐视超3 X43液晶电视主板到各接功能晓板接口电路 第2张

乐视超3 X43液晶电视主板到各接功能晓板接口电路 第3张

乐视超3 X43液晶电视主板到各接功能晓板接口电路 第4张

乐视超3 X43液晶电视主板到各接功能晓板接口电路 第5张

版权声明:本文为转载文章,版权归原作者所有,欢迎分享本文,转载请保留出处!
点赞
分享:
PREVIOUS:乐视液晶电视主板和电源板常见的故障维修一览表
NEXT:创维55G7电源板自动待机故障的技改方法

文章导航

相关文章 关键词:接口电路主板小板乐视超级电视
  • •创维40X6液晶电视开机三无的故障维修
  • •创维47E600Y液晶电视无伴音的故障维修
  • •三星UA50F5080AR液晶电视红灯瞬间闪烁而后常亮不开机
  • •三洋43CE2562A1液晶电视红绿蓝交替显示的故障维修
  • •创维32E381S液晶电视开机困难的故障维修
  • •乐华TSUMV36KU机芯液晶电视电路原理与维修
  • •TCL L50E5090-3D液晶电视不开机的故障维修
  • •TCL LE46M08E液晶电视伴音有噪音的维修

最近发表

  • 27/02月
    创维40X6液晶电视开机三无的故障维修
  • 26/02月
    创维47E600Y液晶电视无伴音的故障维修
  • 26/02月
    TCL液晶电视TV3205-ZC02-01(A)电源板电路原理与故障维修
  • 25/02月
    长虹UD42C6080iD液晶电视电源指示灯闪不开机的维修
  • 25/02月
    创维42E380S液晶电视指示灯绿灯亮无背光
  • 25/02月
    三星UA50F5080AR液晶电视红灯瞬间闪烁而后常亮不开机

标签列表

nbsp 电压 开机 故障 检查 电容 行管 电源 击穿 信号 电路 高压包 伴音 电阻 负载 光栅 输出 存储器 焊点 晶振
    Copyright © 2023 Howtod.com 浙ICP备16006877号-11