荣事达RSD-LED3216P液晶电视黑屏的故障维修

2022-01-18 18:30:45  阅读 718 次 评论 0 条
摘要:

一台荣事达RSD-LED3216P型液晶彩电,故障表现为通电后屏亮,一-会儿后黑屏。上电试机,发现黑屏时背光熄灭,由此判断故障原因可能是LED背光驱动电路或者LED灯条损坏。该机采用三合一主板(型号:ST

      一台荣事达RSD-LED3216P型液晶彩电,故障表现为通电后屏亮,一-会儿后黑屏。上电试机,发现黑屏时背光熄灭,由此判断故障原因可能是LED背光驱动电路或者LED灯条损坏。该机采用三合一主板(型号:ST56RU- FP3),主芯片型号是TSUMV56RUUL-Z。

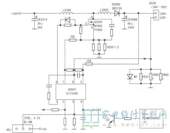
荣事达RSD-LED3216P液晶电视黑屏的故障维修 第1张

       开机后实测开关电源输出的+12V、+24V、+5V电压均正常,背光驱动电路输出电压约为40V,也基本正常。该机背光驱动芯片采用BIT3368(U2047),如图1所示。在路检测U2047外围元件未发现异常,怀疑屏内灯条有问题。用点灯仪测试LED灯条,灯条不亮,判断屏内LED灯条开路损坏,小心翼翼地拆开液晶屏,发现该机共有3根并联的灯条,每根灯条上串联有6只6V灯珠。有2根灯条上的多只灯珠已明显烧焦,网购同一规格灯条3根,装机后上电,故障排除。

版权声明:本文为转载文章,版权归原作者所有,欢迎分享本文,转载请保留出处!