TCL L32P31BD液晶电视开机三无的故障维修

2022-10-14 18:19:45  阅读 872 次 评论 0 条
摘要:

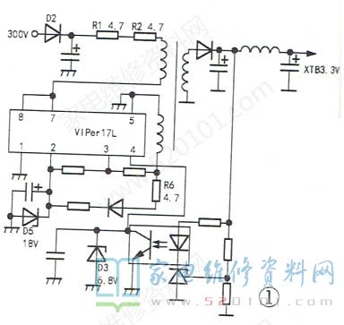
接修一台TCL液晶电视,客户说一场大雷雨后电视机打不开了,当时电视机是待机状态。先看保险丝未断,电源板上有一块7脚芯片已爆裂。按实物画出该芯片外围电路,如图1所示。查资料得知该芯片型号应是VIPer17L

       接修一台TCL液晶电视,客户说一场大雷雨后电视机打不开了,当时电视机是待机状态。先看保险丝未断,电源板上有一块7脚芯片已爆裂。按实物画出该芯片外围电路,如图1所示。查资料得知该芯片型号应是VIPer17L。查芯片外围元件,发现稳压管D5和D3击穿(并未完全击穿,有几十欧姆的反向电阻),R1、R2开路,光耦正常。

TCL L32P31BD液晶电视开机三无的故障维修 第1张

       此机副电源一组STB3.3V电压供主板。将指针万用表置于R X 10挡,黑笔接3.3V输出端A点,红笔接地,测得电阻仅15Ω;拔下电源板和主板的连接线后再测,阻值上升到3kΩ,这说明主板可能有问题。由于换主板成本较高,需先确定主板好坏,以便用户决定是否继续检修。

       外接3.3V电源给主板供电,面板红灯亮,按面板电源键,指示灯不变化,此时3.3V供电电流竟然达到350mA,手摸主芯片MST6M48RVS发热迅速,判断主芯片损坏。征得用户同意后,购回-块同型号主板,按上述方法测A点对地电阻为150Ω,这说明原主板确已损坏。将电源板上损坏的元件全部换新后,测3.3V输出电压正常,装机试验,有图、有声,但花屏。新旧主板型号都是40-MS48S1-MAA2XG,但原主板贴纸标"L32P31BD" ,新主板贴纸标"IL32P11",这说明配屏不一样,需进入工厂模式修改屏参数据。由于笔者手头没有该电视机原配遥控器,于是决定采用其他方法。看线路板上的芯片U204,型号是24C64,这应是用户存储器,屏参数据一般存储在这个芯片中。把原板上的24C64拆下来装在新主板上开机,图像正常,故障排除。

       该机进入工厂菜单方法:在TV信号源下,按遥控器上的“菜单”键,选择“图像设置”,按“OK"键,再选择“对比度”选项,按数字键“9、7、3、5"即可进入。值得注意的是,该机上电后红灯亮一下后熄灭(执行自检程序),按面板或遥控器上的“电源”键后,红灯闪烁,开机成功后红灯常亮,这种指示特点和一般机器有所不同,检修时不要误判。

版权声明:本文为转载文章,版权归原作者所有,欢迎分享本文,转载请保留出处!