接修一台TCL L42E9FE型液晶彩电,运动图像能看到明显残影,如图1所示。根据经验,如果某一侧图像拖尾, 而另一侧正常,其原因一般是拖尾侧γ轴VGH电压异常;如果满屏亮度不均匀,且有横向暗带,则重点查OE类的时序信号。本机逻辑板型号为42T06-C03,上电测得其关键点电压如下:VGH=28.11V,VGL=-6.09V,VGHC=-0.41V,显然VGHC电压异常。
  
 
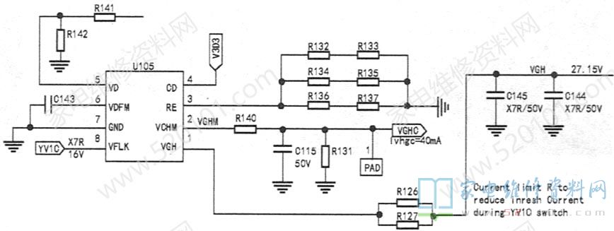
VGHC电压来自U105(RT8901 )的②脚,如图2所示。RT8901采用8脚SOP封装,是一款门脉冲信号调整IC。门脉冲调制器是针对TFT液晶屏栅极驱动应用而设计的,通过时序控制器的帧信号控制调整栅极开启电压,通过闪烁补偿电路降低栅极线和像素之间的耦合效应。上电时,它可以延迟栅极开启电压,为门驱动芯片带来一个准确无误的上电时序。闪烁补偿和上电时序的延迟时间可以通过外部的电阻和电容调整。简单地说,vGHC就是VGH调制后的电压,用来避免图像闪烁。
  
 
			版权声明:本文为转载文章,版权归原作者所有,欢迎分享本文,转载请保留出处!
			
		
		
		
		
		
		
	