TCL L24E5070B型液晶彩电采用MS82C机芯,将开关电源电路与LED背光驱动电路合二为一,设计在一块电路板上。
一、开关电源电路
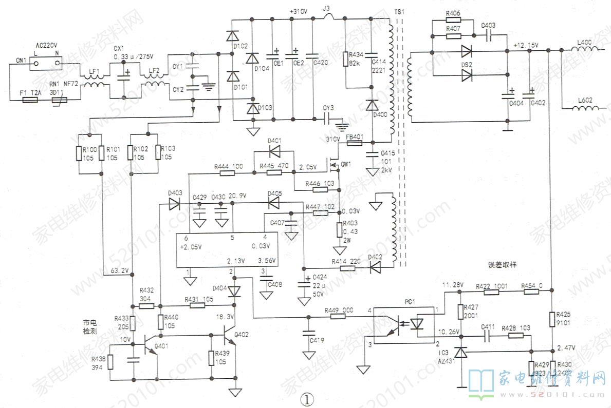
该机开关电源实绘电路如图1所示,220V市电经插座CN1(该机未设电源开关)、保险管F1(2A)、NTC电阻RN1(3Ω/4A)输入,送给由LF1、LF2及CX1、CY1、CY2组成的滤波网络,滤除市电中的干扰,最后经D101~D104整流,CE1、CE2滤波,获得约+310V直流电压,通过开关电压器TS1的初级绕组加至开关管QW1的D极;同时,市电经R100、R103、R432、D403降压整流,在开关电源芯片IC1(型号不明)⑤脚外接电容C429、C430上建立约20V直流电压,IC1内部振荡器起振,⑥脚输出激励脉冲,经R444、R445、D401驱动QW1,使之进入开关状态,TS1反馈绕组感生电压经D402.R414、C424整流滤波所得直流电压,通过D405送给IC1的⑤脚取代启动电压,维持芯片的正常工作。TS1次级绕组感生电压经大功率恢复二极管DS2、C402、C404整流滤波输出+12V.直流电压。
R100~R103、R433、R438及Q401、Q402等元件组成市电电压检测电路,对市电电压实时检测。当市电电压异常升高时该电路起控,以避免故障扩大。+12V电压经R425、R429、R430分压取样,再由IC3三端精密稳压器放大后输出误差电压,通过光电耦合器PC1光电转换,将误差电压信号送给IC1的②脚以稳定输出电压。
+12V电压一路经L400.C405滤波,加至受控开关管Q403(AQD417,P沟道场效应管)的源极S,如图2所示。Q403的G极电平受Q404控制。当Q404 的b极收到来自主板的高电平开机信号时,Q404导通,Q403也随之导通,+12V电压送给主板电路;另一路+12V电压送给由IC4(34063)及外围元件组成的DC -DC降压电路,变换后输出+3.3V电压供给主板上的CPU、按键及遥控电路。
二、背光驱动电路
该机LED背光驱动电路主要由两部分构成:-是以IC5(MP3394)为核心的驱动控制电路;二是由储能电感L601,开关管Q603(AOD444、N沟道场效应管),整流二极管D600、D601,滤波电容C614、C623等组成的升压电路,输出+32V电压为LED灯串供电,如图2所示。
MP3394是一款LED背光控制芯片,内含稳压器、振荡器、逻辑控制、驱动输出、点灯控制、4路。LED背光灯串电流控制亮度调整等电路,并且具有升压电路过流、过压灯串开路或短路保护,欠压锁定和热判断保护等功能。LED灯串电流和工作频率可由外部电路设定。LED灯串电流调节精度高达3.5%。MP3394约工作电压范围宽,为5V~28V,采用脉宽调制( PWM )调光方式,其引脚功能与实测电压见表1。
开关电源输出的12V电压经R601限流后供给IC5的15脚,芯片内部稳压器稳压输出5.8V电压,为芯片提供工作电源,主板输出的BL-ON(点灯控制信号,高电平)加至IC5的②脚,DIM(亮度调整)信号电压经R608、R609分压后加到IC5 ,IC5启动工作,14脚输出升压激励脉冲,升压输出电路工作,输出+32V电压为LED灯串供电。同时,IC5从5~11脚输出均流控制电压,对LED灯串电流进行控制。R610.R611是升压输出管Q603的S极电流取样电阻,其压降通过R617送给IC5的13脚。当升压电路出现过流,使IC5的13脚电压达到保护阈值时,IC内部保护电路起控,停止输出激励脉冲。R619、R620对升压输出电压进行分压取样,反馈至IC5的12脚。若输出电压升高,12脚电压也随之升高,当达到保护阈值时,IC内部保护电路起控,停止输出激励脉冲。
三、检修实例
例:一台TCL 24E5070B型液晶彩电,雷击后不通电。分析检修:拆机检查,发现保险管F1(T2A )熔断。仔细检查,测得整流桥D101~D104中有两只二极管击穿,滤波电容CE1、CE2及开关管QW1、电源芯片IC1均正常,电路也不存在短路漏电现象。估计故障系整流二极管击穿而连带烧断保险所致。用4只RL255型二极管代换全桥,更换保险管后试机,故障排除。

