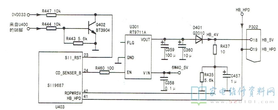
接修一台TCL L65E5700UDS液晶电视(MS901K机芯),不能播放MHL(移动终端高清影音接口)信号。该机芯的MHL信号是经插口P302输入,如图1所示。当信号选择开关U403(SiI9687) 的41脚没检测到P302 19脚送来的HB_HPD( +5V )电压时,U400会通过总线让U403选择MHL信号。同时,U400的G8脚输出高电平->控制管Q402( BT3904)导通->其集电极输出低电平->U403 23脚被低电平复位,U403的24脚输出高电平,U301(RT9711A)为U403的42脚及P302 18脚提供+5V电源,此时系统按MHL信号的格式和速率进行解调和传输(MHL信号传输速度是HDMI信号的3倍,可达2.2Gbit/s),再由信号识别及倍频处理器U1202( 6M40 )进行识别处理,然后送往逻辑板。
  
 
			版权声明:本文为转载文章,版权归原作者所有,欢迎分享本文,转载请保留出处!
			
		
		
		
		
		
		
	