TCL C32E320B液晶电视主板DC-DC电路故障维修

2022-06-30 18:01:09  阅读 1078 次 评论 0 条
摘要:

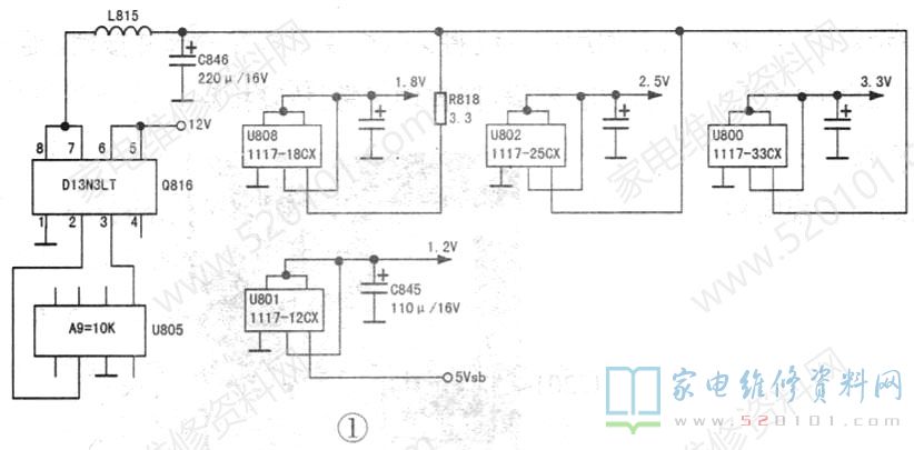
接修一台TCL C32E320B型液晶电视,主板型号是40-MS8200-MAD2XG,主芯片是MST6M182VS-IF+21。主板上DC-DC转换电路如图1所示。待机时,主板得到5Vsb电压,通过U8

      接修一台TCL C32E320B型液晶电视,主板型号是40-MS8200-MAD2XG,主芯片是MST6M182VS-IF+21。主板上DC-DC转换电路如图1所示。待机时,主板得到5Vsb电压,通过U801转换成1.2V直流电压,为主芯片内核供电。由于待机时开关电源无12V电压输出,所以其他DC-DC转换块都不工作。二次开机后,主板输出开机高电平,开关电源输出12V电压给Q816(内含两只场效管)的⑤、⑥脚。同时,U805(丝印号为A9=10K)开始工作,产生激励信号送给Q816的②、③脚,Q816工作于开关状态,C846上产生5V电压。5V电压一路经限流电阻R818 (3.3Q2) 送到U808(1117-18CX)的③脚,其②脚输出1.8V 电压;第2路送到U802(1117-25CX)的③脚,其②脚输出2.5V电压;第3路送到U800 (1117-33CX )的③脚,其②脚输出3.3V电压。

TCL C32E320B液晶电视主板DC-DC电路故障维修 第1张

      例1:一台TCL C32E320B型液晶电视,不开机。分析检修:上电后,测开关电源输出的5Vsb电压正常,C39两端电压为14V(正常),C40两端电压为24V (正常),但Q6的S极无12V电压输出。相关电路如图2所示。

TCL C32E320B液晶电视主板DC-DC电路故障维修 第2张

      断开开关电源负载,在12V电压端接一个假负载,然后短路5Vsb电压与sb端,12V电压输出正常,说明故障在主板上。测主板上各DC-DC电路,U801输出的1.2V电压正常。监测sb端子电压,开机瞬间有高电平出现,因此其他DC-DC块输出电压需在开机瞬间快速测量。经过多次测量,5V电压也始终没有出现,但Q816的⑤、⑥脚瞬间出现12V电压。按理说5V电压也应瞬间出现,说明故障可能在5V 电压形成电路或后级负载中。检查5V滤波电容C846未见异常,代换Q816后试机,故障排除。

      例2:一台TCL C32E320B型液晶电视,不开机。分析检修:检查方法同“例1”,确认故障在主板上。测主板上U801输出电压仅0.6V,正常值应为1.2V。测U801③脚输入的5Vsb电压正常,更换滤波电容C845无效。代换U801后试机,故障排除。

版权声明:本文为转载文章,版权归原作者所有,欢迎分享本文,转载请保留出处!