TCL L40M71D液晶电视黑屏但有声音的故障维修

2022-06-23 18:58:15  阅读 838 次 评论 0 条
摘要:

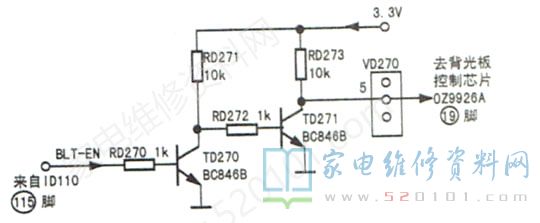
接修一台TCL L40M71D型液晶彩电(MC77机芯),故障表现为黑屏,伴音正常。上电试机,发现背光灯未亮,表明背光板未工作。测量主芯片ID110(VCT6973G)115脚(BLT-EN)为高电平,但背

     接修一台TCL L40M71D型液晶彩电(MC77机芯),故障表现为黑屏,伴音正常。上电试机,发现背光灯未亮,表明背光板未工作。测量主芯片ID110(VCT6973G)115脚(BLT-EN)为高电平,但背光振荡及控制集成块(OZ9926A)19脚(背光开/关端)为低电平(正常值约为3.2V),表明背光开/关控制电路有问题,相关电路如图1所示。

TCL L40M71D液晶电视黑屏但有声音的故障维修 第1张

     测得控制管TD270 (BC846B )c极为低电平,但TD271(BC846B )c极也为低电平,明显异常。经查,电阻RD273一端虚焊。补焊后开机,背光灯亮,图像出现,故障排除。

版权声明:本文为转载文章,版权归原作者所有,欢迎分享本文,转载请保留出处!