TCL C32E320B液晶电视PFC电压偏高的故障维修

2022-06-13 18:36:33  阅读 1200 次 评论 0 条
摘要:

接修一台TCL C32E320B 型液晶电视,客户说在收看中机内“啪

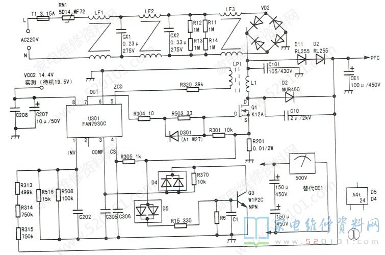
      接修一台TCL C32E320B 型液晶电视,客户说在收看中机内“啪"的一声响,机内冒出浓烟,但仍有图像和声音,急忙拔出电源插头,见机内有液体流出。拆机检查,发现PFC电路滤波电容CE1 ( 100uF/450V)已开裂,并流出电解液。拆去CE1,用无水酒精清洗干净电路板,在路检查其他元件,未见异常。实绘出该机PFC电路如图1所示。

TCL C32E320B液晶电视PFC电压偏高的故障维修 第1张

     为安全起见,用两只150pF/450V的电容串联后代替CE1,并且并联一只500V直流电压表。通电试机,看到电压表指针已摆到500V位置,随后又逐渐下降到350V左右。按“开机”键后,PFC电压在450V~470V之间波动,但次级输出的12V及3.3V电压正常,屏上出现TCL图标,亮度不稳定。该机PFC电压大幅偏高,重点检查PFC芯片U301 ( FAN7930C )外围阻容元件,未发现问题,更换U301后试机, PFC稳定为380V ,故障排除。

版权声明:本文为转载文章,版权归原作者所有,欢迎分享本文,转载请保留出处!