TCL L37P10FBEG液晶电视灰屏的故障维修

2022-06-12 18:46:42  阅读 1032 次 评论 0 条
摘要:

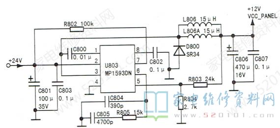
接修一台L37P10FBEG型液晶彩电,故障表现为灰屏。上电测量LVDS信号输出插座P204的10~38脚上有LVDS信号波形(直流电压为1.3V),说明主板上的主芯片工作正常。测量P204的①~④脚(vc

     接修一台L37P10FBEG型液晶彩电,故障表现为灰屏。上电测量LVDS信号输出插座P204的10~38脚上有LVDS信号波形(直流电压为1.3V),说明主板上的主芯片工作正常。测量P204的①~④脚(vcc_ PANEL)电压为0V。该机上屏电压控制电路如图1所示,测U803②脚输入的+24V电压正常,但③脚输出电压却为0V。手摸U803的温度较高,怀疑U803输出短路。测量U803的③脚对地电阻为不稳定的几十欧姆。试用断开法检查,发现滤波电容C806( 470uF/16V )漏电严重。更换C806后试机,故障排除。

TCL L37P10FBEG液晶电视灰屏的故障维修 第1张

版权声明:本文为转载文章,版权归原作者所有,欢迎分享本文,转载请保留出处!