TCL LED37C720L液晶电视不开机的故障维修

2022-05-31 19:01:42  阅读 658 次 评论 0 条
摘要:

接修一台TCL LED37C720L型液晶彩电(MS81L机芯),故障表现为上电后指示灯亮,按遥控“开机”键后待机指示灯不熄灭,也不开机。测主板上插座P100 100脚无+3V的高电平开机信号,U501的开

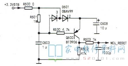
     接修一台TCL LED37C720L型液晶彩电(MS81L机芯),故障表现为上电后指示灯亮,按遥控“开机”键后待机指示灯不熄灭,也不开机。测主板上插座P100 100脚无+3V的高电平开机信号,U501的开/待机端214脚也未输出高电平开机信号。查U501相关端子供电情况,未发现异常。如果CPU外接的时钟或复位电路异常,也会导致不开机。先查U501②脚外接的复位电路,如图1所示,发现始终没有高电平信号输出。正常时,在开机瞬间,Q500的c极输出高电平,随后Q500截止,其c极输出低电平,复位结束。经查,Q500的c、e极已开路,将其换新后故障排除。

TCL LED37C720L液晶电视不开机的故障维修 第1张

版权声明:本文为转载文章,版权归原作者所有,欢迎分享本文,转载请保留出处!