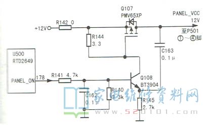
接修一台L42F1570B液晶电视(RT49机芯),故障表现为灰屏,伴音正常。上电试机,LED背光亮,测上屏线插座P501①~④脚的PANEL _VCC(12V)电压为0V。该机上屏电压控制电路由Q108、Q107等元件构成,如图所示。
  
 
测得Q107的S极有12V电压,但D极却无12V电压,显然Q107未导通。当u500 178脚输出高电平时,Q108导通,Q107因G极为低电平而导通,12V上屏电压加至插座P501①~④脚。实测Q107的G极始终为高电平,检查Q108及其外围元件,发现电容C162漏电。换新C162后试机,故障排除。
			版权声明:本文为转载文章,版权归原作者所有,欢迎分享本文,转载请保留出处!
			
		
		
		
		
		
		
	