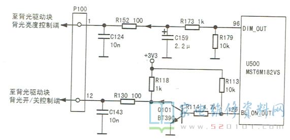
TCL L42F3300B液晶电视黑屏的故障维修 2022-05-05 19:38:40 阅读 828 次 评论 0 条 摘要: 接修一台TCL L42F3300B型机(MS82T机芯),收看中图像先是无规律闪烁,最后黑屏。上电试机,发现黑屏时背光不亮,测量插座P100 12脚(BL-ON)控制电压正常(+3.0V), 但P100 接修一台TCL L42F3300B型机(MS82T机芯),收看中图像先是无规律闪烁,最后黑屏。上电试机,发现黑屏时背光不亮,测量插座P100 12脚(BL-ON)控制电压正常(+3.0V), 但P100 11脚(DIM)亮度调节电压在+0.8V左右波动。检查亮度控制电路,如图所示,发现电容C159已严重漏电,将C159换新后试机,故障排除。 版权声明:本文为转载文章,版权归原作者所有,欢迎分享本文,转载请保留出处! 点赞 分享: PREVIOUS:TCL L42F3370B液晶电视伴音有杂音的故障维修 NEXT:康佳LED42T16A液晶电视黑屏的故障维修 文章导航