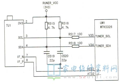
接修一台TCL L46V7300A-3D液晶彩电(MT36机芯),故障表现为在TV状态下手动或自动搜索均无台。上电试机,搜台进度指示条行进速度很慢,怀疑主程序有问题,但升级后故障依旧。测量高频头各脚电压,发现总线时钟(TUNER_CLOCK) 电压只有1.3V (正常值约3V)。该机高频头的总线电路如图所示。

断开高频头③脚再测,上拉电阻R516下端电压仍为1.3V。在路对比测量R515、R516下端对地电阻,发现R516下端对地电阻明显小于R515下端的对地电阻,怀疑电容C520(22pF )漏电。焊下CS520检测,确已漏电。将其换新后试机,故障排除。
版权声明:本文为转载文章,版权归原作者所有,欢迎分享本文,转载请保留出处!