目录
1.相关知识
1-1 主板电路介绍
1-2 电源板电路介绍
2.LCD-TV板级故障检修
2-1 液晶电视机保养
2-2 液晶电视机维修操作规程
2-3 电源系统故障检修
2-4 不开机故障检修
2-5 图像不良故障检修
2-6 伴音不良故障检修
2-7 LCD组件典型故障实例
学习目标
最终目标:
能对液晶电视机进行板级检修
促成目标:
1)了解各印刷板功能;
2)熟悉各印刷板测试技巧;
3)能检测板级故障。
1-1 主板(数字板)电路介绍 
1 .数字信号接收处理集成电路U26(SIL9021)
SIL9021特点
适用于双输入格式接收:HDCP1.1和DVI1.0规格的标准信号。
集成PanelLink技术支持:
DTV(480i/576/480p/576p/720p/1080i/1080p)。
PC(VGA,SVGA,XGA,SXGA,UXGA)。
数字视频接口支持视频处理器:
24-bit的RGB/YCbCr 4:4:4信号。
16/20/24-bit的YCbCr4:2:2信号。
8/10/12-bit的YCbCr4:2:2(ITU BT.656)信号。
12-bit的DMO(数字多媒体信号输出)RGB/YCbCr4:4:4信号。
RGB到YCbCr和YCbCr到RGB(601和709)的彩色空间转换。
自动检测视频信号模式简化软硬件的设计。
SIL9021特点(续)
模拟RGB和YPbPr输出:
10bit的数模转换。
同步信号的分离或复合。
数字音频接口支持高端音频系统:
低损耗2通道连接的可编程I2S输出。
采样率可达192KHz。
带可编程软件控制静音的自动音频错误检测。
集成HDCP(高带宽数据内容保护)解密引擎,保护音频或视频内容。
HDCP密码存储器提供高级解密电路,简化设计生产。
软件和SiI9993及S?iI9031兼容。
144脚的TQFP封装。
2. 信号解码处理(第二通道)U23(SAA7117AH)
SAA7117AH能实现以下功能:
多制式视频解码:PAL/SECAM/NTSC。
自动检测彩色制式。
通用亮度—对比度—饱和度调节。
亮度锐度控制。
瞬间彩色改进。
画面锁定音频时钟发生器。
软件控制省电待机模式。
通过I2C总线读取自动识别的彩色制式的模式。
I2C总线读取AGC增益系数。
无信号输入时蓝屏输出。
3. 运动图像及画中画处理U3(FLI8532)
FLI8532具有下列特点
(1)3D( three dimensional:三维)梳状滤波器
梳状滤波器分全数字 、3D 、3L三种,3D/3L都是采用数字技术进行亮度和色度分离。 3L又称 3线梳状滤波器,它是通过3行间的处理,实现亮色分离。3D梳状滤波器能从横向,纵向,对角将画面精确得分离,有效的消除杂波,重叠现象,一般用于NTSC制式
(2)数字信号和模拟信号的灵活接收
(3)不规则信号的DCDi功能
4. 丽音解码电路U38(MSP3410G)
丽音解码电路主要由MSP3410G芯片组成。丽音解码仅对来自双高频头的声中频信号IF-AUDIO(或IF-AUDIO2)进行,先对IF-AUDIO1(或IF-AUDIO2)信号进行模/数变换,然后进行丽音解码,最后进行数字式音效处理。
MSP3410G芯片还接收来自SIL9021的HDMI音频I2S总线信号,来自音频转换器的信号,AV1-AUDIO信号,AV2-AUDIO信号,AV3-AUDIO信号。由于这些信号不含NICAM-728数码,因而也无需进行丽音解码。这些信号先经过输入选择,然后经模/数变换器变换成数字信号,再进行数字式音效处理。
MSP3410G另一个功能是数字式音效处理,音效处理包括音量、高音、低音、平衡、伪立体声、带宽扩展等。音效处理通过I2S总线进行控制。
5. 音频功放电路U40(TPA3004D2)
伴音功放电路主要由TPA3004D2芯片组成。PA3004D2是一个12W立体声音频功率放大器,可以驱动每个声道12W、电阻低到4Ω的扬声器,IC的高工作效率使得在输出伴音时无须外部的散热器件。
直流电压控制立体声扬声器的音量范围在-40dB到36dB的幅度,输出到耳机也可以由直流电压控制在-56dB到20dB的增益范围。
6. LCD显示屏接口
1-2 电源板电路介绍
1. 功率因素校正
功率因素定义为:实际负载所消耗的功率与在负载端所量测到的视在功率之比值。功率因素越高(趋近于1),代表电力利用率越高,电力在传输过程中即可減少无谓的損失。
对于开关电源,由于采用桥式整流电容滤波作为AC/DC变换器,由于滤波电容要求有足够大的容量,因此这种变换器使得整流二极管的导通时间很短,二极管仅在交流电峰值电压附近才导通,电流呈脉冲型,电流波形的谐波含量非常丰富,线路功率因素很低,一般只有0.6左右。
为了减少AC/DC变换谐波电流造成的噪声及对电网产生的谐波污染,同时提高功率因素,以达到有效地利用电能,必须将AC/DC变换的谐波电流限制某范围
A、功率因素校正电路
功率因素校正PFC(Power Factor Correction)电路主要由NCP1650芯片及L2、Q1、D1组成。这是一个高频有源PFC电路,NCP1650根据⑤脚输入的交流采样电压和⑥脚输入的反馈电压,产生PWM驱动信号,控制开关管Q1导通与截止。当开关管Q1导通时,二极管D1截止,开关管Q1截止时,二极管D1导通。二极管导通时,电流向C16、C17充电,在交流电压半个周期内,电感L2的高频振荡电流频率是不断变化的,但峰值电流的包络曲线时刻跟踪交流电压的变化,L2的平均电流在开关周期很少时接近于正弦波,功率因素一般能提高到0.99。
2. 12V电压输出电路
工作原理
开机后,直流高压HV经T2初级加到开关管Q5的漏极,并经D11加到NCP1377的①脚,使NCP1377启动工作。NCP1377⑤脚输出驱动脉冲,控制开关管Q5的导通与截止。T2次级采用Q6、Q14来担任整流任务,当开关管Q5导通时,T3绕组电势为左正右负,Q7截止,Q8截止,Q9导通,Q6和Q14截止;当开关管Q5截止时,T3绕组电势为左负右正,Q7导通,Q8导通,Q9截止,Q6和Q14导通,C39和C40被充电,产生+12V直流电压。IC7为稳压芯片,R50、R51、R52为+12V电压误差的取样电阻,IC8以光耦合的形式实现了IC7对NCP1377②脚的稳压控制。
3. 24V电压输出电路
工作原理
开机后,直流高压经T1初级加到Q2和Q17的漏极,并经D3加到NCP1217的⑧脚,使NCP1217启动工作。NCP1217⑤脚输出驱动脉冲,控制开关管Q2和Q17的导通与截止。当开关管Q2和Q17导通时,整流管D8、D13和D15截止;当Q2和Q17截止时,D8、D13和D15导通,C25和C26初充电,产生+24V直流电压。IC4是稳压芯片,R27、R28和R29是取样电阻,IC3以光耦合的形式实现了IC4对NCP1377②脚的稳压控制。
2. LCD-TV板级故障检修
2-1 液晶电视机的保养
(1)正确清除LCD电视屏幕表面污垢
采用柔软、非纤维材料,比如脱脂棉、镜头纸或柔软的布等,然后沾少许玻璃清洁剂轻轻地将其擦去。
(2)杜绝一些不良习惯
(3)保持使用环境的干燥、远离一些化学药品
(4)环境温度:液晶电视机长时间存储时的温度在0℃~40℃之间,不要暴露在阳光下,不要将显示器放置在高湿度和高温环境下,不要将显示器放置在低温环境下。
2-2 维修操作注意点
(1)移动显示器之前请拔掉电源接线。[Page]
(2)请不要改变主板的原先设置,如果被调整亮度不符合白平衡的规格。
(3)请注意长时间的使用的辐射在常温比低温要大。
(4)请注意在长时间显示同一个画面后关机原来的图象信息可能还保持在上面。
(5)避免手机对TV影响,以免损坏TV。
(6)当把LCD电视拆开后,因为即使在关闭了很长时间,背景照明组件中的CFL换流器依旧可能带有大约1000V的高压,这种高压能够导致严重的人身伤害。
2-3 电源系统故障检修
电源板由功率因素校正、+12V开关电源、+24V开关电源三部分组成,其实物图如下图所示。为便于查找,图中已标出重要电子元器件的位置。 
检查电源板是否正常工作,主要是测量输出电压是否正常。输出接口共有7根线,如左图所示。其中橙色引线输出+12V电压,两根红色引线均输出+24V电压,黑色引线接地。黄色引线是P-ON控制,当P-ON为低电平时,+24V开关电源不工作;当P-ON为低电平时,+24V开关电源正常工作。
LCD27A71-P电源故障检修流程
2-4 不开机故障检修
1)检查待机控制电路。首先检查REAL2是否吸合?若不能吸合,则数字板无+12V供电电压,则不可能开机。REAL2不吸合可检查U48、Q34、REAL2是否损坏,若没有损坏,再检查U48供电及是否收到控制信号。
2)检查背光灯控制。背光灯不亮,即黑屏,即不可能开机。首先检查背光灯驱动接口CN28的EN、H/L、BRI引脚电压分别为5V/0V/2V。若不正常,查FLI8532电路。其次检查LCD屏显3.3V供电是否正常。
2-4 不开机故障检修
3)检查FLI8532屏显控制。需说明的是,FLI8532屏显控制不正常,仅影响图像,不影响伴音。屏显控制检查包括对FLI8532的PPWR、PWMO、PBIAS控制信号的检查,若正常,则检查Q9及Q10或Q11;若不正常,则检查FLI8532与FLASH(XU2)的通信是否正常,FLI8532分别通过AD24、AC25、AC26引脚对XU2进行片选、读、写控制,并有大量地址线、数据线连接。若通信正常,则检查FLI8532工作条件。
4)查闪存XU2(MX29LV320)。XU2损坏后功能错乱,一般容易引起不开机。当更换数字板或配不同的显示屏、高频调谐器时,XU2要重新写入相应程序,否则可能出现花屏。
LCD27A71-P不开机检修流程 
2-5 图像不良故障检修
1)确认图像不良通道。由于有RF输入接口、AV1输入接口、AV2输入接口、AV3输入接口、S-VIDEO输入接口、YUV信号输入、VGA信号输入、DVI输入接口、HDMI输入接口共9种方式,所以要先确认图像不良通道。若全部通道不良,则应检查9种信号经过的公共图像通道,即检查FLI8532电路;若个别通道不良,则检查相应信号通道,如DVI、HDMI信号输入时图像不良,则检查SIL9021电路。
2)检查FLI8532输出信号波形。可在图5-28所示的LVDS接口进行检查。FTL8532输出LVDS信号至液晶显示屏,有各为8bit的红、绿、蓝基色信号,另有时钟信号(DCLK)、行同步信号(DHS)、场同步信号(DVS)、控制信号(DEN)及显屏电源时序控制(Panel-Power、Panel-EN)。若正常,则检查屏本身及背光灯控制;若不正常,则检查FLI8532工作条件,也可能是FLI8532内部损坏,造成有信号输入而无信号输出,或图像出现满屏竖条、点状干扰,字符不良(拉丝),菜单不良。
3)检查存储器:如更换数字板后,闪存XU2要重新写入相应程序,否则可能出现花屏。当帧存储器U7、U8有故障时一般出现花屏,雨状干扰,满屏竖线。
LCD27A71-P图像不良检修流程 
2-6 伴音不良故障检修
1)确认伴音不良通道。与图像不良检查类似,先确认伴音不良通道。若全部通道不良,则应检查9种信号输入经过的公共伴音通道,但从扬声器、功放开始检查;若个别通道不良,则检查相应信号通道,如DVI、HDMI信号输入时图像不良,则检查SIL9021电路。
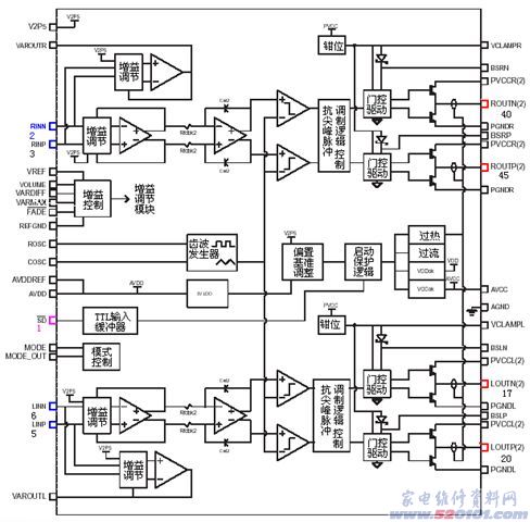
2)检查伴音功放。伴音功放由U40(TPA3004D2)组成,③脚是R信号输入,⑤脚是L信号输入,由17、20脚输出L声道信号,经L6、L7耦合到L扬声器,由40、45脚输出R声道信号,经L4、L5耦合到R扬声器。伴音功放检查可采用干扰信号注入法、电压测量法来检查。检修时,U40的①脚若始终为低电平,则U40就不会工作,此时应检查图5-45所示的静音电路。
3)检查U38(MSP3410G)。U38主要功能是丽音解码及音效处理。U38若损坏,无伴音,伴音不良。如U38的晶振X6易损坏,U38就不会工作,无伴音。
LCD27A71-P伴音不良检修流程 
2-7 LCD组件典型故障实例
LCD 面板组件故障分类
因LCD是组件提供,处置方法:换LCD组件。(图像和屏显均不良或均无显示)
1、有图像,图像再现不良:
A:驱动板不良 :
偏色、花屏、干扰、负像、显示不全、重现顺序错误、图像拖尾
B:LCD板接口电路不良:显示不全、线、带等
C:LCD板不良:线、带 、角区暗
D:光学部分不良:横向暗带
E:镇流器不良:图像暗、横向暗带
特点:LCD驱动板、LCD接口电路、LCD板出现的干扰、线、带是连续的
2、无图像(黑屏),有背光:LCD驱动板和LCD板接口电路
3、无图像(黑屏),无背光:镇流器不良
4、不开机,指示灯按指示对应表规律闪烁:镇流器、LCD驱动板
不开机,指示灯不按指示对应表规律闪烁:镇流器、LCD驱动板(极少)
LCD 组件故障实例(图像)
型号: 所有型号
现象: 水平线
结果: LCD 组件
<故障现象照片>
型号: 所有型号
现象: 垂直线
结果: LCD 组件
型号: 所有型号
现象: 垂直线
结果: LCD 组件
型号: 所有型号
现象: 不规则颜色
结果: LCD 组件






型号: 所有型号
现象: 颜色淡
结果: LCD 组件
型号: 所有型号
现象: 垂直线
结果: LCD 组件

