近几年,不少液晶彩电生产厂家为了简化液晶彩电的内部结构、降低生产成本,采用了三合一主板,这种主板是将机芯、电源、背光驱动电路三大部分整合在同一块电路板上。虽然简化了电路结构,但却增加了维修难度。长虹LED32560型液晶彩电的主板就是这类三合一主板,该主板型号为JUC6.690.00088589。本文介绍该主板的电源、背光驱动电路原理和故障维修要点。该主板实物图解见图1。
 
 
一、电路原理
JUC6.690.00088589三合一主板的开关电源集成电路采用5AARZJ方案,输出+5V、+12V和+36V电压;LED背光驱动控制集成电路采用OB3350CP,配合升压电路,将开关电源输出的+36V提升到75V左右,驱动LED背光灯条发光。图2是开关电源、背光驱动电路组成框图。
 
 
1.市电滤波、300V供电电路
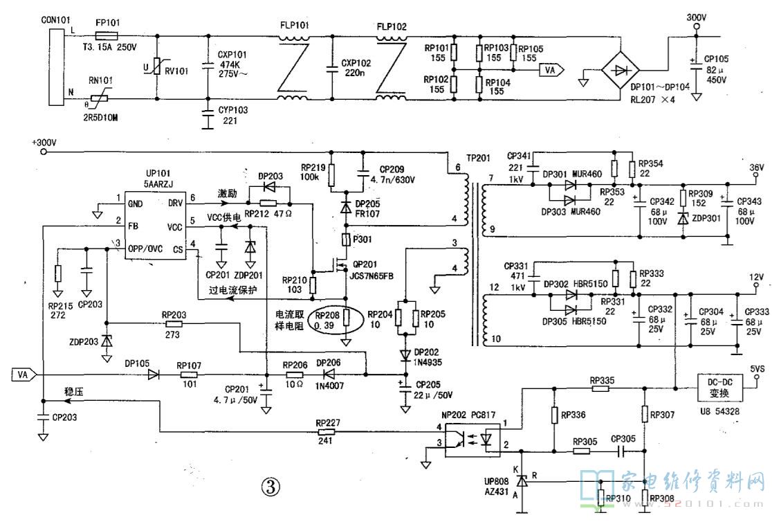
见图3,接通市电后,AC220V市电经FP101、RN101输入到由CXP101、FLP101、CXP102、FLP102、XYP103组成的滤波电路滤波后,分为两路:一路经由DP101~DP104整流、CP105滤波产生300V直流电压;另一路经RP101~RP105分压后形成一个正比于市电交流电压的VA,再经整流滤波后为电源控制芯片UP101提供启动电压。RV101是压敏电阻,用于市电过压和防雷电保护。RN101是负温度系统热敏电阻,作用是冷机开机时防止瞬间浪涌电流损坏其他元器件,热机后电阻接近0Ω,可视为短路。
2.主电源
该机的主电源由电源控制芯片UP101(5AARZJ,引脚及维修参数见表1)、开关管QP201、开关变压器TP201为核心构成,见图3。该电源输入市电电压后就会工作,不仅为主板的信号处理部分供电,而且为5V电源、LED背光驱动电路供电。
 
 
 
 
(1)功率变换
       市电整流滤波后产生的+300V左右直流电压经开关变压器TP201的⑥-④绕组送到开关管QP201的D极。AC220V 交流电压经RP101~RP105分压后得到的VA交流电压通过DP105半波整流,经RP107对UP101⑤脚外接电容CP201充电,在CP201两端建立启动电压。当启动电压达到设置值后,UP101启动工作,从⑥脚输出脉宽可控的矩形脉冲,控制开关管QP201工作在开关状态。QP201工作后,在开关变压器TP201的反馈绕组(③-④绕组上感应的脉冲电压经RP204和RP205限流,DP202整流CP205滤波,产生18V左右直流电压。该电压再经DP206隔离,RP206限流后,得到17V左右直流电压,将取代启动电源,为UP101的⑤脚供电。
        TP201次侧⑦-⑨绕组上感应电压经DP301、DP303整流,再经CP342、CP343滤波产生约+36V的直流电压,为LED背光电路中的升压电路供电。
        TP201次级12-10绕组上感应电压经DP302、DP305整流,再经CP332、CP333滤波产生约+12V的直流电压,不仅为信号处理电路供电,同时还为LED背光控制芯片供电,以及为12V转5V变换器u8(54328)供电。
        (2)稳压控制
        稳压控制电路由取样电路RP307、RP308//RP310,误差放大器UP808,光电耦合器NP202和UP101的②脚内部电路组成。
        当电网电压升高或负载变轻时,+12V输出端电压升高,一路经RP335为光电耦合器①脚提供的电压升高;另一路经RP307、RP308// RP310分压取样后,加到误差放大电路UP808R端的电压升高,经UP808比较放大后,使光电耦合器NP202②脚电压下降,其内部的发光二极管因导通电压增大而发光加强,内部光敏管受光增强而导通电流增强,将UP101的②脚电压拉低,经UP101内部电路比较控制后,控制UP101的⑥脚输出脉冲宽度变窄,开关管QP201导通时间缩短,输出电压下降到正常值,达到稳压的目的。若开关电源输出电压下降,则稳压过程相反。
 (3)保护电路
        尖峰脉冲吸收电路:由DP205、RP219、CP209组成,用于防止开关管QP201在截止瞬间被过高的反峰电压击穿。
       过电流保护电路:由过电流取样电阻RP208和UP101的④脚内部电路组成。开关管QP201源极(S)的电阻RP208作为过电流取样电阻。当负载短路等原因引起QP201源极的电流增大时,RP208两端的电压增大,UP101的④脚电压升高,当④脚电压上升到保护启动阈值时,UP101关闭⑥脚PWM脉冲输出,实现过电流保护。
       功率限制和过电压保护电路:由RP203、RP215、ZDP203及UP101③脚内部电路构成。反馈绕组上感应的脉冲电压经DP202、CP205整流滤波产生的vCC电压通过电阻RP203.RP215分压加到该脚,对开关变压器进行监测,限制开关变压器输出功率。同时此脚作为过电压保护脚,当该脚电压升到3V以上时,内部保护电路启动,关闭⑥脚PWM脉冲输出,实现过电压保护。
 3.低压电源电路和待机控制电路
       该机的低压电源种类较多,下面仅介绍与微控制器电路有关的不受控5V、3.3V低压电源电路。 
(1)不受控5V(+5VS)、+3.3V电源
 
        不受控+5VS、+3.3V电源电路见图4。该机中,不受控5V(即+5V待机电压,标为+5VS )电源由U8( 54328 )及外围电路组成+12V转+5V直流电压变换电路。54328是同步降压转换器,具有省电模式,宽输入电压范围(VIN为4.5V~18V),输出电压范围为0.76V~7.0V。54328 引脚功能和维修数据见表2。 
 
       54328的使能控制①脚必须加高电平才有电压输出。该板中,U8的①脚通过分压电阻R26.R27接到12V高电平上,故以U8为主组成的电路始终有+5V电压输出,即在待机和二次开机状态都有+5V输出。U的②脚和接在输出端的取样电阻R29、R28构成稳压电路,当负载变化引起输出电压升高(或降低)时,+5VS输出电压经分压后反馈到U8②脚的电压也会随之升高(或降低),被U8内的误差放大器等电路处理后,使U8⑥脚输出的电压下降(或升高)到正常值,实现稳压控制。
        经U8进行DC-DC变换后输出的+5VS待机电压,一路送3.3V稳压器U32(EH16A),经其稳压得到+3.3V电压,为微控制器电路供电;另一路送开/待机控制电路。
       (2)开/待机控制电路-受控+5V、+3.3V、+1.8V电源 
 
       该机中,开/待机控制是由微处理器对主5V (即5VM )输出电压进行控制来实现的。开/待机控制电路见图5,主要由P沟道场效应管Q809、三极管Q812以及微处理器等组成。二次开机时,来自微处理器电路的开/待机控制(PS ON)信号为高电平 ,经R880使Q812导通,拉低Q809的G极电压,从而使P沟道场效应管Q809导通。此时,从Q809的D极输电压(M5V)。M5V除供给信号处理电路外,还送后级稳压器U25、U41,以便产生3.3V和1.8V电压,供给各单元电路。这样,整机进入工作状态。
       当控制信号PS-ON转为低电平时,Q812、Q809截止,无+5VM以及+3.3V、+1.8V受控电压输出,整机负载停止工作,进入待机状态。
       提示: 该三合一主板待机采用切断受控+5V、+3.3V、+1.8V输出方式。待机期间,因负载电流极低,主电源芯片UP101自动进入低功耗模式,进一步降低了待机期间的功耗。因此,该机不需要单独设置待机电源。 
4. LED背光驱动电路
 
       LED背光驱动电路主要由两大部分组成: -是以背光灯驱动控制芯片UP401( OB3350CP,引脚功能和维修参考数据见表3)为核心构成的背光驱动控制电路,二是由MOSFET开关管QP412、储能电感LP402、续流二极管DP401、输出储能电容CP401组成的Boost升压电路。LED背光驱动电路见图6。 
 
      (1)驱动脉冲形成和升压电路
       背光驱动控制电路由OB3350CP为核心构成。当主芯片发出打开背光指令时(BL-ON/OFF由高电平跳变为低电平),使Q3截止,QP402导通,将QP411基极电位拉低,QP411导通,QP411集电极有+12V电压输出,并加到背光控制芯片UP401的①脚(电源端),背光控制芯片开始正常工作,从②脚(GATE脚)输出一定占空比的方波,驱动开关管QP412的通断。
         储能电感LP402、开关管QP412、续流二极管DP401、输出储能电容CP401共同组成升压电路(Boost电路),使36V左右的VIN电压提升到75V左右。激励脉冲为高电平时,QP412导通,DP401反偏,主电源输出的36V电压经储能电感LP402、QP412的D-S极、RP436到地,储能电感LP402上的电流逐渐增大,将能量储存在电感LP402中,此时LED+输出电流完全由CP401提供;当激励脉冲为低电平时,QP412关断,由于IP402中的电流逐渐减小,LP402两端的感应电动势反向,变为左负右正,且LP402通过DP401向CP401充电,使CP401的电压(泵升电压)高于输入的36V直流电压,此时电感储能向负载提供电流并补充CP401单独向负载供电时损失的电荷。
         提示:背光驱动电路工作时LED+电压可达75V左右,以便驱动LED背光灯条发光;LED驱动电路未工作时,LED+电压只有36V,流过LED灯串的电流不会使LED灯串发光,从而保护LED灯串。
       (2)灯条电流设定电路和恒流控制电路
       灯条的电流通过⑤脚( FB )接主芯片发出打开背光指令时(BL-ON/OFF由高电平跳变为低电平),使Q3截止,QP402导通,将QP411基极电位拉低,QP411导通,QP411集电极有+12V电压输出,并加到背光控制芯片UP401的①脚(电源端),背光控制芯片开始正常工作,从②脚(GATE脚)输出一定占空比的方波,驱动开关管QP412的通断。
         储能电感LP402、开关管QP412、续流二极管DP401、输出储能电容CP401共同组成升压电路(Boost电路),使36V左右的VIN电压提升到75V左右。激励脉冲为高电平时,QP412导通,DP401反偏,主电源输出的36V电压经储能电感LP402、QP412的D-S极、RP436到地,储能电感LP402上的电流逐渐增大,将能量储存在电感LP402中,此时LED+输出电流完全由CP401提供;当激励脉冲为低电平时,QP412关断,由于IP402中的电流逐渐减小,LP402两端的感应电动势反向,变为左负右正,且LP402通过DP401向CP401充电,使CP401的电压(泵升电压)高于输入的36V直流电压,此时电感储能向负载提供电流并补充CP401单独向负载供电时损失的电荷。
         提示:背光驱动电路工作时LED+电压可达75V左右,以便驱动LED背光灯条发光;LED驱动电路未工作时,LED+电压只有36V,流过LED灯串的电流不会使LED灯串发光,从而保护LED灯串。
       (2)灯条电流设定电路和恒流控制电路
       灯条的电流通过⑤脚( FB )接的反馈电阻确定,本方案中LED VFB/RFB 300mV/ 12 300mA。
       RP404、RP405和UP401⑤脚内部相关电路组成LED恒流控制电路。LED背光点亮后,LED驱动电压经过灯条、取样电阻、地形成工作电流。此电流在RP404//RP405,上形成反映灯条电流大小的取样电压,该取样电压经RP428加到UP401的⑤脚。⑤脚内接电流管理器,电流管理器的基准电压为0.3V,此电压就是UP401设定的灯条正常工作时的标准检测电压。0.3V电压送入内部的电流管理器,在电流管理器的电压比较器中与基准电压进行比较。当输入电压有误差时,电流管理器输出控制信号去调整②脚输出的驱动脉冲占空比,使QP412导通时间发生改变,从而调整升压电路输出的LED驱动电压的高低,保证LED灯条电流稳定。
       (3)PWM调光控制电路
        调光控制电路主要由Q4和UP401⑧脚内部电路组成。主芯片送来的调光控制脉冲信号DIM送到Q4基极,经其倒相后送入UP401⑧脚,通过调节DIM信号的占空比自动控制UP401②脚(GATE脚)输出信号的占空比,,调节LED+电压,从而改变背光灯条上的电流,控制灯条发光强度。
        (4)保护电路
         升压电路过电流保护(IS)。该电路主要由RP436和UP401④脚内部电路组成,R436为电流取样电阻。升压开关管QP412正常工作时,会在其源极形成几百毫安的工作电流,该电流经RP436后形成反映电流大小的取样电压送到UP401④脚。当QP412电流过大时,送到UP401④脚的过电流保护取样电压Cs升高到保护设定值时,UP401内部保护电路启动,关断②脚PWM驱动信号输出,防止QP412因过电流而损坏。
        LED驱动电压过电压保护(0VP)。升压电路输出的LED驱动电压如果失控,将会烧坏Led灯条,所以电路中设计了相应的过电压保护电路。该电路由LED驱动电压输出端所接的分压电阻RP420、RP422和UP401⑦脚内部电路组成。分压电阻RP422两端分得的电压作为LED驱动输出电压的检测电压,送到UP401⑦脚过电压检测端。当输出的LED驱动电压超过设定值时,UP401⑦脚电压达到保护器设置的阈值,芯片内部的过电压保护电路启动,关断UP401②脚驱动脉冲的输出,使QP412截止,从而实现过电压保护。
       LED灯条断路保护(OLP)。当LED灯条内部出现断路(一般是某路灯条断路),或是电路板LED驱动输出插座与灯条之间接触不良时,断路的LED灯条无电流流出,此时⑤脚输入电流下降。为了防止UP401⑤脚内部电流管理器误判为LED电流不足,避免驱动电压进一步升高,在⑤脚内部设计了一个断路保护(OLP)比较器。当⑤脚电压低于0.3V时,UP401内部保护电路启动,关断②脚PWM驱动信号输出,实现灯条断路保护。
 二、故障维修
 1、三合一主板维修技巧
        对三合一主板进行摘板维修时, 一般不采用强制开机的方法,而是采用按键开机,故需要将三合一板、按键板拆下来带回维修部。
       在背光灯供电滤波电容CP401两端接一只100W白炽灯,开机后灯丝微红,灯泡两端电压为35.8V。若电压低于正常值,并且CP401两端电压也低于35.8V,说明主电源带载能力差;若灯泡电压比CP343两端电压低-一个二极管的压降,说明主电源正常,背光灯电源未工作。空载时,二次开机后LED+点对地电压最大达到75V ,随后慢慢下降,直至36V左右停止,此时背光灯电源停止工作,进入空载保护状态。
 2、故障检修方法及流程
        (1)开关电源部分检修方法及维修流程(见图7) 
 
        (2)LED驱动部分检修方法及维修流程(见图8) 
 
 3、易损件及故障速查
       JuC6.690.00088589型机芯电源驱动三合一主板开关电源和LED背光驱动部分易损件及故障速查见表4。 
 
 4、维修实例
        例1:开机三无,指示灯不亮,FP101烧断。
       分析检修:电源熔断器FP101烧断说明开关电源有严重短路的情况。测量300V滤波电容CP105两端电阻,近为0Ω。检查滤波电容CP105正常,为电源开关管QP201击穿。更换开关管和检查开关变压器一次侧电路元件,都需要将开关管连同散热板拆下后进行,拆下后看到的元件分布情况如图9所示。 
 
       开关管QP201击穿,需全面排查故障。测量QP201源极电阻RP208烧焦,检查QP201周边元件,又发现RP212烧焦。由于PWM芯片5AARZj(UP101 )⑥脚的外部元件烧焦,重点测量5AARZJ各脚对地(热地)电阻,发现5AARZJ⑥脚与地之间击穿,内部电路已损坏。检查其他元件未发现异常情况。更换5AARZJ、QP201、RP208、RP212和熔断器FP101后,故障排除。
       例2:开机三无,指示灯不亮,熔断器F1完好。
       分析检修:测量市电整流滤波电路输出电压为300V左右,正常。测量电源控制芯片5AARZJ的⑤脚(vcC )电压约7V,远远低于启动电压18V。对⑤脚外部电路进行检测,发现电容CP201容量减小,造成⑤脚电压降低,5AARZJ停止工作。替换CP201( 4.7uF/50V )后,故障排除。
       例3:待机指示灯亮,但不能二次开机。分析检修:该机不能二次开机,可能原因有:一是主芯片内部的CPU未送出正常的开机控制电压;二是开/关机控制电路有问题;三是处于保护状态。操作二次开机,先检查主芯片U13的103脚( PS-ON )控制电压为高电平,正常。再测量开/关机控制电路中的+5VM控制管Q809的S极有+5VS电压输入,但D极无+5VM电压输出,说明故障发生在开/关机控制电路(参见3期图5)。仔细检查Q809、Q812及其偏置电路,发现Q812基极所接电阻R880与主芯片U13的103脚之间的印制不通。将R880一端飞线到U13的103脚后,故障排除。
       例4:二次开机后有声音,但是黑屏。分析检修:仔细观察,二次开机时背光灯根本不亮。检查LED驱动电路的工作条件,测量LED驱动控制芯片UP401(OB3350CP)的①脚(VIN)无12V工作电压,该脚的供电来自主电源次级输出的干12V电压,但受控于点灯控制电路(参见图6)。测量+12V输出控制管QP411发射极有12V电压,但集电极无电压输出,说明故障在点灯控制电路。仔细检查点灯控制电路:测量主芯片U13的89脚(BL-ON/OFF)控制电压为低电平,正常;测量Q3基极电压为低电平,集电极电压为高电平,但QP402基极电压为低电平,正常应为高电平。经查,为Q3集电极与QP402基极之间的电阻RP411开路。更换RP411后,故障排除。