TCL D43A6201液晶电视有线网络无法连接

2022-01-23 01:47:42  阅读 626 次 评论 0 条
摘要:

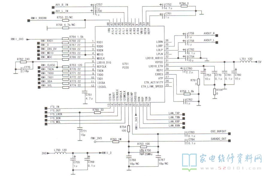
接修一台TCL D43A6201型机,无法联接有线网络。该机有线网络信号经接口P750及隔离耦合块U75后送给U751(P220)。U751工作所需时钟由18、19脚外接晶振X750 (25MHz )提

        接修一台TCL D43A6201型机,无法联接有线网络。该机有线网络信号经接口P750及隔离耦合块U75后送给U751(P220)。U751工作所需时钟由18、19脚外接晶振X750 (25MHz )提供,如图所示。

TCL D43A6201液晶电视有线网络无法连接 第1张

         主芯片输出的OSC_ BUFOUT、SARADC_ oUT信号分别经C783.C784接U751 19、18脚。U75的21~24脚连接互联网交换的接收信号RXP.RXN和发送信号TXP、TXN,①~③脚输出RXD1.RXD0、RX EN信号送给主芯片,⑧~①脚接收主芯片送来的发送信号TXD0、TXD1、TDEN信号,23、24脚输出一对发送信号PHY_ TP、PHY. TN,通过U750.P750与互联网进行数据交换。

        U751还对多路模拟音频信号进行A/D及D/A转换,输出音频信号去AV信号输出端口,输出IS信号去功放。上电,测得P750.U750的3.3V供电正常。断电,在路检测U750外围排阻,均正常,判断故障点在U751及其外围电路中。测U751的5V、3.3V供电正常,⑥、⑧脚电压也为正常值1.8V。检查18、19脚间的时钟电路及1~10脚外的RX、TX信号通道元件,均正常。接下来测量11、12脚总线电压,发现②脚(SCL电压为0V,显然异常。经查,电阻R774断裂,将其换新后故障排除。

版权声明:本文为转载文章,版权归原作者所有,欢迎分享本文,转载请保留出处!