TCL LED42C830S液晶电视无伴音的故障维修

2021-05-22 17:47:52  阅读 630 次 评论 0 条
摘要:

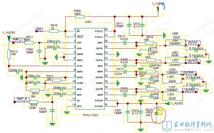
接修一台乐华LED42C830S液晶电视,故障表现为无伴音,拆开机器,首先查看伴音集成(U901:TPA3110D2)7脚AVCC限流电阻已烧黑。更换10欧贴片电阻伴音正常输出,用户拿回家使用一天后再次无

      接修一台乐华LED42C830S液晶电视,故障表现为无伴音,拆开机器,首先查看伴音集成(U901:TPA3110D2)7脚AVCC限流电阻已烧黑。更换10欧贴片电阻伴音正常输出,用户拿回家使用一天后再次无伴音,在路检查出(R913R914)贴片电阻阻值不对,更换也没有输出,更换TPA3110D2两次后伴音变成了失真,查出供电电容(C923:35V220UF)容量变小只剩下(50UF),更换后正常。

TCL LED42C830S液晶电视无伴音的故障维修 第1张

TCL LED42C830S液晶电视无伴音的故障维修 第2张

版权声明:本文为转载文章,版权归原作者所有,欢迎分享本文,转载请保留出处!