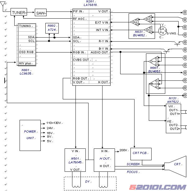
一 . 概述
本机芯采用三洋I2C总线控制的主芯片LA76818,该芯片内部集成以下电路:中频放大检波、AFC、伴音中频解调、亮度延迟线、色度信号滤波解调、行场小信号处理。该机芯除+B(B1)电压由电位器调节外,其余均由CPU通过总线控制。
三 . IC功能说明
3.1 N801 LC8635 功能:微处理器
| 符号 |
PIN |
功能描述 |
符号 |
PIN |
功能描述 |
| BAND1 |
1 |
频段控制电压输出。 |
AV1/AV2 |
36 |
AV1/AV2控制信号输出 |
| BAND2 |
2 |
频段控制电压输出。 |
TV/AV |
35 |
TV/AV控制信号输出 |
| I2C SDA |
3 |
总线数据线 |
DVD |
34 |
YUV控制信号输出 |
| I2C SCL |
4 |
总线时钟线 |
SUR RF |
33 |
超强接收控制输出 |
| GND |
5 |
接地 |
TUNING |
32 |
Vt(调谐电压)输出 |
| X in |
6 |
接32KHZ晶体 |
VOLUME |
31 |
音量控制 |
| X out |
7 |
接32KHZ晶体 |
MUTE |
30 |
声音MUTE输出 |
| VDD |
8 |
接5V电源 |
CD PLAY |
29 |
CD控制信号输出 |
| KEY1 |
9 |
本机键输入1 |
IR-IN |
28 |
红外遥控输入 |
| AFT in |
10 |
AFT输入 |
SD |
27 |
图象识别输入 |
| POWER TEST |
11 |
市电检测 |
--- |
26 |
空脚 |
| KEY2 |
12 |
本机键输入2 |
RADIO |
25 |
收音控制信号输出 |
| RESET |
13 |
复位电平输入 |
SIF |
24 |
RF NTSC控制信号输出 |
| FILT |
14 |
滤波电路 |
SECAM |
23 |
SECAM 控制信号输出 |
| SAFTY |
15 |
X-RAY保护 |
OSD BLANK |
22 |
OSD 消阴输出 |
| POWER |
16 |
STAND BY输出 |
OSD B |
21 |
OSD B 输出 |
| V.SYN |
17 |
场脉冲输入 |
OSD G |
20 |
OSD G 输出 |
| H.SYN |
18 |
行脉冲输入 |
OSD R |
19 |
OSD R 输出 |
?1.????????? LC8635 引脚功能详细说明
l 1脚、2脚:频段控制电压输出。
根据MENU2中的“BAND OUT MODE”选项选择状态0或1。
l 3脚:总线数据线(SDA)。
l 4脚:总线时钟线(SCL)。
l 5脚:接地。
l 6、7脚:接32KHZ晶体。
l 8脚:接5V电源。
l 9脚:本机键输入1。
- 10脚:AFT输入。
- 11脚:市电检测输入。
l 12脚:本机键输入2。
l 13脚:复位电平输入,要求复位时高电平。
l 14脚:滤波电路。
l 15脚:X射线保护输入,高电平触发。
l 16脚:STAND BY输出。
输出低电平,为STAND BY状态。
输出高电平,正常工作状态。
l 17脚:场同步脉冲输入。
l 18脚:行同步脉冲输入。
l 19、20、21脚:R、G、B屏显输出。蓝背景由B屏显输出。
l 22脚:屏显消隐脉冲输出。
l 23脚:SECAM识别信号输出。
l 24脚:伴音中频识别输出。
强制射频NTSC时,输出低电平;其他情况输出高电平。
l 25脚:RADIO(收音)控制信号输出。
l 26脚:空脚。
l 27脚:图象识别信号输入,如10分钟此脚无信号输入,电视机将自动关机。
l 28脚:红外遥控信号输入。
- 29脚:CD识别信号输出。
l 30脚:声音MUTE输出。
l 31脚:音量控制输出。
l 32脚:Vt(调谐电压)输出。
l 33脚:超强接收识别输出。
l 34脚:YUV识别输出。
l 35脚:TV/AV识别输出。
l 36脚:AV1/AV2识别输出。
2. 本机键
TV/AV、STAND BY、VOL-、VOL+、CH-、CH+[Page]
3.2 N201 LA76818 功能: I2C总线控制 PAL/NTSC 小信号处理
符号 |
PIN |
功能描述 |
符号 |
PIN |
功能描述 |
| AUDIO OUT |
1 |
音频输出 |
FBP IN |
28 |
沙堡脉冲形成 |
| FM OUT |
2 |
伴音检波输出 |
VCD I REF |
29 |
行频参考电流 |
| PIF AGC |
3 |
中放AGC |
CLOCK OUT |
30 |
4MZH时钟输出 |
| RF AGC OUT |
4 |
高放AGC |
VCC(CCD) |
31 |
电源(1H-DL) |
| PIF IN |
5 |
图象中频输入 |
CCD FIL |
32 |
延迟电路滤波 |
| PIF IN |
6 |
图象中频输入 |
GND(CCD/H) |
33 |
接地(IH-DL) |
| GND( IF ) |
7 |
接地(中放) |
SECAM B-Y IN |
34 |
SECAM B-Y输入 |
| VCC(VIF) |
8 |
电源(中放) |
SECAM R-Y IN |
35 |
SECAM R-Y输出 |
| FM FIL |
9 |
伴音检波滤波 |
APC2 FIL |
36 |
色AFC2 |
| AFT OUT |
10 |
AFT输出 |
FSC OUT |
37 |
副载波/SECAM接口 |
| BUS DATA |
11 |
数据总线 |
XIAL |
38 |
晶体振荡 |
| BUS CLOCK |
12 |
时间总线 |
APC1 FIL |
39 |
色AFC1 |
| ABL |
13 |
ABL |
SELECT V OUT |
40 |
内外视频选择输出 |
| R IN |
14 |
字符红输入 |
GND(V/C/D) |
41 |
接地(视频/色/偏转) |
| G IN |
15 |
字符绿输入 |
EXT V IN |
42 |
外视频输入 |
| B IN |
16 |
字符兰输入 |
VCC(V/C/D) |
43 |
电源(视频/色/偏转) |
| BL IN |
17 |
字符消隐输入 |
INT V IN |
44 |
内视频输入 |
| VCC(RGB) |
18 |
电源(RGB) |
BLACK STR |
45 |
黑电平延伸 |
| R OUT |
19 |
红输出 |
VIDEO OUT |
46 |
视频检波输出 |
| G OUT |
20 |
绿输出 |
APC FIL |
47 |
APC滤波 |
| B OUT |
21 |
兰输出 |
VCO COIL |
48 |
视频检波 |
| SYNC |
22 |
同步信号输出 |
VCO COIL |
49 |
视频检波 |
| V OUT |
23 |
场信号输出 |
VCO FIL |
50 |
视频检波滤波 |
| RAMP FIL |
24 |
锯齿波形成滤波 |
EXT AUDIO IN |
51 |
外音频输入 |
| VCC(H/D) |
25 |
电源(行振荡/总线) |
SIF OUT |
52 |
伴音中频输出 |
| H APC FIL |
26 |
行AFC电路 |
SIF APC FIL |
53 |
伴音鉴频APC |
| H OUT |
27 |
行振荡输出 |
SIF IN |
54 |
伴音中频输入 |
3.3 N131 TDA7522/7523 功能: 伴音功放
符号 |
PIN |
功能描述 |
符号 |
PIN |
功能描述 |
| Vcc |
1 |
IC供电 |
Gnd |
7 |
接地 |
| Out 1(+) |
2 |
声道1(+)输出 |
In 2 |
8 |
声道2输入 |
| Gnd |
3 |
接地 |
VOL |
9 |
|
| Out 1(-) |
4 |
声道1(-)输出 |
Out 2(-) |
10 |
声道2(+)输出 |
| Standby |
5 |
MUTE |
Gnd |
11 |
接地 |
| In 1 |
6 |
声道1输入 |
Out 2(+) |
12 |
声道2(-)输出 |
注:AN7522与AN7523是同系列音频功率放大IC,AN7522用于双声道功放电路,AN7523用于单声道功放电路(用其中1脚到9脚)。
3.4 N501 LA78040/LA78045 功能: 场输出
| 符号 |
PIN |
功能描述 |
符号 |
PIN |
功能描述 |
| INV IN |
1 |
输入 |
V OUT |
5 |
场输出 |
| Vcc1 |
2 |
电源 |
VCC2 |
6 |
输出级电源 |
| Pump up |
3 |
泵电源 |
NON INV IN |
7 |
负反馈 |
| Gnd |
4 |
接地 |
|
|
|
注:LA78040用于21寸以下机型,LA78045用于25寸以上机型。
3.5 N551 TDA8145 功能:枕形校正
符号 |
PIN |
功能描述 |
符号 |
PIN |
功能描述 |
| KEYSTONE IN |
1 |
梯形校正输入 |
OUTPUT |
5 |
枕校输出 |
| SAWTOOTH IN |
2 |
帧锯齿波输入 |
VCC |
6 |
24V供电 |
| I REF |
3 |
参考电流 |
INV IN |
7 |
枕校输入 |
| GND |
4 |
接地 |
NON-INV IN |
8 |
行幅调整输出 |
TDA8145 PIN 2脚输入一锯齿波电流经内部差分放大器后去驱动内抛物波网络,输出抛物波
电流借助于PIN7外接电阻产生相应抛物波电压。一般PIN7接可变电阻,作枕形校正调整。抛物波
电压放大后由PIN5输出。
由PIN1输入参考电平,变化该参考电平可作梯形校正。
另有PIN8输入行频锯齿波,利用锯齿波的直流电平变化作行幅度调整
四、I2C总线调试说明4.2 调试菜单说明
4.1进入总线调试菜单
使用调试遥控器,按”TEST”键。电视屏幕左角显示”TEST” 字符即进入总线调试状态,
按遥控器”0”~”2”数字键进入相应调试菜单。如要进入”3”~”9”菜单,先按[SCAN]键,再按数字键。调试完按”TEST”键即退出总线调试状态。
