TCL NU21机芯是新推出的一款采用数字信号处理技术的数字窗高清系列产品。目前采用NU21机芯的彩电型号有:HID29181H、HID29189PB、HID29A61、HID29A81、HID34181、HID34181H、HID34A61、HID34A81等。
一、TCL NU21数字板
其正面电路的实物图如下图所示。 
二、NU21机芯数字板信号流程
数字板主要完成对不同扫描格式的模拟电视信号的接收和转换(如TV/AV、高清信号、VGA信号接收、ADC转换、扫描格式转换、DAC转换等)。
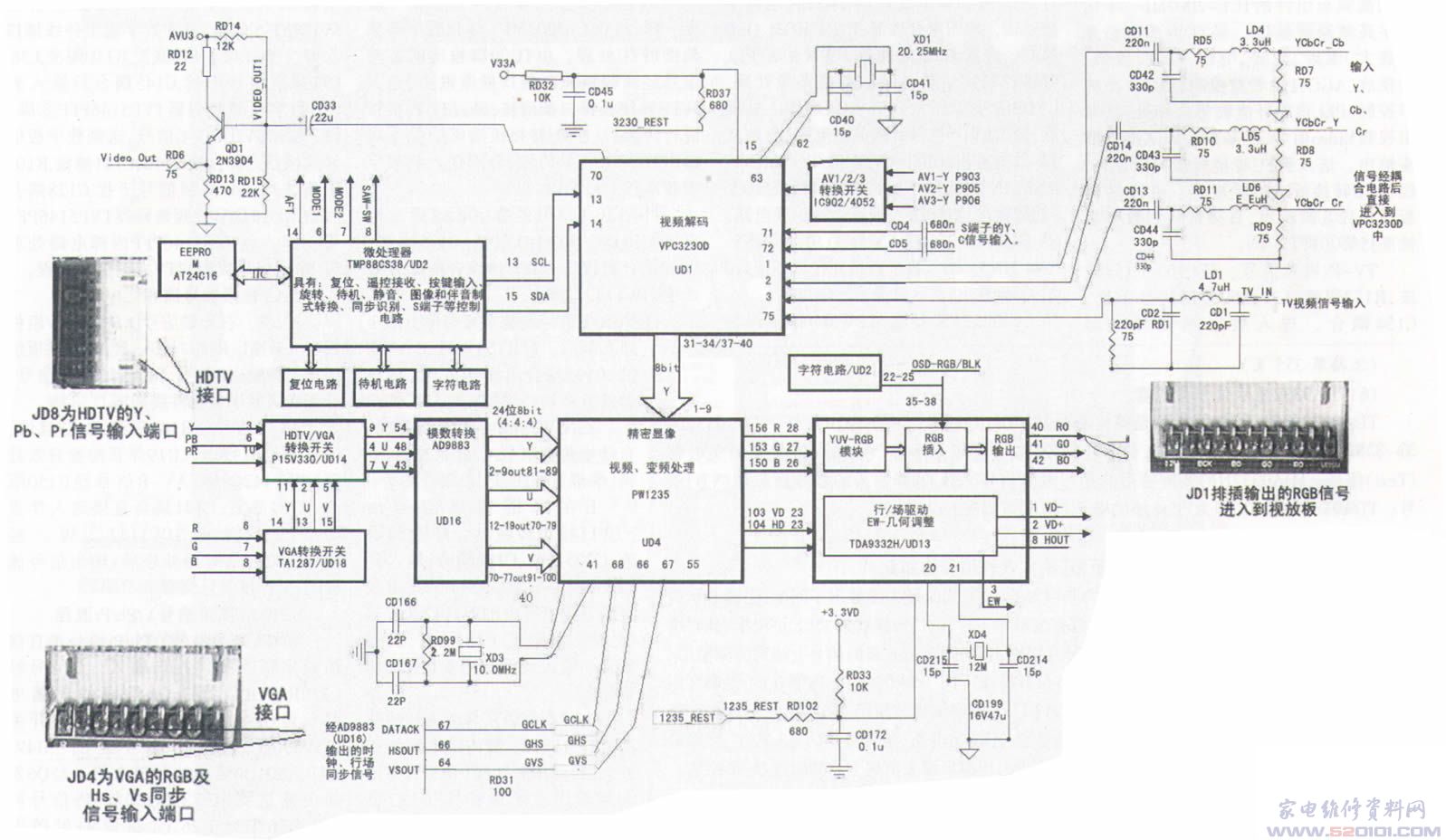
1.数字板电路工作原理信号流程(见框图)。
2.数字板信号流程及关键点电压
(1)TV及AV信号处理
TV信号由CD1、CD2耦合后由UD1(VPC3230D)的75脚输入TV信号。s端子的C、Y信号经电容CD4、CD5耦合后由UD1(VPC3230D)的71、72脚输入C、Y信号。AV2的视频信号经电容CD6耦合后,由UD1(VPC3230D)的73脚输入。Cb、Y、Cr信号分别经LD4、RD5、CD42,LD5、RD10、CD43,LD6、RD11、CD44组成的滤波电路滤波后,输出的Cb、Y、Cr信号由UD1(VPC3230D)的①、②、③脚进入。
输入的视频信号经VPC3230D进行视频解码处理,最终输出数字信号。VPC3230D的13、14脚与外围集成电路相连接的(SCL、SDA)I2C总线控制脚;VPC3230D的15脚外接的RD32、CD45、RD27是一个复位控制电路,起到复位作用。
VPC3230D的63、62脚外接晶振XD1(20.25MHz),起到基准彩色的作用。
IC的供电由3.3V和5V供电。视频输出由VPC3230D的70脚输出经QD1、RD13组成的射随电路放大后,由QD1的发射极输出。
由VPC3230D的(31~34,37~40)脚输出8bit的YC信号,简称8Bit位格式的数字信号进入到PW1235进行精密显像处理。
(2)VGA信号处理
VGA的RGB及Hs、Vs信号由端口JD4输入,VGA的RGB信号经LD23、LD27、LD28滤波后,VGA的同步信号经由LD25、LD26、CD168滤波后,输出到AD9883的30、31脚。5V电压分别经DD15、DD16、RD150、RD151、RD152分压后叠加给Hs、Vs一个上拉电压。由JD4输入的RGB信号,经TA1287切换后,由13、14、15脚输出YUV信号,输出的YUV信号经电容CD252、CD253、CD254耦合后,输出VGA的RGB信号。
(3)HDTV信号处理
HDTV信号由端口JD8输入,HDTV的Y、Pb、Pr信号经LD24、LD31、LD32、RD161、RD162、RD163滤波后,经P15V330(UD14)的③、⑥、⑩脚输入,另DD17、DD18、DD20为5V供电。VGA的RGB信号由P15V330的②、⑥、11脚输入,经P15V330切换后,由P15V330(UD14)④、⑦、⑨脚输出RGB信号,经RD148、CD230、RD149、CD231,RD147、CD232电容耦合后,由54、48、43脚输入到AD9883的内部集成电路。
(4)AD9883模数转换器
输入的YUV信号经AD9883处理后,南70~77脚、②~⑨脚、12~19脚输出8bit的数字YUV信号。数字的YUV信号进入到PW1235的81-89脚、70—79脚、91-100脚。
从AD9883(UD16)的67脚(VPCLK)输出的数据时钟信号,66脚(VPHS)输出的行同步信号和64脚(VPVS)输出的场同步信号。分别经PW1235的68脚(GCLK)、66脚(DGHS)、67脚(DGVS)送入到PW1235的内部。
(5)PW1235变频处理器
PW1235的供电电压为2.5V和3.3V。PW1235的156、153、150脚输出的是模拟的RGB信号,送入到UD13(TDA9332)的28、27、26脚。由VPC3230D输出数字的视频信号,由(31~37,37-40)脚输出8bit的YC信号输出。
PW1235的11、12脚为TV信号的Hs和Vs同步信号输入,40、41脚外接10MHz晶体振荡器(XD3),45、47脚是(SCL、SDA)时钟、数据总线控制脚,55脚是复位控制信号输入脚,3.3V电压经RD33、CD172降压后产生一个复位信号,起到复位控制信号的作用。
HY57V641620HG是一个帧存储器,它能接收从PW1235处理后的图像信号,同时它也接收从PW1235读出的数据信号,主要由PW1235的16位地址线和16位的数据线与(HY57V641620HG)帧存储器相连接。
(6)TDA9332显示信号处理器
TDA9332的30~32脚加入的是第一基色从PW1235输送过来的RGB信号。TDA9332的35~37脚输入的是第二基色输入信号R2、G2、B2,可以是屏显(OSD)信号或图文电视(Text)信号。TDA9332H的⑧脚输出的足行激励信号。23、24脚输入的场激励脉冲(VD)信号。TDA9332的⑩、11脚为I2C总线的输入、输出引脚SCL和SDA。
三、维修实例
【例1】故障现象:开机后只有光栅暗影,输入各种信号均如此。
分析与检修:有彩色光栅暗影,而且为非均匀的色彩,当时疑为图像出了问题,但通过示波器检查UD13 TDA9332输出的RGB至视放板波形均正常,试代换视放板,也无济于事。此时维修陷入困境,怀疑是判断错误,于是不让信号直接输出(断开至视放板的信号),结果故障依旧,因为使用了机架维修倍行板,故相关联的电路只有行、场同步脉冲信号了。因能开机,说明高压在工作,即行同步脉冲属于正常;然后细查UD13①、②脚场锯齿波信号,应为15V,但现在②脚无电压,疑为外接电容损坏,焊开CD200滤波电容,还是无电压,最后更换UD13芯片,故障消除。另外,UD13损坏会造成不同的现象;其中不少为场幅半幅和出现上述故障现象,须注意。
【例2】故障现象:无遥控,按键无作用。
分析与检修:问题可能出在CPU内部和时钟电路,或者足按键和遥控接收电路。用示波器测时钟和遥控信号35脚都正常,测UD2 15、16脚按键输入分别为5V、1.2V,正常时均为5V。试代换外接电容CD152(2200F)后,电压恢复正常,此机为电容漏电。
总结:因UD2 16脚的电流电压被拉低,导致CPU内的译码电路不能正常工作,从而使输入的遥控信号和按键矩阵信号无法识别。
【例3】故障现象:无图像。
分析与检修:该机逐行处理芯片采用PW1235,跟芯片PW1255相似,只是逐行信号VGA/YPbPr也送入PW1235,然后所有的RGB信号从UD4的150、153、156脚输出。当然检修的方法也可参考以前的维修经验,有几个重要的电压值得一提,UD4的162参考电压正常时为1.25V;160脚补尝信号为2.1V;复位信号输入55脚3.3V;复位信号输出159脚为1.2V;检查主要信号后,有输入图像,但没有信号输出。更换此芯片后故障消除。