创维5Y21/30机芯彩电是创维公司2002年推出的平面数码彩电,其代表机型有29SF9C100、29SH8000、8000-2982A、25NX9000等。此系列彩电的开关稳压电源设计小巧、功能完备,现已进入维修期。数十起开关稳压电源故障,以其综合性强、特殊性和疑难性共存给笔者留下深刻印象,现笔录如下。
一、开关稳压电源原理概述
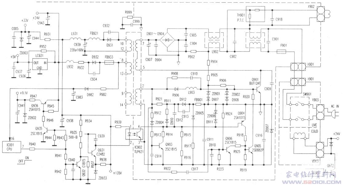
如附图所示,这是一个典型的自激式变压器耦合并联型、调频-调宽控制的开关稳压电源,包括了启动、振荡、稳压、保护和输出等几部分。 
1、开关振荡电路的启动过程
AC220V经整流、滤波后的DC300V电压经过T901的初级绕组⑦-⑤加到开关振荡管Q901 c极;同时,启动电阻R904、R905、R906给Q901 b极提供较小电流,触发Q901导通。在反馈绕组②-①、R908、C910的正反馈作用下,使Q901快速饱和导通,其b极电压增大已不能再控制c极电流的增长,正反馈电压减小。由于R904、R905、R906之和较大,所以Q901饱和导通状态主要靠C910放电电流来维持,随着C910放电电流的减小,C911、C916的充电电压增高,Q901饱和深度下降,其c极电流减少,并在T901②-①绕组上产生与启动时相反的电动势,反向的感应电压加到Q901 e、b极间使其很快截止。随着C911、C916的放电,Q901 b极电流逐渐上升,使Q901再次导通——截止——导通,形成持续开关振荡,由T901进行磁能电能转换。
2、稳压调控过程
稳压调控电路主要由误差取样电路R934、R935、R937、基准电流产生电路R938、ZD933、误差放大器Q931,光电耦合器IC902、控制放大电路Q904、Q905等元器件构成。当输出的+135V电压上升或降低时,通过对其进行误差取样,经Q931进行误差比较放大。以+135V上升为例,经R934、R835、R936分压后,Q931 b极电压上升,e极电流增大,IC902内发光二极管电流增大,光敏三极管内阻下降,使Q904导通程度增大,Q905导通程度增大,对Q901 b极电流的分流增大,使Q901的电流降低,通过磁能电能的转换使输出电压下降。+135V下降时与此过程相反。
3、待机控制过程
待机控制亦即遥控开/关机控制。当遥控关机时,CPU IC001⑦脚输出低电平,使Q932截止,因R937串在取样电路中,使得取样电压即Q901b极电压上升,Q931 b极电流和c极电流增大,因而流过IC902内的发光二极管电流增大,光敏三极管内阻大幅下降,误差电流的增大控制Q904和Q905进入导通状态,由于Q905的c、e极小电阻分流作用,使得Q901导通时间缩短,开关脉冲占空比下降,开关变压器感应电压下降,开关电源处于间歇振荡状态,输出能量下降使各组输出电压下降幅度增大,为正常输出值的一半弱,但+24V端的可输出+12V左右的电压,以保证IC931稳压输出为+5V以供CPU之用。当遥控开机时,CPU⑦脚输出高电平,Q935、Q932导通,重复与待机相反的过程,使得开关脉冲占空比上升,开关电源恢复正常振荡过程。
4、开关管的过流保护过程
开关管过流保护电路由ZD904、Q903、Q904、Q905、R912、R913、R919等元件组成。正常工作时,R912、ZD904、R913组成的分压电路使得ZD904两端电压低于6.2V,Q930截止,而Q904、Q905处于正常工作状态。当由于某种原因使Q901过流时,T901上电流过大,T901②-①绕组电压上升,当超过ZD904的门限值时击穿而导通,使Q903获得正向偏置而导通,其c极输出低电压使Q904导通,Q904导通后使R919两端电压上升Q905导通程度加深,极限情况下可视为c、e极电阻接近0Ω,因此将Q901的绝大部分电流分流到地,使得Q901的激勋电流近乎为零,开关电源停止工作。
二、故障特点及检修思路
本系列彩电的开关稳压电源电路的故障特点是输出电压为0V或输出电压偏离正常值,故障原因种类繁多,涉及到稳压调控电路异常和保护电路异常。
1.本机最为常见的故障是开关管损坏且以击穿为典型,造成开关管损坏的原因有;(1)市电供电电压突然升高,导致开关管过压而击穿;(2)Q901 c极尖峰脉冲吸收电路开路而使其击穿;(3)取样、基准电压、比较、误差放大电路等出现故障,使脉宽控制管Q904截止或趋于截止,Q901因失控而损坏;(4)正反馈电路开路,这是由于启动电路要向Q901 b极提供导通电流,而+300V通过变压器一次绕组加到Q901 c极,通电时间稍长,Q901便会出现热击穿;(5)本机启动电阻总值为90k,可向Q901 b极提供约2mA的静态电流,电源长时间工作于临界过载状态,Q901出现热击穿,若开关管本身质量差,工作时间稍长也会击穿。
2.本系列彩电开关电源故障的检修思路是:(1)检查开关电源的输入、输出电路;(2)对开机三无,但Q901完好的电源,应主要检测Q901 b极的各支路,如启动电路、振荡回路、脉宽控制电路等;(3)对开机输出电压偏高的开关电源,应重点检查脉宽控制管Q905的导通是否足够,Q901 b极的分流是否足够,负偏压是否减小;(4)对保险已熔断烧黑,Q901已损坏的电源,检修时要重点检测整流滤波电路和负载电路有无短路。
三、常见故障分析与处理
故障现象:开关电源本身故障造成的三无及电源指示灯不亮。
本系列彩电开关电源出现此类故障较常见,现结合数十例故障予以综合分析。
电源指示灯不亮,说明T901次级无输出电压,开关电源未工作。拆下机壳观察,若保险管F901已熔断烧黑,说明有较大电流冲击,在此情况下切莫更换保险后即开机。一般是整流桥堆内二极管击穿或开关管Q901被过高电压瞬间击穿所致。保险管F901已熔断但未烧黑,说明短路性的故障不很严重,但往往也是Q901击穿所致。若保险管F901未烧断,经检查发现限流电阻R902烧断及Q901击穿,住往是由于Q901击穿后回路电流较大而使R902烧断而不是烧断F901;在另外的实例中,还出现过启动电路中电阻R905开路的情况,这属于元件材质不良的原因,更换R905后即可恢复正常。
当通过测试发现Q901击穿后,不可将AC220V直接接入,否则将会导致Q901的击穿并有可能损坏其他部件。现以一例综合性极强的故障实例来分析并提出处理办法。通过测试发现损坏以下元器件,Q901(BUT12AF)的b、c、e极均击穿、R902(4Ω/15W)烧断、ZD901(5.1V)击穿、ZD902(9.1V)击穿、R920(3.3Ω/2W)烧断。其他元器件在线测试良好,焊下有关非线性元件,测试良好。就损坏元件的范围看,这属于较大范围的损坏,疑似AC220V有瞬间升高的可能,分析ZD901和ZD902的击穿可能与Q901出现c、b极击穿的现象有关。当将以上损坏的元件依原规格更换后,在没有完全把握的情况下,通电试验时一定要使输入交流电压由低向高变化进行。本人检修时在输入端接入一台小型0-250V/2kW调压器,输入起始电压为AC50V。本机初始状态为遥控开,即CPU⑦脚输出为高电平,将行输出级断开,在C933两端并接60W~100W/220V灯泡监测。通电后测灯泡两端电琏初始值为50V,3秒后IC931工作供给CPU +5V电压,C933两端电压为60V,可认为基本处于正常工作状态。当开关电源电路中的元件没有问题且工作状态正常时,缓慢调节调压器的输出电压,当调至AC150V左右时,灯泡两端电压指示为+135V,说明开关电源已开始处于正常工作状态,继续将输入电压向高调至AC240V,测试+135V输出电压不变,在这种状态下,可以认为开关电源处于正常工作状态。但本故障当输入电压升至AC80V时,通电3秒后灯泡两端电压为+250V,快速切断电源。由此看来,在没有正确的维修方法之前,盲目地更换Q901往往是一通电就击穿,在调节输入电压试验的过程中,监测时间超过5秒,Q901立即击穿,保险管F901同时也烧断,而其熔化程度是输入电压愈高烧毁得愈严重。住往会使维修工作陷入困境。
在输入AC50V的情况下,自CPU⑦脚测起,至IC902的光敏三极管间工作电压均正常,当输入AC80V时,瞬间测试Q904在突发+250V时导通情况良好并可给Q905 b、e极间提供+0.7V的电压,由于Q904、Q905是过流保护兼脉宽调整的关键性元件,将其拆下测量,看不出异常,更换Q904后故障依旧。Q905型号为2SD682P,因无此件,以2SC2Q73代换试验,发现+135V输出达到+100V就不再变化,将电压由AC80V上升至AC150V,+100V亦不变,调节取样电位器R935有较小变化而达不到+135V。由此分析2SC2073可能是β值小或开关速度过低(高频特性不好),造成控制功能不良。购进2SD682P,同原机管对比测量,各种数据基本一致,仅是发射结和集电结的正向电阻略大,用新品更换后试验,输出电压为+130V,故障排除。复测Q905的c、e极间电压为0.2V,比原机管在同等状态下(+250V输出)时测试低0.2V,能够表现出其正常的分流作用。
综上所述,作为过流保护及脉宽控制的Q905作用极其重要,正常工作时应工作在放大——饱和状态,对Q901 b极电流有效的分流,才能保证扦关电源的正常工作。诸如此类的综合性故障,损坏的元件很多,有些可直接测出,但类似于Q905就不易判断。事后分析可以看出:ZD902击穿已表明了Q901的集电结先击穿,高电压通过过R920加到Q905,势必会对其PN结造成影响乃至损坏。在未损坏的情况下,必会对其性能造成影响而使其参数发生变化,所以在分析确认后应果断地更换相关元件,避免过多损失。以上肤浅之见仅供同行参考。